LEMON Manuals: Even more car manuals for everyone
Home >> Lexus >> 2010 >> IS F >> Repair and Diagnosis (Single Page) >> Electrical >> Body Electrical >> OEM System Circuits >> Remote Control Mirror >> Notes

Remote Control Mirror: Notes

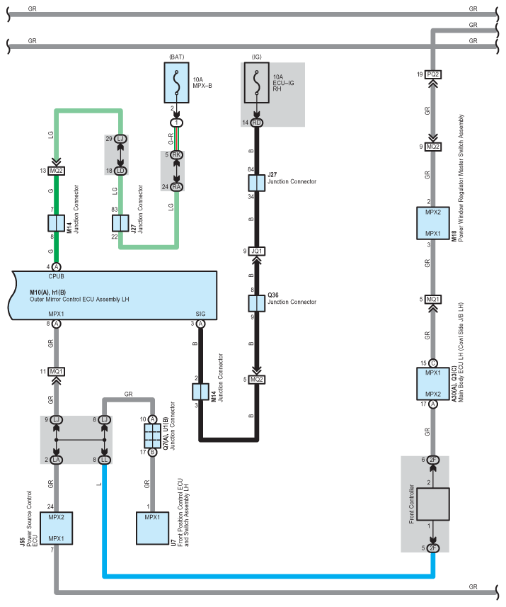
Fig 1: Remote Control Mirror - Circuit Diagram (1 Of 7)
G07561367Courtesy of © TOYOTA, LICENSE AGREEMENT TMS1002
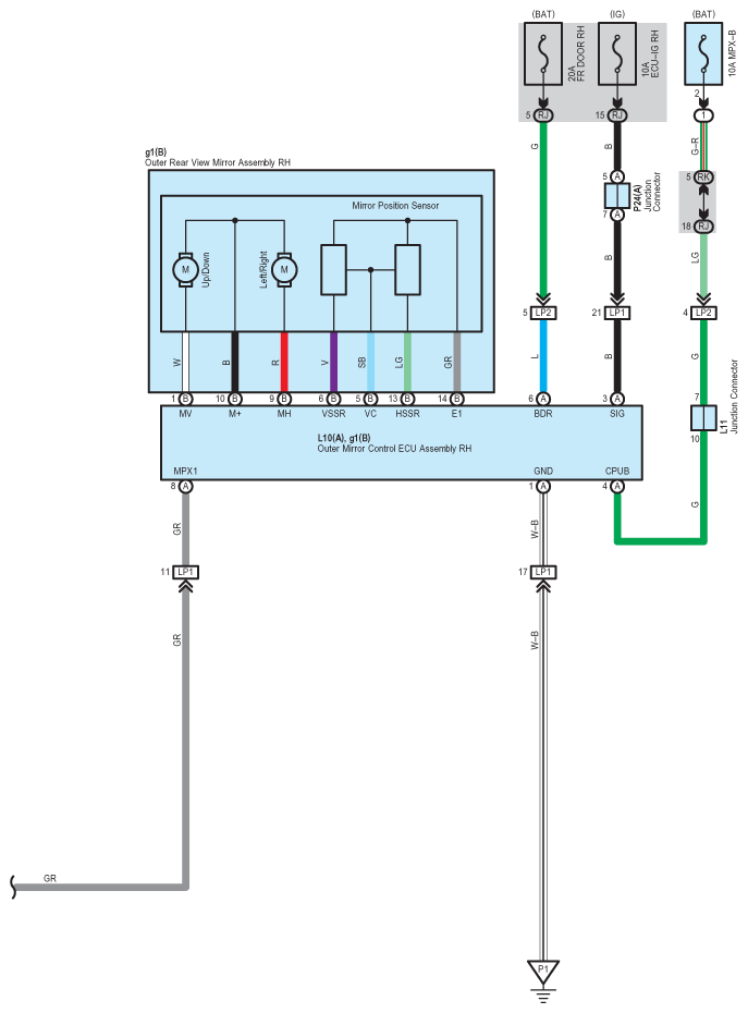
Fig 2: Remote Control Mirror - Circuit Diagram (2 Of 7)
G07561368Courtesy of © TOYOTA, LICENSE AGREEMENT TMS1002
Fig 3: Remote Control Mirror - Circuit Diagram (3 Of 7)
G07561369Courtesy of © TOYOTA, LICENSE AGREEMENT TMS1002
Fig 4: Remote Control Mirror - Circuit Diagram (4 Of 7)
G07561370Courtesy of © TOYOTA, LICENSE AGREEMENT TMS1002
Fig 5: Remote Control Mirror - Circuit Diagram (5 Of 7)
G07561371Courtesy of © TOYOTA, LICENSE AGREEMENT TMS1002
Fig 6: Remote Control Mirror - Circuit Diagram (6 Of 7)
G07561372Courtesy of © TOYOTA, LICENSE AGREEMENT TMS1002
Fig 7: Remote Control Mirror - Circuit Diagram (7 Of 7)
G07561373Courtesy of © TOYOTA, LICENSE AGREEMENT TMS1002