LEMON Manuals: Even more car manuals for everyone
Home >> Lexus >> 2010 >> IS F >> Repair and Diagnosis (Single Page) >> Electrical >> Body Electrical >> OEM System Circuits >> Power Source >> Notes

Power Source: Notes

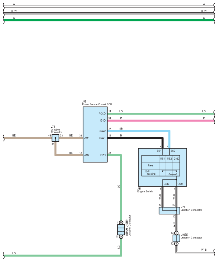
Fig 1: Power Source - Circuit Diagram (1 Of 5)
G07561118Courtesy of © TOYOTA, LICENSE AGREEMENT TMS1002
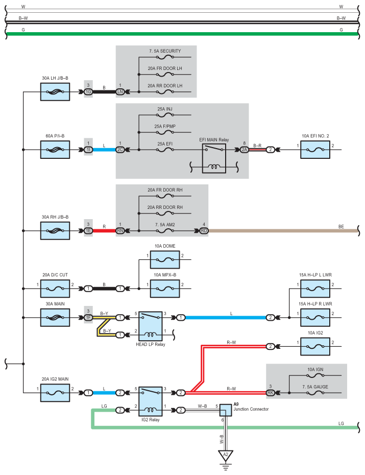
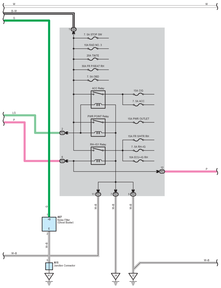
Fig 2: Power Source - Circuit Diagram (2 Of 5)
G07561119Courtesy of © TOYOTA, LICENSE AGREEMENT TMS1002
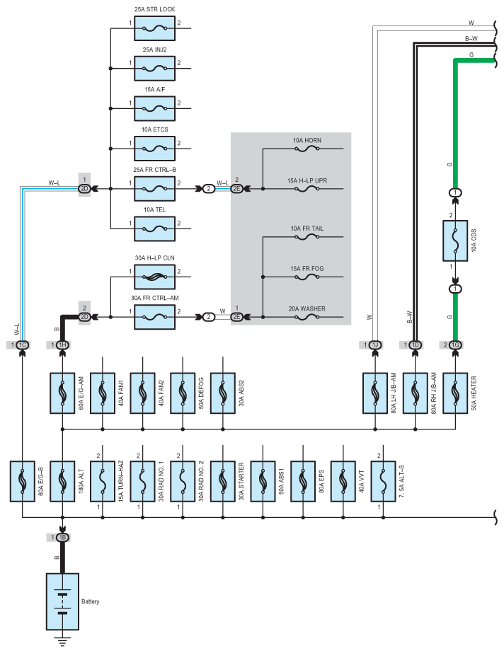
Fig 3: Power Source - Circuit Diagram (3 Of 5)
G07561120Courtesy of © TOYOTA, LICENSE AGREEMENT TMS1002
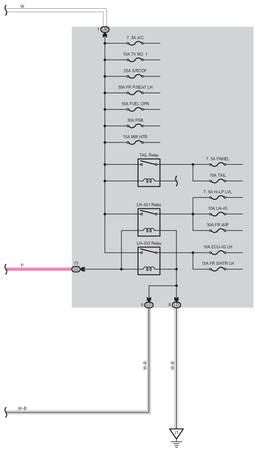
Fig 4: Power Source - Circuit Diagram (4 Of 5)
G07561121Courtesy of © TOYOTA, LICENSE AGREEMENT TMS1002
Fig 5: Power Source - Circuit Diagram (5 Of 5)
G07561122Courtesy of © TOYOTA, LICENSE AGREEMENT TMS1002