LEMON Manuals: Even more car manuals for everyone
Home >> Lexus >> 2010 >> IS 350 >> Repair and Diagnosis (Single Page) >> Engine Performance >> Testing & Diagnosis >> Engine Control System (Diagnostics - Introduction) >> SFI System >> System Diagram >> System Diagram

System Diagram

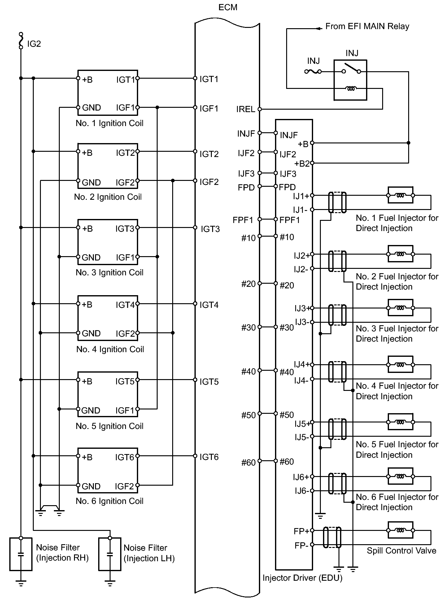
Fig 1: Identifying Engine Control (SFI) System Diagram (1 Of 5)
GTY139482Courtesy of © TOYOTA, LICENSE AGREEMENT TMS1002
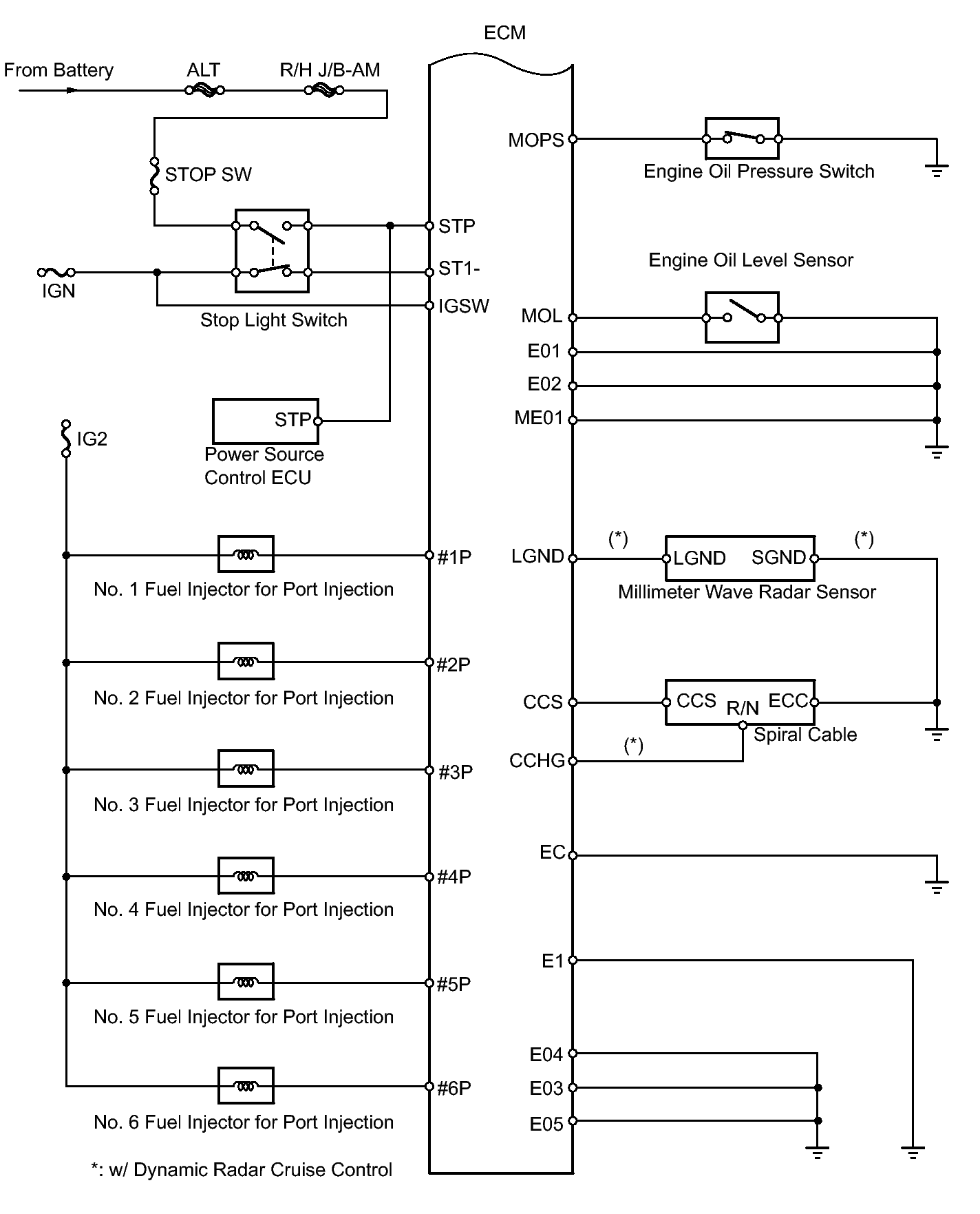
Fig 2: Identifying Engine Control (SFI) System Diagram (2 Of 5)
GTY271907Courtesy of © TOYOTA, LICENSE AGREEMENT TMS1002
Fig 3: Identifying Engine Control (SFI) System Diagram (3 Of 5)
GTY145789Courtesy of © TOYOTA, LICENSE AGREEMENT TMS1002
Fig 4: Identifying Engine Control (SFI) System Diagram (4 Of 5)
GTY267002Courtesy of © TOYOTA, LICENSE AGREEMENT TMS1002
Fig 5: Identifying Engine Control (SFI) System Diagram (5 Of 5)
GTY121462Courtesy of © TOYOTA, LICENSE AGREEMENT TMS1002