LEMON Manuals: Even more car manuals for everyone
Home >> Lexus >> 2010 >> IS 250C Standard >> Repair and Diagnosis >> External Pages >> Different car >> Section 166 (Engine Control System (Diagnostics - Introduction)) >> SFI System >> System Diagram >> System Diagram

System Diagram

WARNING: This page is about a different car, the 2009 Lexus IS 250. However, it is still accessible from the selected car via links, so may be relevant.
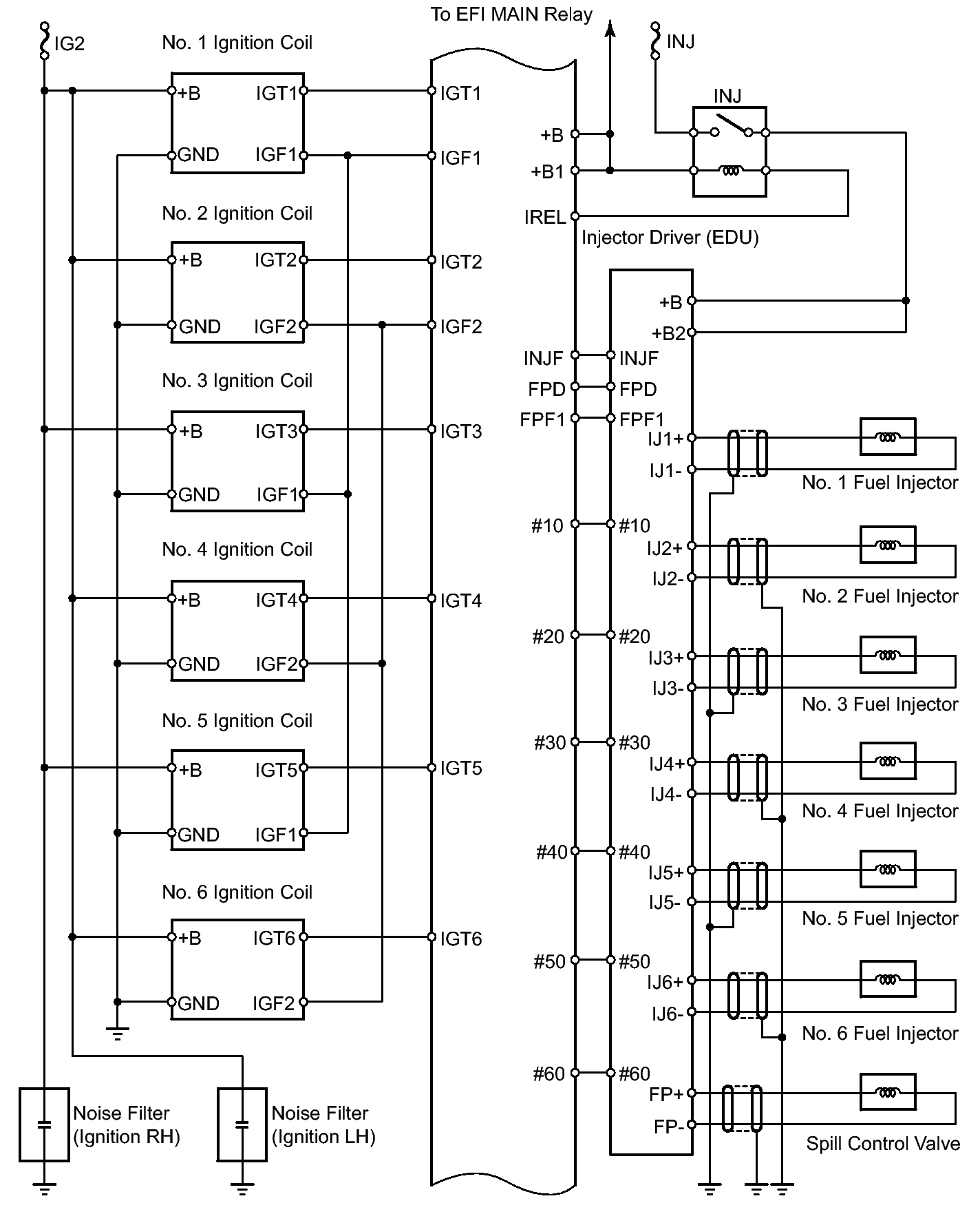
Fig 1: Identifying Engine Control (SFI) System Diagram (1 Of 5)
GTY135164Courtesy of © TOYOTA, LICENSE AGREEMENT TMS1002
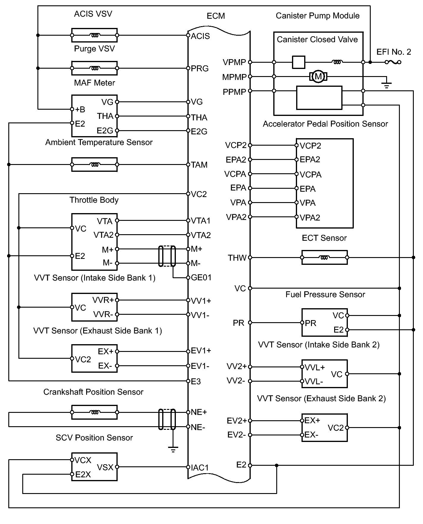
Fig 2: Identifying Engine Control (SFI) System Diagram (2 Of 5)
GTY143855Courtesy of © TOYOTA, LICENSE AGREEMENT TMS1002
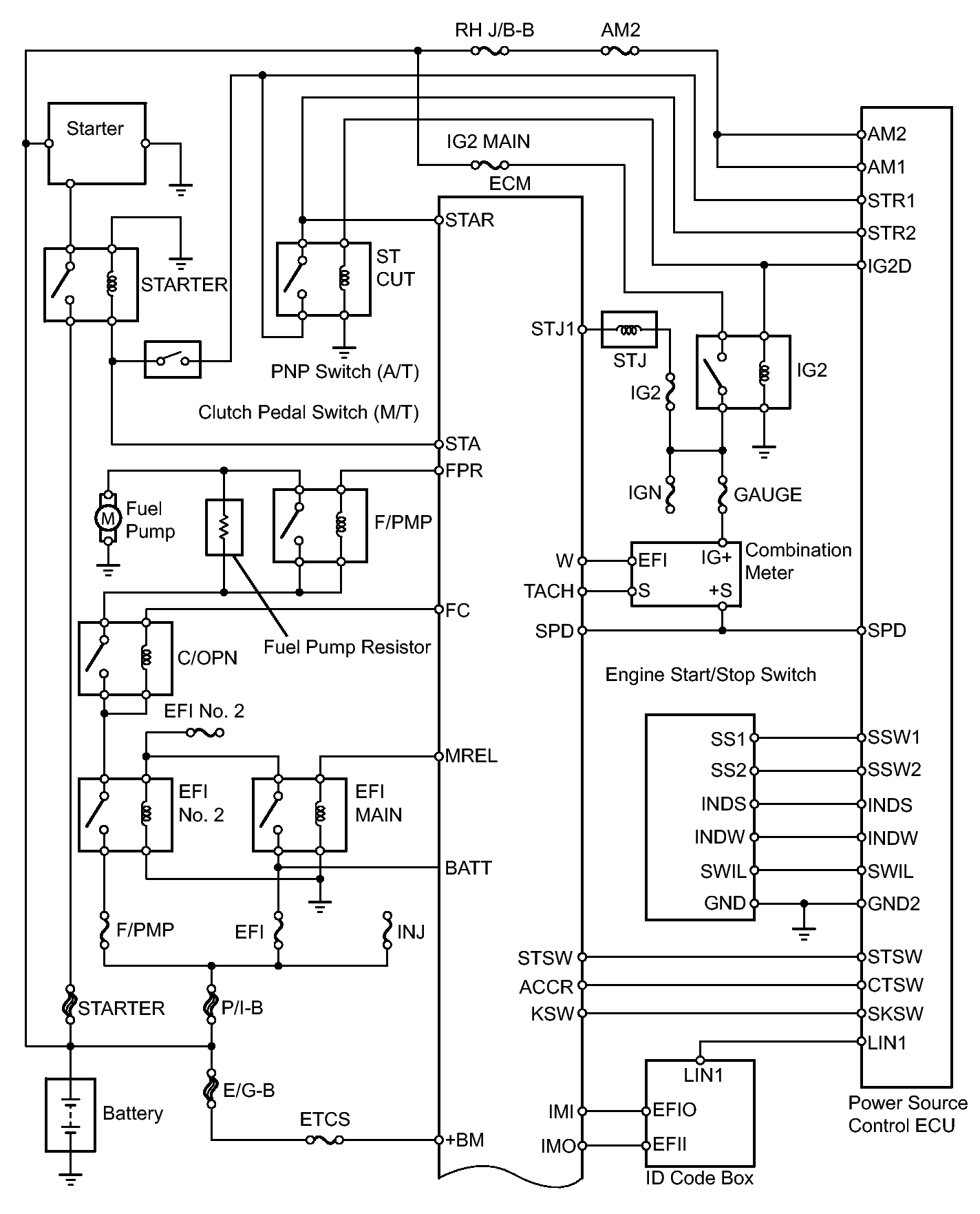
Fig 3: Identifying Engine Control (SFI) System Diagram (3 Of 5)
GTY123059Courtesy of © TOYOTA, LICENSE AGREEMENT TMS1002
Fig 4: Identifying Engine Control (SFI) System Diagram (4 Of 5)
GTY137511Courtesy of © TOYOTA, LICENSE AGREEMENT TMS1002
Fig 5: Identifying Engine Control (SFI) System Diagram (5 Of 5)
GTY141180Courtesy of © TOYOTA, LICENSE AGREEMENT TMS1002