LEMON Manuals: Even more car manuals for everyone
Home >> Lexus >> 2010 >> IS 250C Automatic >> Repair and Diagnosis >> Engine Performance >> System >> Engine Control (Diagnostics - Introduction) >> SFI System >> System Diagram >> System Diagram

System Diagram

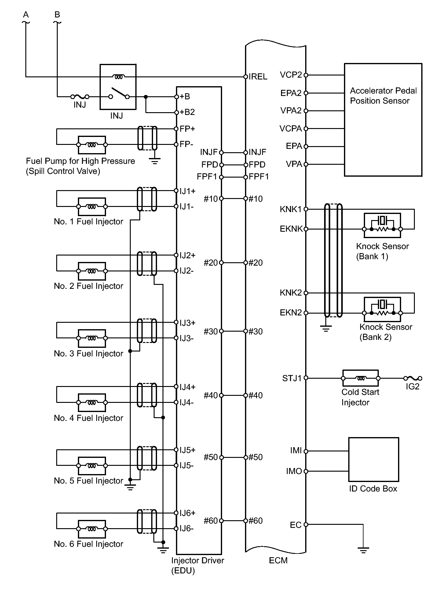
Fig 1: Identifying SFI System Diagram (1 Of 5)
GTY268190Courtesy of © TOYOTA, LICENSE AGREEMENT TMS1002
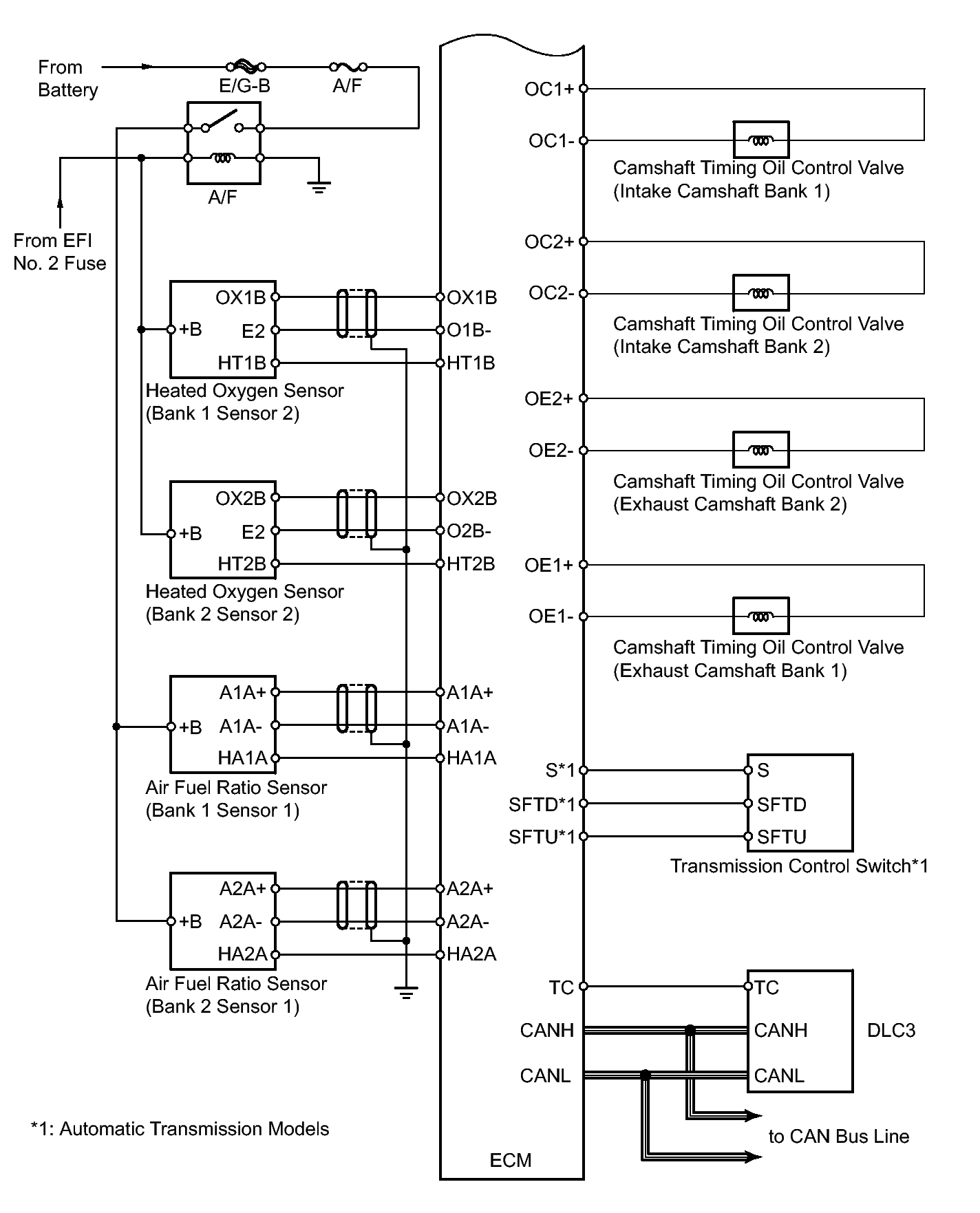
Fig 2: Identifying SFI System Diagram (2 Of 5)
GTY274916Courtesy of © TOYOTA, LICENSE AGREEMENT TMS1002
Fig 3: Identifying SFI System Diagram (3 Of 5)
GTY259094Courtesy of © TOYOTA, LICENSE AGREEMENT TMS1002
Fig 4: Identifying SFI System Diagram (4 Of 5)
GTY266888Courtesy of © TOYOTA, LICENSE AGREEMENT TMS1002
Fig 5: Identifying SFI System Diagram (5 Of 5)
GTY267998Courtesy of © TOYOTA, LICENSE AGREEMENT TMS1002