LEMON Manuals: Even more car manuals for everyone
Home >> Lexus >> 2010 >> IS 250 AWD >> Repair and Diagnosis (Single Page) >> Engine Performance >> System >> Engine Control System (Diagnostic Codes (P0617-U010) & Circuit Tests) >> SFI System >> DTC P2009: Intake Manifold Runner Control Circuit Low (Bank 1); DTC P2010: Intake Manifold Runner Control Circuit High (Bank 1) >> Wiring Diagram

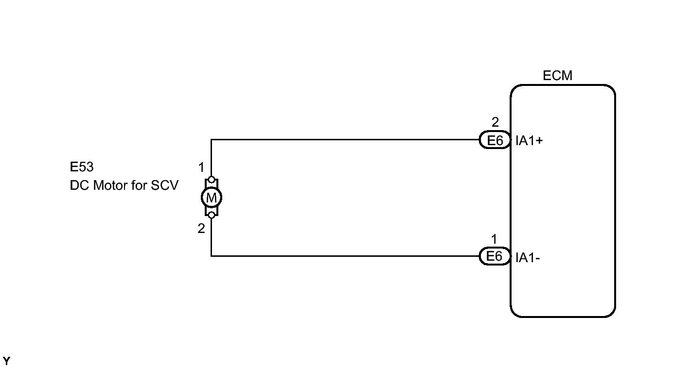
DTC P2009: Intake Manifold Runner Control Circuit Low (Bank 1); DTC P2010: Intake Manifold Runner Control Circuit High (Bank 1): Wiring Diagram

Fig 1: View Of Intake Manifold Runner Control Circuit
GTY276052Courtesy of © TOYOTA, LICENSE AGREEMENT TMS1002