LEMON Manuals: Even more car manuals for everyone
Home >> Lexus >> 2010 >> ES 350 >> Repair and Diagnosis (Single Page) >> Electrical >> Body Electrical >> OEM System Circuits >> Audio System (w/o LEXUS Navigation System) >> Notes

Audio System (w/o LEXUS Navigation System): Notes

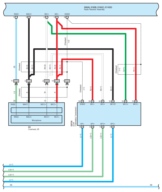
Fig 1: Audio System (w/o Lexus Navigation System) - Circuit Diagram (1 Of 7)
G07550601Courtesy of © TOYOTA, LICENSE AGREEMENT TMS1002
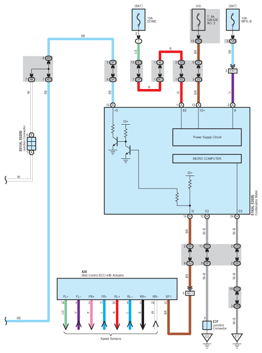
Fig 2: Audio System (w/o Lexus Navigation System) - Circuit Diagram (2 Of 7)
G07550602Courtesy of © TOYOTA, LICENSE AGREEMENT TMS1002
Fig 3: Audio System (w/o Lexus Navigation System) - Circuit Diagram (3 Of 7)
G07550603Courtesy of © TOYOTA, LICENSE AGREEMENT TMS1002
Fig 4: Audio System (w/o Lexus Navigation System) - Circuit Diagram (4 Of 7)
G07550604Courtesy of © TOYOTA, LICENSE AGREEMENT TMS1002
Fig 5: Audio System (w/o Lexus Navigation System) - Circuit Diagram (5 Of 7)
G07550605Courtesy of © TOYOTA, LICENSE AGREEMENT TMS1002
Fig 6: Audio System (w/o Lexus Navigation System) - Circuit Diagram (6 Of 7)
G07550606Courtesy of © TOYOTA, LICENSE AGREEMENT TMS1002
Fig 7: Audio System (w/o Lexus Navigation System) - Circuit Diagram (7 Of 7)
G07550607Courtesy of © TOYOTA, LICENSE AGREEMENT TMS1002