LEMON Manuals: Even more car manuals for everyone
Home >> Lexus >> 2010 >> ES 350 >> Repair and Diagnosis (Single Page) >> Body & Frame >> Windows >> Window Defogger (Diagnostics) >> Window Defogger System >> Rear Window Defogger System does not Operate >> Wiring Diagram

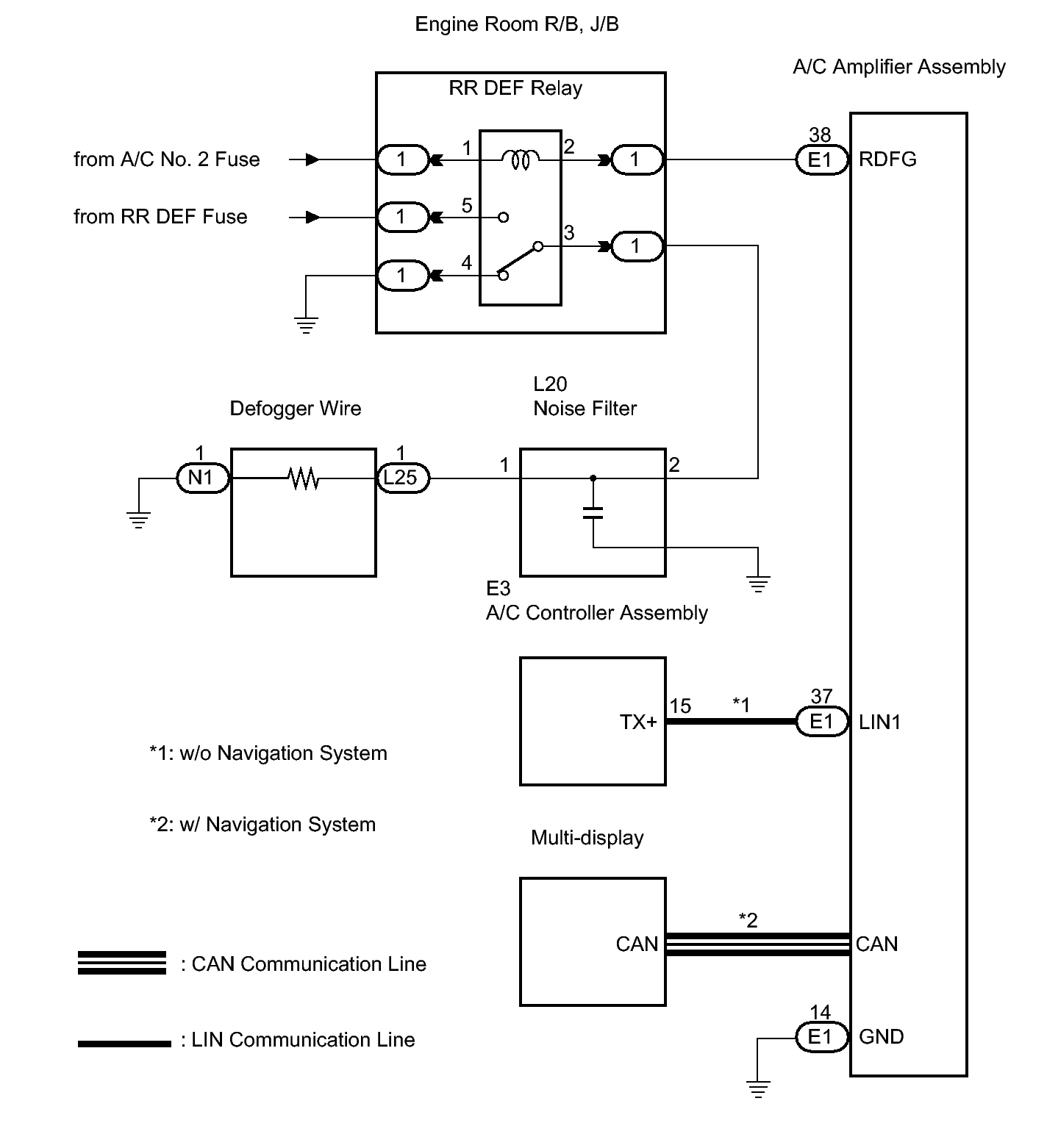
Rear Window Defogger System does not Operate: Wiring Diagram

Fig 1: Rear Window Defogger System Wiring Diagram
GTY129486Courtesy of © TOYOTA, LICENSE AGREEMENT TMS1002