LEMON Manuals: Even more car manuals for everyone
Home >> Lexus >> 2009 >> SC 430 >> Repair and Diagnosis >> External Pages >> Different car >> Section 108 (OEM System Circuits) >> Wireless Door Lock Control >> Notes

Wireless Door Lock Control: Notes

WARNING: This page is about a different car, the 2008 Lexus SC 430. However, it is still accessible from the selected car via links, so may be relevant.
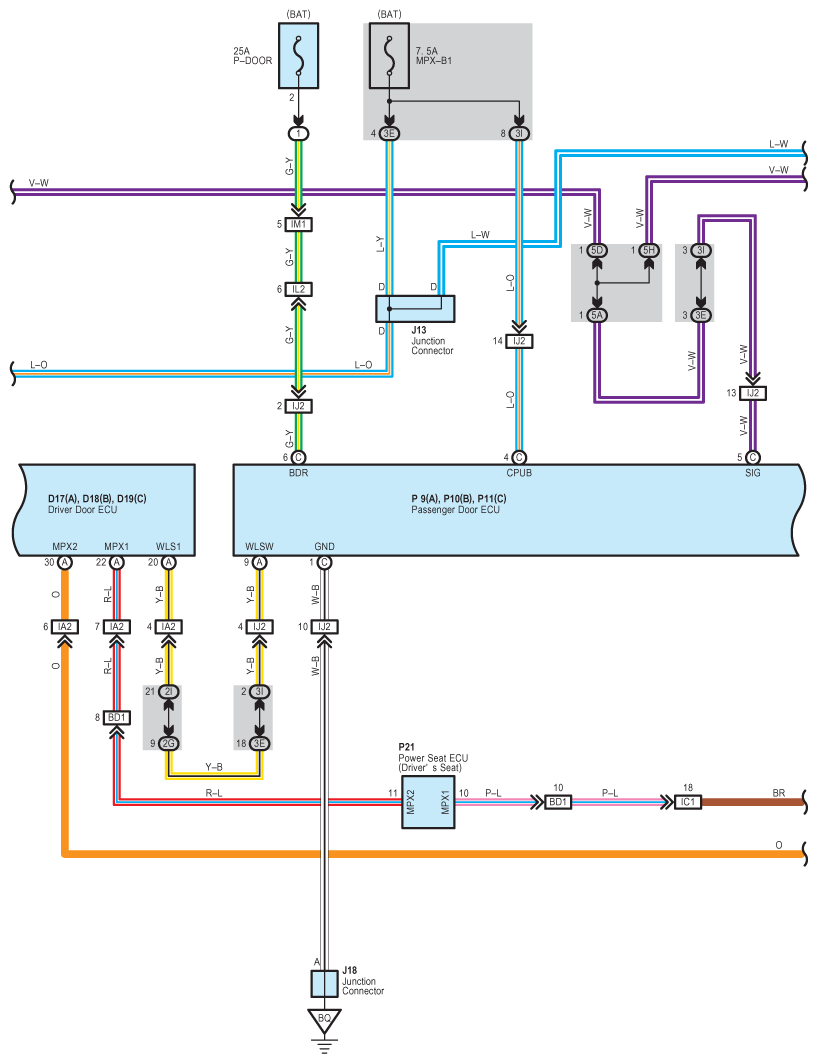
Fig 1: Wireless Door Lock Control - Circuit Diagram (1 Of 4)
G07612004Courtesy of © TOYOTA, LICENSE AGREEMENT TMS1002
Fig 2: Wireless Door Lock Control - Circuit Diagram (2 Of 4)
G07612005Courtesy of © TOYOTA, LICENSE AGREEMENT TMS1002
Fig 3: Wireless Door Lock Control - Circuit Diagram (3 Of 4)
G07612006Courtesy of © TOYOTA, LICENSE AGREEMENT TMS1002
Fig 4: Wireless Door Lock Control - Circuit Diagram (4 Of 4)
G07612007Courtesy of © TOYOTA, LICENSE AGREEMENT TMS1002