LEMON Manuals: Even more car manuals for everyone
Home >> Lexus >> 2009 >> SC 430 >> Repair and Diagnosis >> External Pages >> Different car >> Section 108 (OEM System Circuits) >> Wiper and Washer >> Notes

Wiper and Washer: Notes

WARNING: This page is about a different car, the 2008 Lexus SC 430. However, it is still accessible from the selected car via links, so may be relevant.
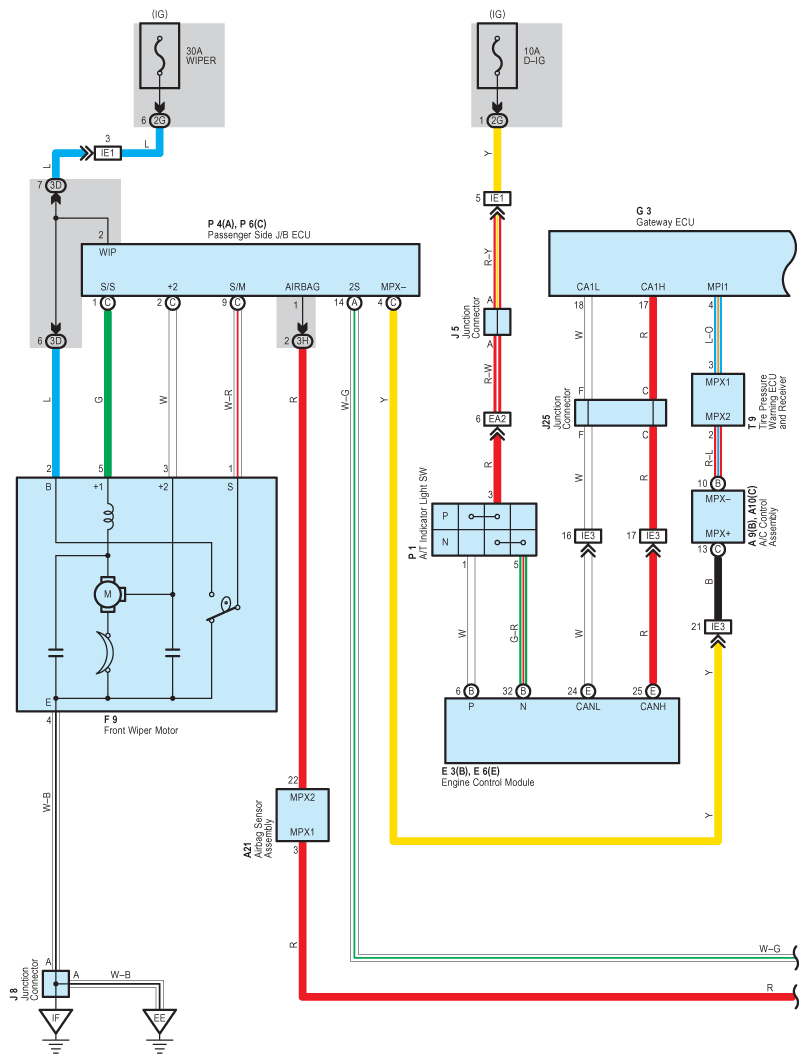
Fig 1: Wiper And Washer - Circuit Diagram (1 Of 3)
G07612032Courtesy of © TOYOTA, LICENSE AGREEMENT TMS1002
Fig 2: Wiper And Washer - Circuit Diagram (2 Of 3)
G07612033Courtesy of © TOYOTA, LICENSE AGREEMENT TMS1002
Fig 3: Wiper And Washer - Circuit Diagram (3 Of 3)
G07612034Courtesy of © TOYOTA, LICENSE AGREEMENT TMS1002