LEMON Manuals: Even more car manuals for everyone
Home >> Lexus >> 2009 >> SC 430 >> Repair and Diagnosis >> External Pages >> Different car >> Section 108 (OEM System Circuits) >> Theft Deterrent and Door Lock Control >> Notes

Theft Deterrent and Door Lock Control: Notes

WARNING: This page is about a different car, the 2008 Lexus SC 430. However, it is still accessible from the selected car via links, so may be relevant.
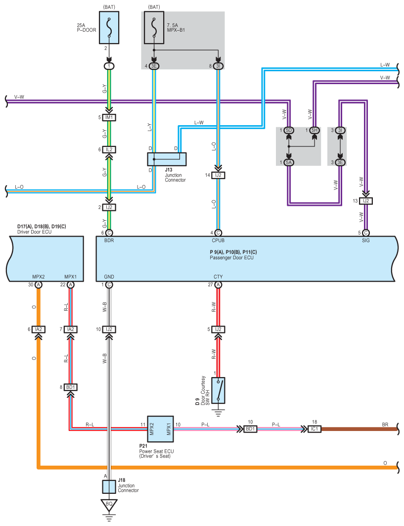
Fig 1: Theft Deterrent And Door Lock Control - Circuit Diagram (1 Of 6)
G07611998Courtesy of © TOYOTA, LICENSE AGREEMENT TMS1002
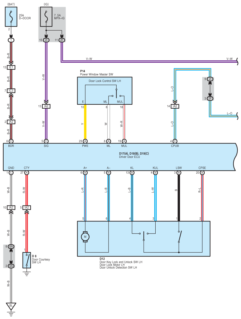
Fig 2: Theft Deterrent And Door Lock Control - Circuit Diagram (2 Of 6)
G07611999Courtesy of © TOYOTA, LICENSE AGREEMENT TMS1002
Fig 3: Theft Deterrent And Door Lock Control - Circuit Diagram (3 Of 6)
G07612000Courtesy of © TOYOTA, LICENSE AGREEMENT TMS1002
Fig 4: Theft Deterrent And Door Lock Control - Circuit Diagram (4 Of 6)
G07612001Courtesy of © TOYOTA, LICENSE AGREEMENT TMS1002
Fig 5: Theft Deterrent And Door Lock Control - Circuit Diagram (5 Of 6)
G07612002Courtesy of © TOYOTA, LICENSE AGREEMENT TMS1002
Fig 6: Theft Deterrent And Door Lock Control - Circuit Diagram (6 Of 6)
G07612003Courtesy of © TOYOTA, LICENSE AGREEMENT TMS1002