LEMON Manuals: Even more car manuals for everyone
Home >> Lexus >> 2009 >> SC 430 >> Repair and Diagnosis >> External Pages >> Different car >> Section 108 (OEM System Circuits) >> Stop Light >> Notes

Stop Light: Notes

WARNING: This page is about a different car, the 2008 Lexus SC 430. However, it is still accessible from the selected car via links, so may be relevant.
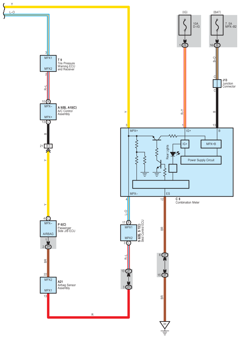
Fig 1: Stop Light - Circuit Diagram (1 Of 2)
G07611979Courtesy of © TOYOTA, LICENSE AGREEMENT TMS1002
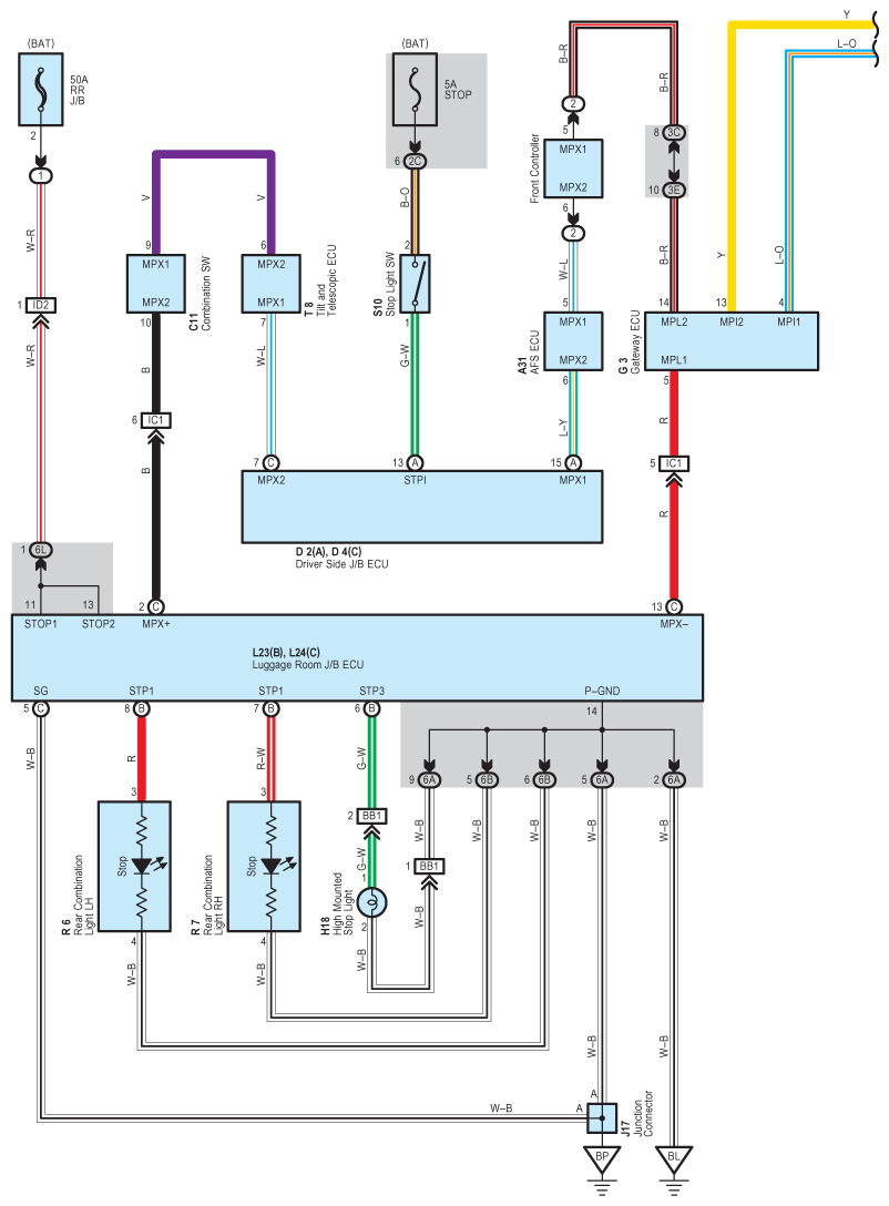
Fig 2: Stop Light - Circuit Diagram (2 Of 2)
G07611980Courtesy of © TOYOTA, LICENSE AGREEMENT TMS1002