LEMON Manuals: Even more car manuals for everyone
Home >> Lexus >> 2009 >> SC 430 >> Repair and Diagnosis >> External Pages >> Different car >> Section 108 (OEM System Circuits) >> Retractable Hardtop >> Notes

Retractable Hardtop: Notes

WARNING: This page is about a different car, the 2008 Lexus SC 430. However, it is still accessible from the selected car via links, so may be relevant.
Fig 1: Retractable Hardtop - Circuit Diagram (1 Of 7)
G07612012Courtesy of © TOYOTA, LICENSE AGREEMENT TMS1002
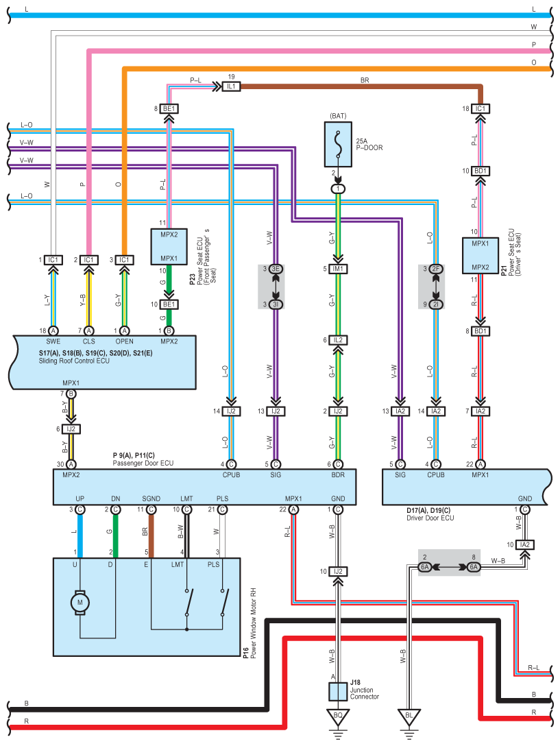
Fig 2: Retractable Hardtop - Circuit Diagram (2 Of 7)
G07612013Courtesy of © TOYOTA, LICENSE AGREEMENT TMS1002
Fig 3: Retractable Hardtop - Circuit Diagram (3 Of 7)
G07612014Courtesy of © TOYOTA, LICENSE AGREEMENT TMS1002
Fig 4: Retractable Hardtop - Circuit Diagram (4 Of 7)
G07612015Courtesy of © TOYOTA, LICENSE AGREEMENT TMS1002
Fig 5: Retractable Hardtop - Circuit Diagram (5 Of 7)
G07612016Courtesy of © TOYOTA, LICENSE AGREEMENT TMS1002
Fig 6: Retractable Hardtop - Circuit Diagram (6 Of 7)
G07612017Courtesy of © TOYOTA, LICENSE AGREEMENT TMS1002
Fig 7: Retractable Hardtop - Circuit Diagram (7 Of 7)
G07612018Courtesy of © TOYOTA, LICENSE AGREEMENT TMS1002