LEMON Manuals: Even more car manuals for everyone
Home >> Lexus >> 2009 >> SC 430 >> Repair and Diagnosis >> External Pages >> Different car >> Section 108 (OEM System Circuits) >> Radiator Fan >> Notes

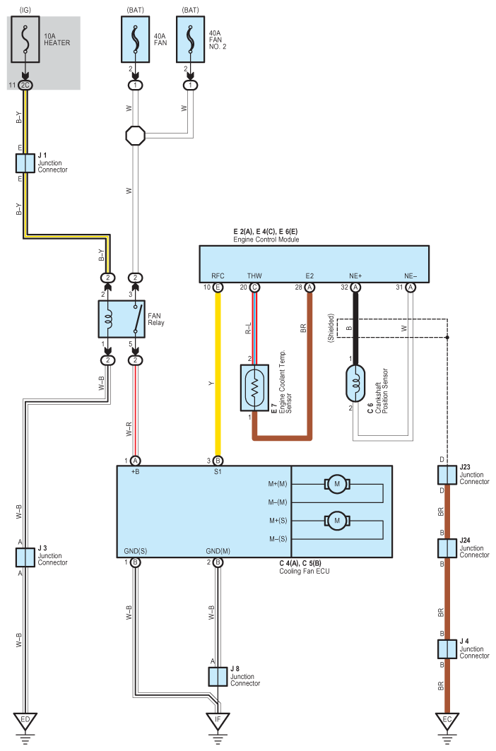
Radiator Fan: Notes

WARNING: This page is about a different car, the 2008 Lexus SC 430. However, it is still accessible from the selected car via links, so may be relevant.
Fig 1: Radiator Fan - Circuit Diagram
G07612094Courtesy of © TOYOTA, LICENSE AGREEMENT TMS1002