LEMON Manuals: Even more car manuals for everyone
Home >> Lexus >> 2009 >> SC 430 >> Repair and Diagnosis >> External Pages >> Different car >> Section 108 (OEM System Circuits) >> Power Window >> Notes

Power Window: Notes

WARNING: This page is about a different car, the 2008 Lexus SC 430. However, it is still accessible from the selected car via links, so may be relevant.
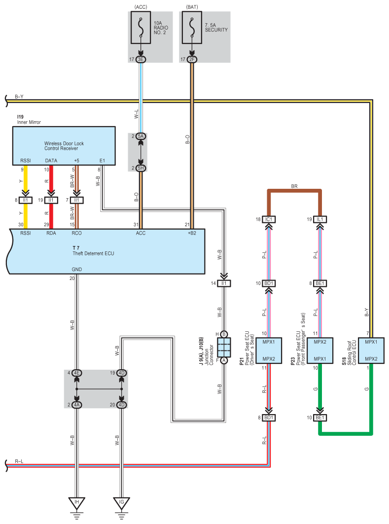
Fig 1: Power Window - Circuit Diagram (1 Of 4)
G07612008Courtesy of © TOYOTA, LICENSE AGREEMENT TMS1002
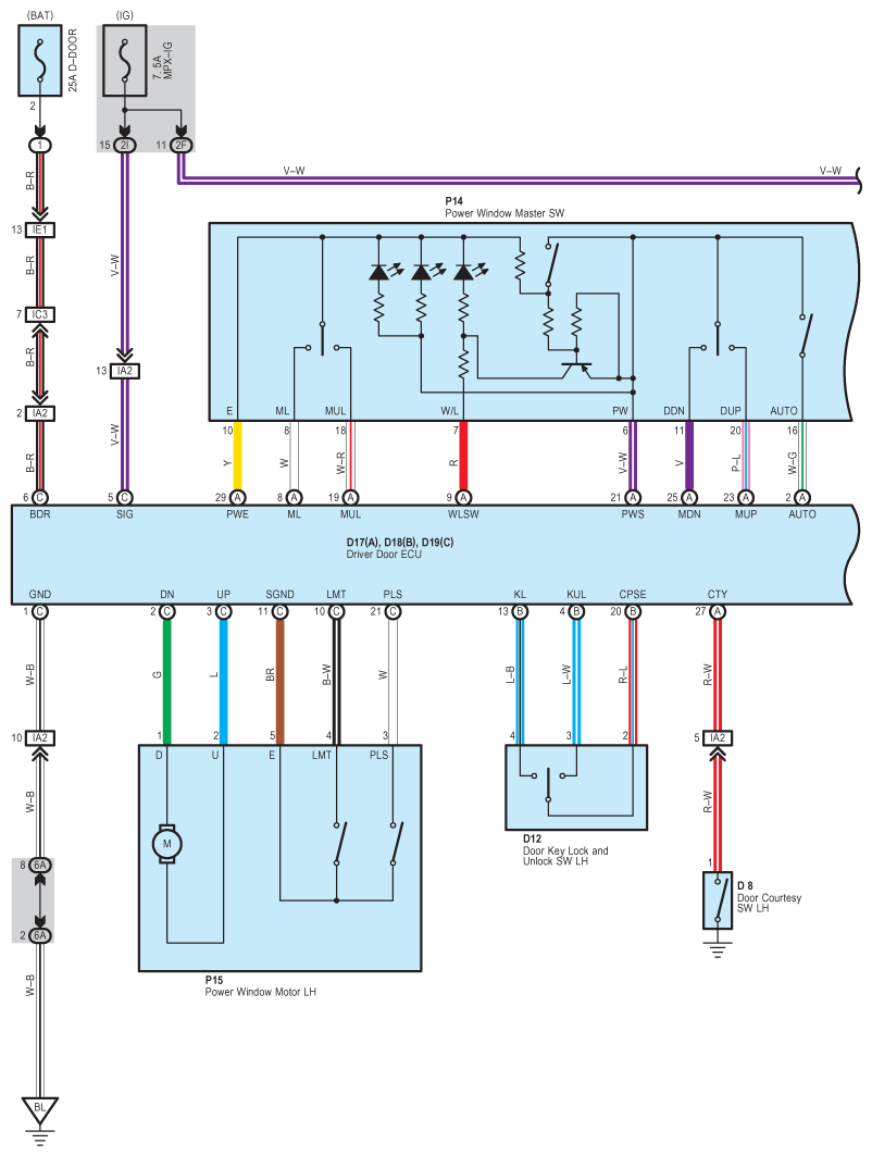
Fig 2: Power Window - Circuit Diagram (2 Of 4)
G07612009Courtesy of © TOYOTA, LICENSE AGREEMENT TMS1002
Fig 3: Power Window - Circuit Diagram (3 Of 4)
G07612010Courtesy of © TOYOTA, LICENSE AGREEMENT TMS1002
Fig 4: Power Window - Circuit Diagram (4 Of 4)
G07612011Courtesy of © TOYOTA, LICENSE AGREEMENT TMS1002