LEMON Manuals: Even more car manuals for everyone
Home >> Lexus >> 2009 >> SC 430 >> Repair and Diagnosis >> External Pages >> Different car >> Section 108 (OEM System Circuits) >> ABS, TRAC, VSC and PPS >> Notes

ABS, TRAC, VSC and PPS: Notes

WARNING: This page is about a different car, the 2008 Lexus SC 430. However, it is still accessible from the selected car via links, so may be relevant.
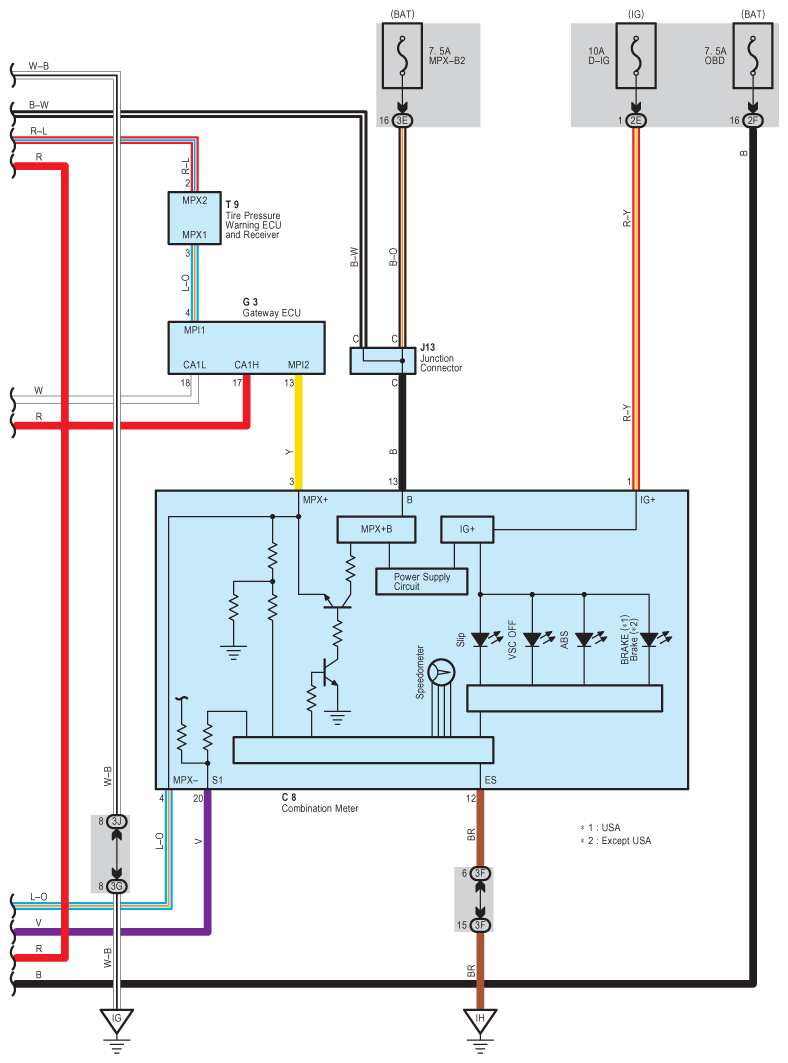
Fig 1: ABS, TRAC, VSC And PPS - Circuit Diagram (1 Of 5)
G07612046Courtesy of © TOYOTA, LICENSE AGREEMENT TMS1002
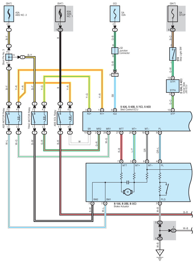
Fig 2: ABS, TRAC, VSC And PPS - Circuit Diagram (2 Of 5)
G07612047Courtesy of © TOYOTA, LICENSE AGREEMENT TMS1002
Fig 3: ABS, TRAC, VSC And PPS - Circuit Diagram (3 Of 5)
G07612048Courtesy of © TOYOTA, LICENSE AGREEMENT TMS1002
Fig 4: ABS, TRAC, VSC And PPS - Circuit Diagram (4 Of 5)
G07612049Courtesy of © TOYOTA, LICENSE AGREEMENT TMS1002
Fig 5: ABS, TRAC, VSC And PPS - Circuit Diagram (5 Of 5)
G07612050Courtesy of © TOYOTA, LICENSE AGREEMENT TMS1002