LEMON Manuals: Even more car manuals for everyone
Home >> Lexus >> 2009 >> SC 430 >> Repair and Diagnosis >> Electrical >> Body Electrical >> OEM System Circuits >> Wireless Door Lock Control >> Notes

Wireless Door Lock Control: Notes

Fig 1: Wireless Door Lock Control - Circuit Diagram (1 Of 4)
G07607739Courtesy of © TOYOTA, LICENSE AGREEMENT TMS1002
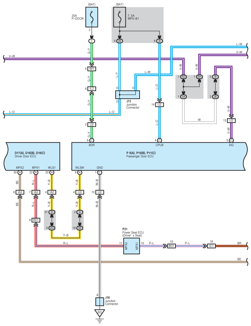
Fig 2: Wireless Door Lock Control - Circuit Diagram (2 Of 4)
G07607740Courtesy of © TOYOTA, LICENSE AGREEMENT TMS1002
Fig 3: Wireless Door Lock Control - Circuit Diagram (3 Of 4)
G07607741Courtesy of © TOYOTA, LICENSE AGREEMENT TMS1002
Fig 4: Wireless Door Lock Control - Circuit Diagram (4 Of 4)
G07607742Courtesy of © TOYOTA, LICENSE AGREEMENT TMS1002