LEMON Manuals: Even more car manuals for everyone
Home >> Lexus >> 2009 >> SC 430 >> Repair and Diagnosis >> Electrical >> Body Electrical >> OEM System Circuits >> Combination Meter >> Notes

Combination Meter: Notes

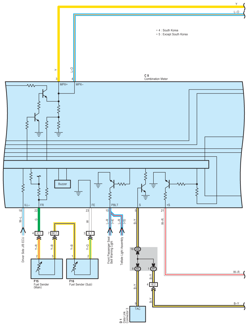
Fig 1: Combination Meter - Circuit Diagram (1 Of 6)
G07607824Courtesy of © TOYOTA, LICENSE AGREEMENT TMS1002
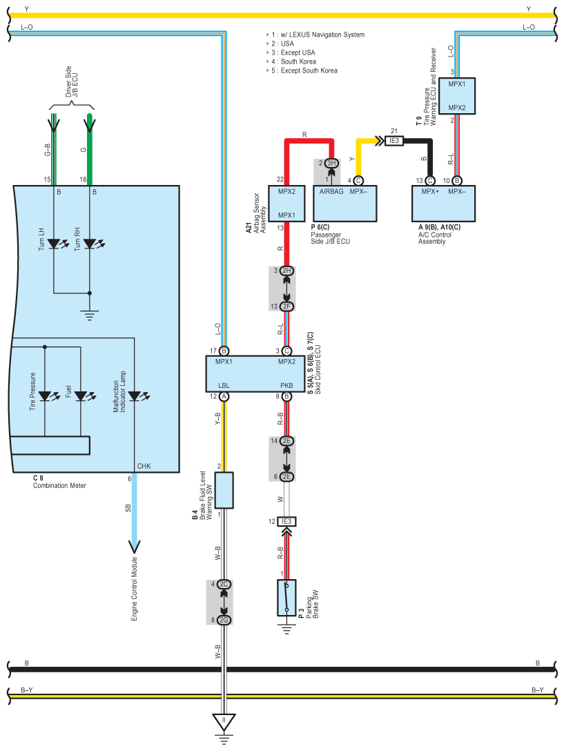
Fig 2: Combination Meter - Circuit Diagram (2 Of 6)
G07607825Courtesy of © TOYOTA, LICENSE AGREEMENT TMS1002
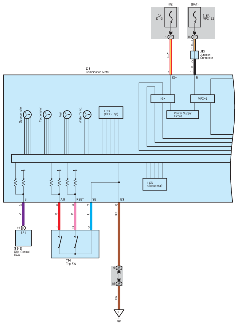
Fig 3: Combination Meter - Circuit Diagram (3 Of 6)
G07607826Courtesy of © TOYOTA, LICENSE AGREEMENT TMS1002
Fig 4: Combination Meter - Circuit Diagram (4 Of 6)
G07607827Courtesy of © TOYOTA, LICENSE AGREEMENT TMS1002
Fig 5: Combination Meter - Circuit Diagram (5 Of 6)
G07607828Courtesy of © TOYOTA, LICENSE AGREEMENT TMS1002
Fig 6: Combination Meter - Circuit Diagram (6 Of 6)
G07607829Courtesy of © TOYOTA, LICENSE AGREEMENT TMS1002