LEMON Manuals: Even more car manuals for everyone
Home >> Lexus >> 2009 >> SC 430 >> Repair and Diagnosis (Single Page) >> Electrical >> Body Electrical >> OEM System Circuits >> Multiplex Communication System (Junction Block ECU) >> Notes

Multiplex Communication System (Junction Block ECU): Notes

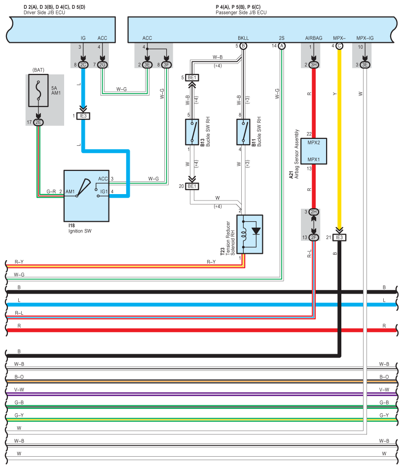
Fig 1: Multiplex Communication System (J/B ECU) - Circuit Diagram (1 Of 20)
G07607679Courtesy of © TOYOTA, LICENSE AGREEMENT TMS1002
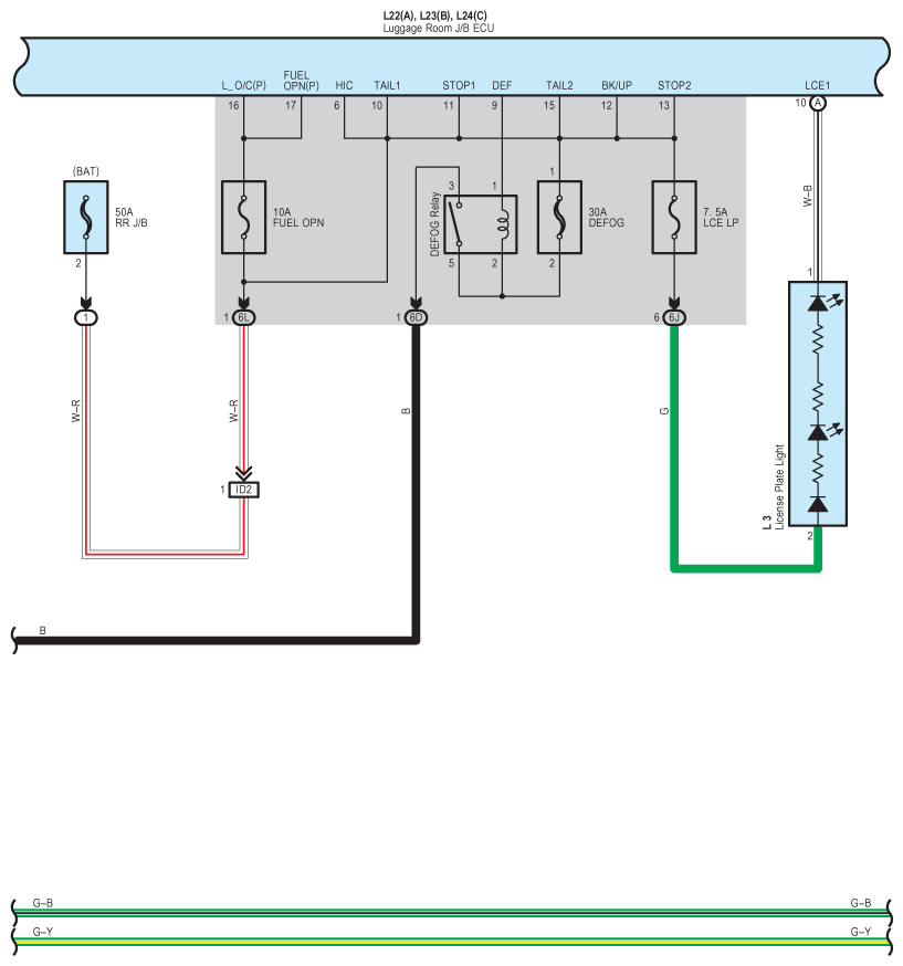
Fig 2: Multiplex Communication System (J/B ECU) - Circuit Diagram (2 Of 20)
G07607680Courtesy of © TOYOTA, LICENSE AGREEMENT TMS1002
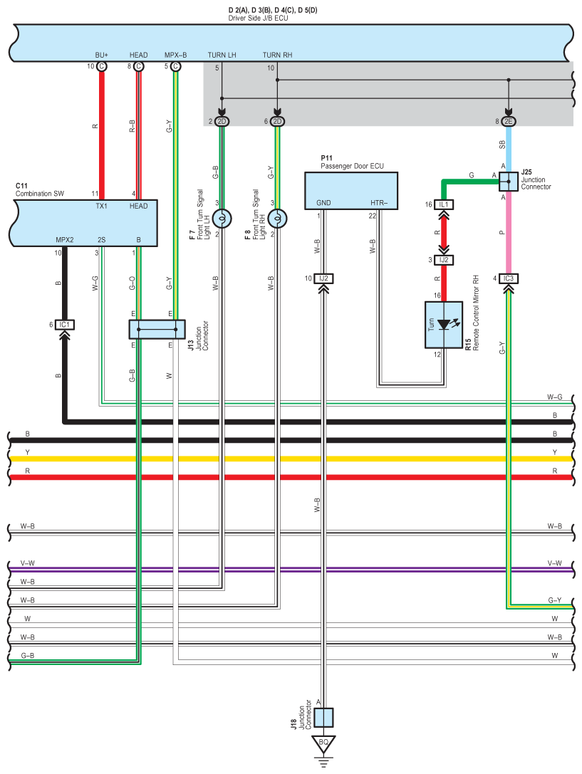
Fig 3: Multiplex Communication System (J/B ECU) - Circuit Diagram (3 Of 20)
G07607681Courtesy of © TOYOTA, LICENSE AGREEMENT TMS1002
Fig 4: Multiplex Communication System (J/B ECU) - Circuit Diagram (4 Of 20)
G07607682Courtesy of © TOYOTA, LICENSE AGREEMENT TMS1002
Fig 5: Multiplex Communication System (J/B ECU) - Circuit Diagram (5 Of 20)
G07607683Courtesy of © TOYOTA, LICENSE AGREEMENT TMS1002
Fig 6: Multiplex Communication System (J/B ECU) - Circuit Diagram (6 Of 20)
G07607684Courtesy of © TOYOTA, LICENSE AGREEMENT TMS1002
Fig 7: Multiplex Communication System (J/B ECU) - Circuit Diagram (7 Of 20)
G07607685Courtesy of © TOYOTA, LICENSE AGREEMENT TMS1002
Fig 8: Multiplex Communication System (J/B ECU) - Circuit Diagram (8 Of 20)
G07607686Courtesy of © TOYOTA, LICENSE AGREEMENT TMS1002
Fig 9: Multiplex Communication System (J/B ECU) - Circuit Diagram (9 Of 20)
G07607687Courtesy of © TOYOTA, LICENSE AGREEMENT TMS1002
Fig 10: Multiplex Communication System (J/B ECU) - Circuit Diagram (10 Of 20)
G07607688Courtesy of © TOYOTA, LICENSE AGREEMENT TMS1002
Fig 11: Multiplex Communication System (J/B ECU) - Circuit Diagram (11 Of 20)
G07607689Courtesy of © TOYOTA, LICENSE AGREEMENT TMS1002
Fig 12: Multiplex Communication System (J/B ECU) - Circuit Diagram (12 Of 20)
G07607690Courtesy of © TOYOTA, LICENSE AGREEMENT TMS1002
Fig 13: Multiplex Communication System (J/B ECU) - Circuit Diagram (13 Of 20)
G07607691Courtesy of © TOYOTA, LICENSE AGREEMENT TMS1002
Fig 14: Multiplex Communication System (J/B ECU) - Circuit Diagram (14 Of 20)
G07607692Courtesy of © TOYOTA, LICENSE AGREEMENT TMS1002
Fig 15: Multiplex Communication System (J/B ECU) - Circuit Diagram (15 Of 20)
G07607693Courtesy of © TOYOTA, LICENSE AGREEMENT TMS1002
Fig 16: Multiplex Communication System (J/B ECU) - Circuit Diagram (16 Of 20)
G07607694Courtesy of © TOYOTA, LICENSE AGREEMENT TMS1002
Fig 17: Multiplex Communication System (J/B ECU) - Circuit Diagram (17 Of 20)
G07607695Courtesy of © TOYOTA, LICENSE AGREEMENT TMS1002
Fig 18: Multiplex Communication System (J/B ECU) - Circuit Diagram (18 Of 20)
G07607696Courtesy of © TOYOTA, LICENSE AGREEMENT TMS1002
Fig 19: Multiplex Communication System (J/B ECU) - Circuit Diagram (19 Of 20)
G07607697Courtesy of © TOYOTA, LICENSE AGREEMENT TMS1002
Fig 20: Multiplex Communication System (J/B ECU) - Circuit Diagram (20 Of 20)
G07607698Courtesy of © TOYOTA, LICENSE AGREEMENT TMS1002