LEMON Manuals: Even more car manuals for everyone
Home >> Lexus >> 2009 >> SC 430 >> Repair and Diagnosis (Single Page) >> Electrical >> Body Electrical >> OEM System Circuits >> Audio System >> Notes

Audio System: Notes

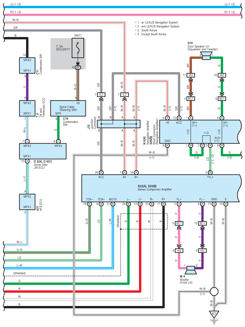
Fig 1: Audio System - Circuit Diagram (1 Of 3)
G07607820Courtesy of © TOYOTA, LICENSE AGREEMENT TMS1002
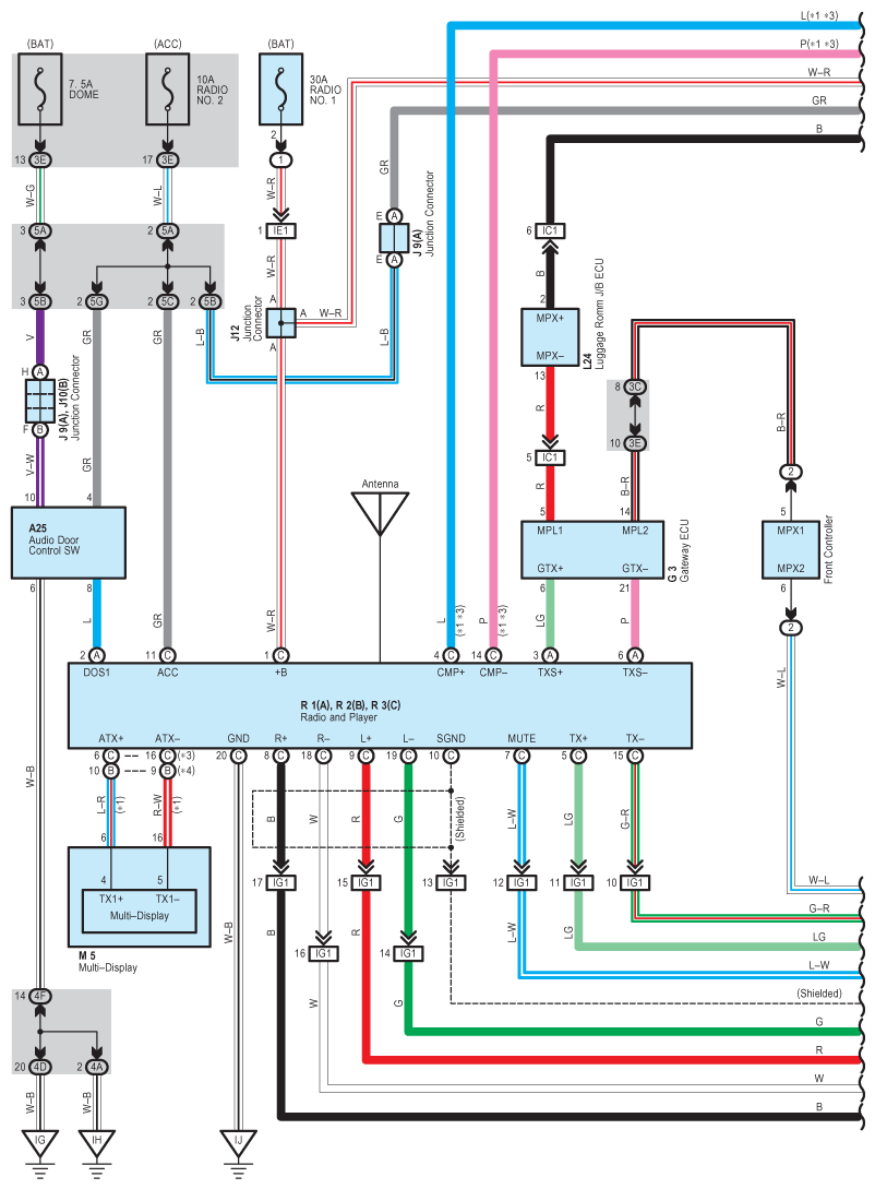
Fig 2: Audio System - Circuit Diagram (2 Of 3)
G07607821Courtesy of © TOYOTA, LICENSE AGREEMENT TMS1002
Fig 3: Audio System - Circuit Diagram (3 Of 3)
G07607822Courtesy of © TOYOTA, LICENSE AGREEMENT TMS1002