LEMON Manuals: Even more car manuals for everyone
Home >> Lexus >> 2009 >> LS 460L AWD >> Repair and Diagnosis >> External Pages >> Different car >> Section 141 (Engine Control System (Diagnostics - Introduction)) >> SFI System >> System Diagram >> System Diagram

System Diagram

WARNING: This page is about a different car, the 2010 Lexus LS 460L and 2010 Lexus LS 460. However, it is still accessible from the selected car via links, so may be relevant.
Fig 1: SFI System Diagram (1 Of 7)
GTY288146Courtesy of © TOYOTA, LICENSE AGREEMENT TMS1002
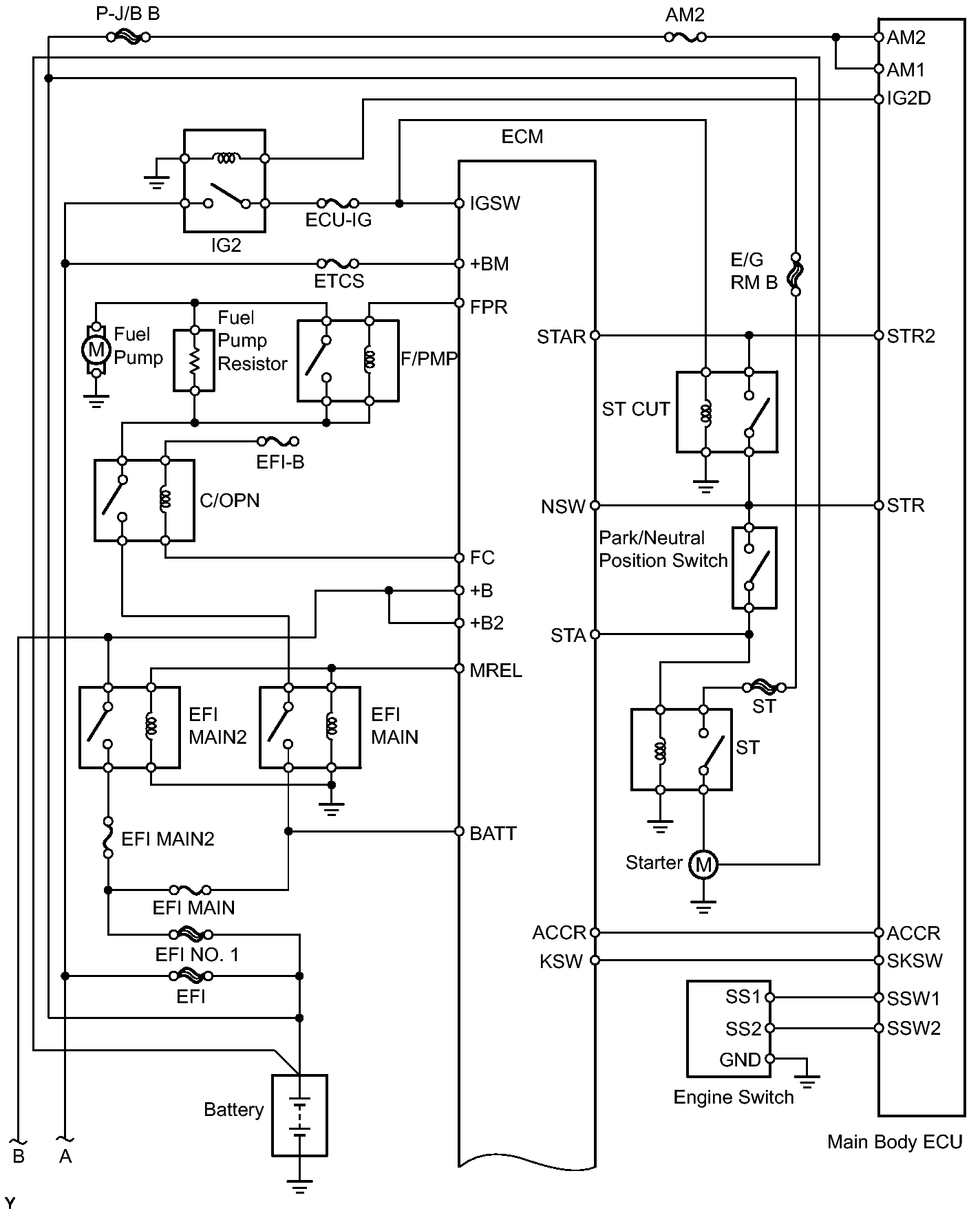
Fig 2: SFI System Diagram (2 Of 7)
GTY261655Courtesy of © TOYOTA, LICENSE AGREEMENT TMS1002
Fig 3: SFI System Diagram (3 Of 7)
GTY288147Courtesy of © TOYOTA, LICENSE AGREEMENT TMS1002
Fig 4: SFI System Diagram (4 Of 7)
GTY277682Courtesy of © TOYOTA, LICENSE AGREEMENT TMS1002
Fig 5: SFI System Diagram (5 Of 7)
GTY268179Courtesy of © TOYOTA, LICENSE AGREEMENT TMS1002
Fig 6: SFI System Diagram (6 Of 7)
GTY288148Courtesy of © TOYOTA, LICENSE AGREEMENT TMS1002
Fig 7: SFI System Diagram (7 Of 7)
GTY261440Courtesy of © TOYOTA, LICENSE AGREEMENT TMS1002