LEMON Manuals: Even more car manuals for everyone
Home >> Lexus >> 2009 >> LS 460 RWD >> Repair and Diagnosis >> Engine Performance >> System >> Engine Control System - System Testing; Component Inspection, Removal & Installation >> VC Output Circuit >> Wiring Diagram

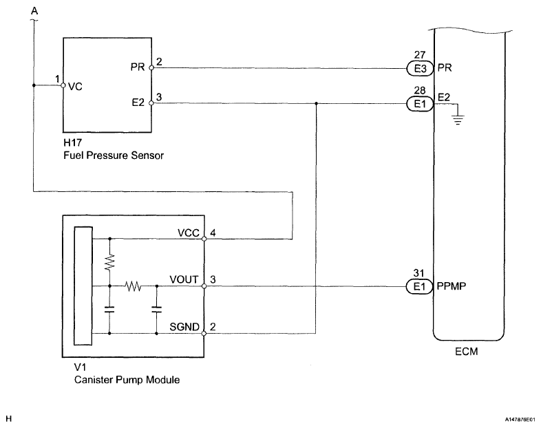
VC Output Circuit: Wiring Diagram

Fig 1: Accelerator Pedal Position Sensor - Wiring Diagram (1 Of 3)
G06190097Courtesy of © TOYOTA, LICENSE AGREEMENT TMS1002
Fig 2: Accelerator Pedal Position Sensor - Wiring Diagram (2 Of 3)
G06190098Courtesy of © TOYOTA, LICENSE AGREEMENT TMS1002
Fig 3: Accelerator Pedal Position Sensor - Wiring Diagram (3 Of 3)
G06190099Courtesy of © TOYOTA, LICENSE AGREEMENT TMS1002