LEMON Manuals: Even more car manuals for everyone
Home >> Lexus >> 2009 >> LS 460 AWD >> Repair and Diagnosis (Single Page) >> Electrical >> Motors, Switches, Relays >> OEM System Circuits >> Smart Access System with Push-Button Start >> Notes

Smart Access System with Push-Button Start: Notes

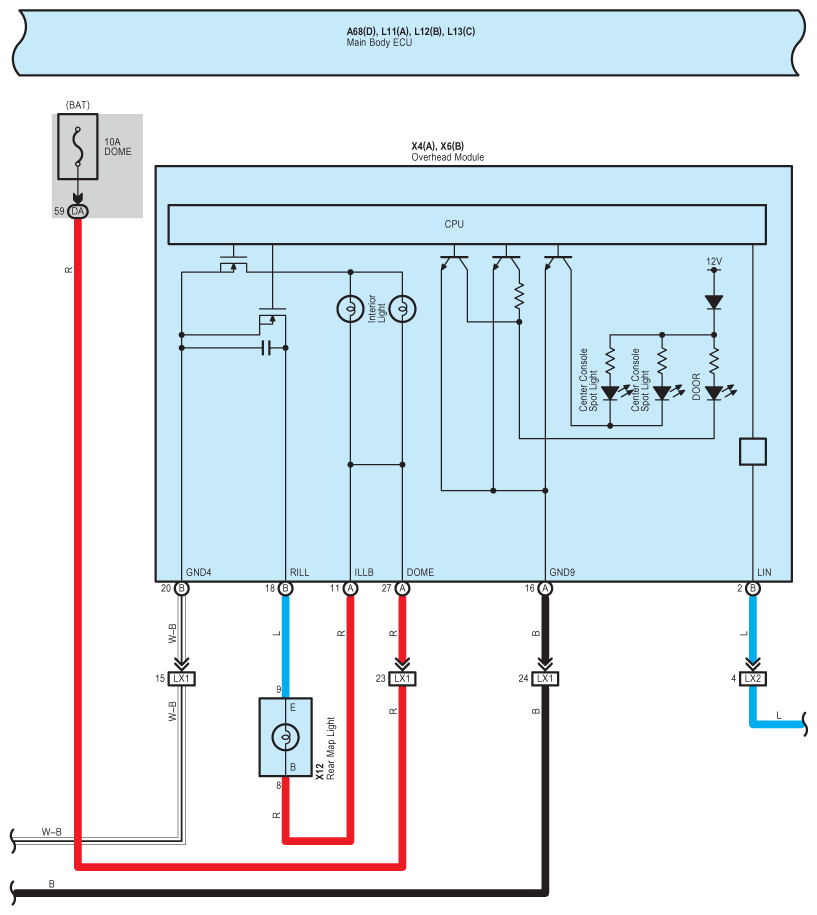
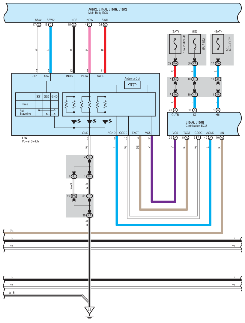
Fig 1: Smart Access System With Push-Button Start - Circuit Diagram (1 Of 25)
G07589341Courtesy of © TOYOTA, LICENSE AGREEMENT TMS1002
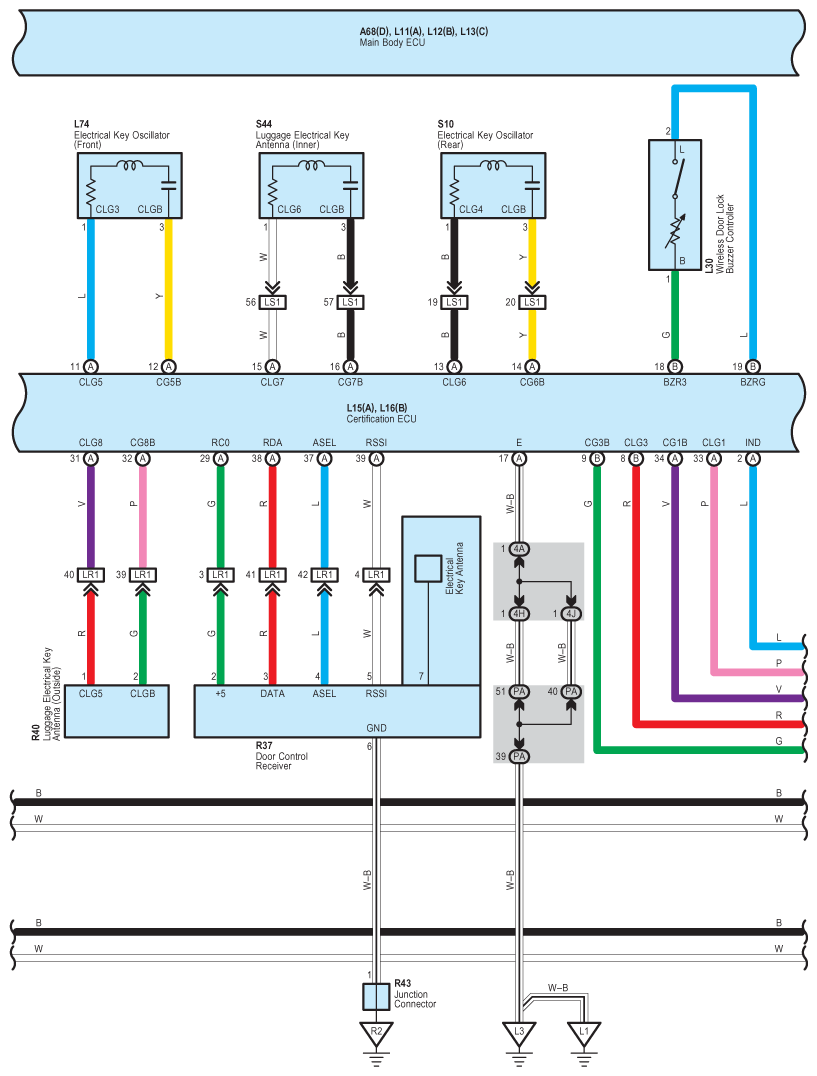
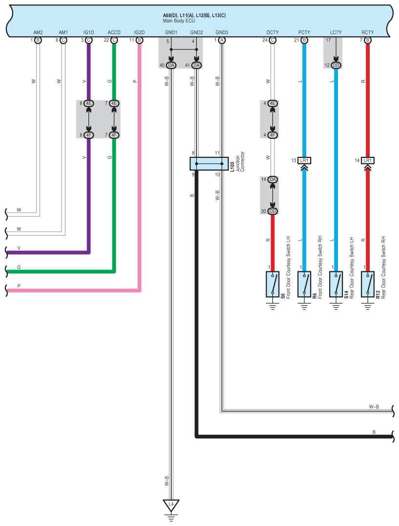
Fig 2: Smart Access System With Push-Button Start - Circuit Diagram (2 Of 25)
G07589342Courtesy of © TOYOTA, LICENSE AGREEMENT TMS1002
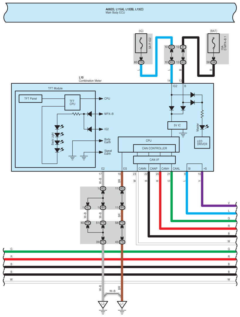
Fig 3: Smart Access System With Push-Button Start - Circuit Diagram (3 Of 25)
G07589343Courtesy of © TOYOTA, LICENSE AGREEMENT TMS1002
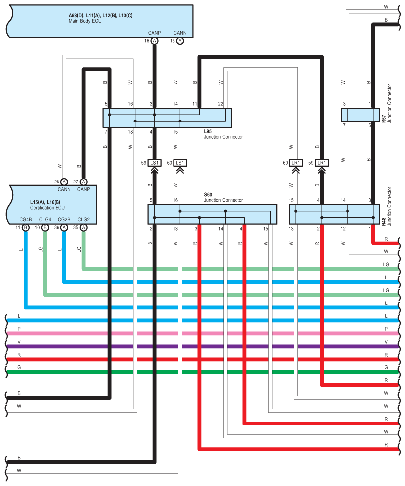
Fig 4: Smart Access System With Push-Button Start - Circuit Diagram (4 Of 25)
G07589344Courtesy of © TOYOTA, LICENSE AGREEMENT TMS1002
Fig 5: Smart Access System With Push-Button Start - Circuit Diagram (5 Of 25)
G07589345Courtesy of © TOYOTA, LICENSE AGREEMENT TMS1002
Fig 6: Smart Access System With Push-Button Start - Circuit Diagram (6 Of 25)
G07589346Courtesy of © TOYOTA, LICENSE AGREEMENT TMS1002
Fig 7: Smart Access System With Push-Button Start - Circuit Diagram (7 Of 25)
G07589347Courtesy of © TOYOTA, LICENSE AGREEMENT TMS1002
Fig 8: Smart Access System With Push-Button Start - Circuit Diagram (8 Of 25)
G07589348Courtesy of © TOYOTA, LICENSE AGREEMENT TMS1002
Fig 9: Smart Access System With Push-Button Start - Circuit Diagram (9 Of 25)
G07589349Courtesy of © TOYOTA, LICENSE AGREEMENT TMS1002
Fig 10: Smart Access System With Push-Button Start - Circuit Diagram (10 Of 25)
G07589350Courtesy of © TOYOTA, LICENSE AGREEMENT TMS1002
Fig 11: Smart Access System With Push-Button Start - Circuit Diagram (11 Of 25)
G07589351Courtesy of © TOYOTA, LICENSE AGREEMENT TMS1002
Fig 12: Smart Access System With Push-Button Start - Circuit Diagram (12 Of 25)
G07589352Courtesy of © TOYOTA, LICENSE AGREEMENT TMS1002
Fig 13: Smart Access System With Push-Button Start - Circuit Diagram (13 Of 25)
G07589353Courtesy of © TOYOTA, LICENSE AGREEMENT TMS1002
Fig 14: Smart Access System With Push-Button Start - Circuit Diagram (14 Of 25)
G07589354Courtesy of © TOYOTA, LICENSE AGREEMENT TMS1002
Fig 15: Smart Access System With Push-Button Start - Circuit Diagram (15 Of 25)
G07589355Courtesy of © TOYOTA, LICENSE AGREEMENT TMS1002
Fig 16: Smart Access System With Push-Button Start - Circuit Diagram (16 Of 25)
G07589356Courtesy of © TOYOTA, LICENSE AGREEMENT TMS1002
Fig 17: Smart Access System With Push-Button Start - Circuit Diagram (17 Of 25)
G07589357Courtesy of © TOYOTA, LICENSE AGREEMENT TMS1002
Fig 18: Smart Access System With Push-Button Start - Circuit Diagram (18 Of 25)
G07589358Courtesy of © TOYOTA, LICENSE AGREEMENT TMS1002
Fig 19: Smart Access System With Push-Button Start - Circuit Diagram (19 Of 25)
G07589359Courtesy of © TOYOTA, LICENSE AGREEMENT TMS1002
Fig 20: Smart Access System With Push-Button Start - Circuit Diagram (20 Of 25)
G07589360Courtesy of © TOYOTA, LICENSE AGREEMENT TMS1002
Fig 21: Smart Access System With Push-Button Start - Circuit Diagram (21 Of 25)
G07589361Courtesy of © TOYOTA, LICENSE AGREEMENT TMS1002
Fig 22: Smart Access System With Push-Button Start - Circuit Diagram (22 Of 25)
G07589362Courtesy of © TOYOTA, LICENSE AGREEMENT TMS1002
Fig 23: Smart Access System With Push-Button Start - Circuit Diagram (23 Of 25)
G07589363Courtesy of © TOYOTA, LICENSE AGREEMENT TMS1002
Fig 24: Smart Access System With Push-Button Start - Circuit Diagram (24 Of 25)
G07589364Courtesy of © TOYOTA, LICENSE AGREEMENT TMS1002
Fig 25: Smart Access System With Push-Button Start - Circuit Diagram (25 Of 25)
G07589365Courtesy of © TOYOTA, LICENSE AGREEMENT TMS1002