LEMON Manuals: Even more car manuals for everyone
Home >> Lexus >> 2009 >> IS F >> Repair and Diagnosis >> External Pages >> Different car >> Section 107 (OEM System Circuits) >> Front-Fog Light >> Notes

Front-Fog Light: Notes

WARNING: This page is about a different car, the 2008 Lexus IS F. However, it is still accessible from the selected car via links, so may be relevant.
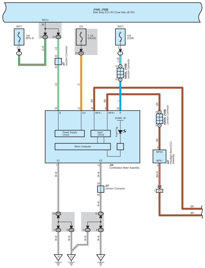
Fig 1: Front-Fog Light - Circuit Diagram (1 Of 5)
G07592282Courtesy of © TOYOTA, LICENSE AGREEMENT TMS1002
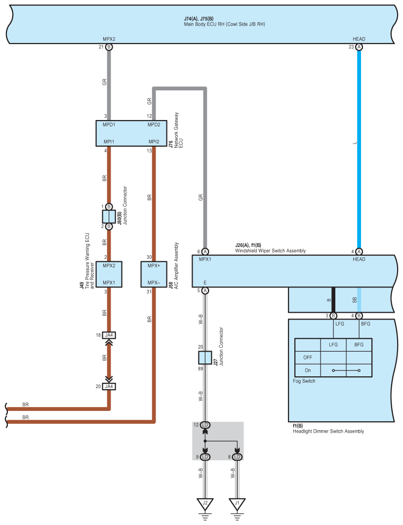
Fig 2: Front-Fog Light - Circuit Diagram (2 Of 5)
G07592283Courtesy of © TOYOTA, LICENSE AGREEMENT TMS1002
Fig 3: Front-Fog Light - Circuit Diagram (3 Of 5)
G07592284Courtesy of © TOYOTA, LICENSE AGREEMENT TMS1002
Fig 4: Front-Fog Light - Circuit Diagram (4 Of 5)
G07592285Courtesy of © TOYOTA, LICENSE AGREEMENT TMS1002
Fig 5: Front-Fog Light - Circuit Diagram (5 Of 5)
G07592286Courtesy of © TOYOTA, LICENSE AGREEMENT TMS1002