LEMON Manuals: Even more car manuals for everyone
Home >> Lexus >> 2009 >> IS F >> Repair and Diagnosis >> External Pages >> Different car >> Section 107 (OEM System Circuits) >> Automatic Glare-Resistance EC Mirror with Compass >> Notes

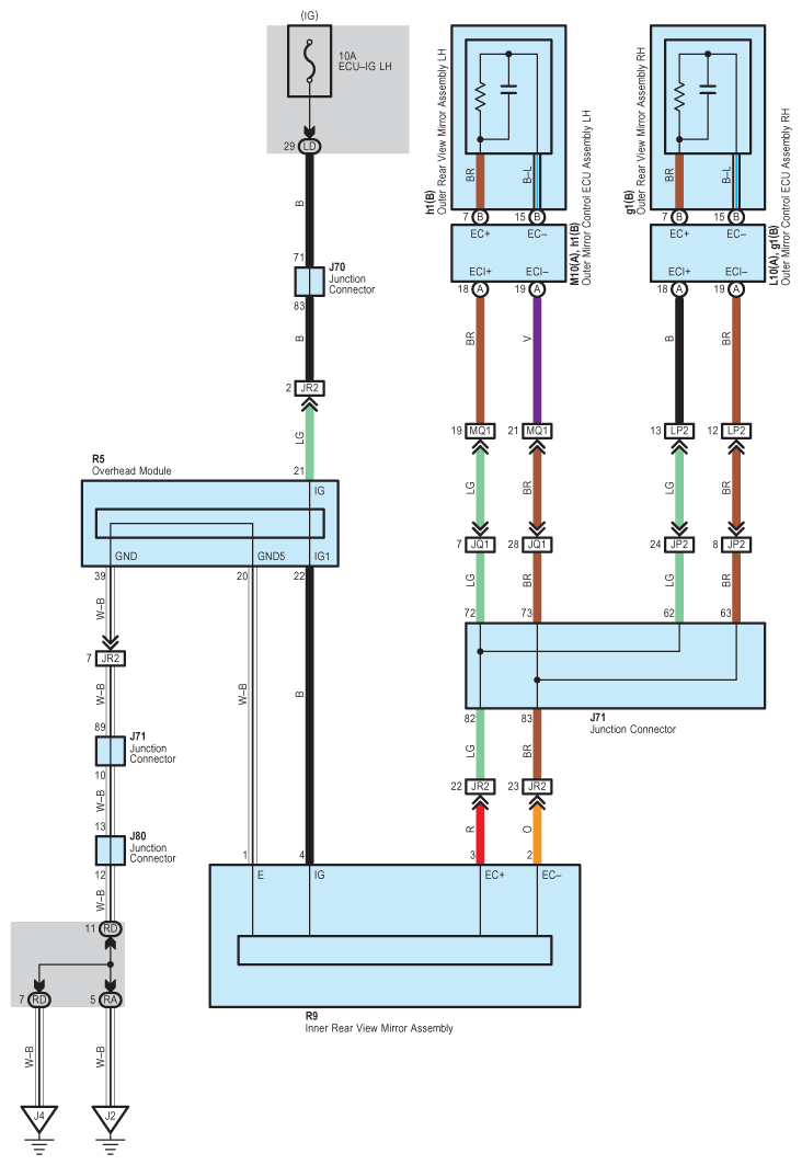
Automatic Glare-Resistance EC Mirror with Compass: Notes

WARNING: This page is about a different car, the 2008 Lexus IS F. However, it is still accessible from the selected car via links, so may be relevant.
Fig 1: Automatic Glare-Resistance EC Mirror With Compass - Circuit Diagram
G07592423Courtesy of © TOYOTA, LICENSE AGREEMENT TMS1002