LEMON Manuals: Even more car manuals for everyone
Home >> Lexus >> 2009 >> IS F >> Repair and Diagnosis >> Electrical >> Body Electrical >> OEM System Circuits >> Interior Light >> Notes

Interior Light: Notes

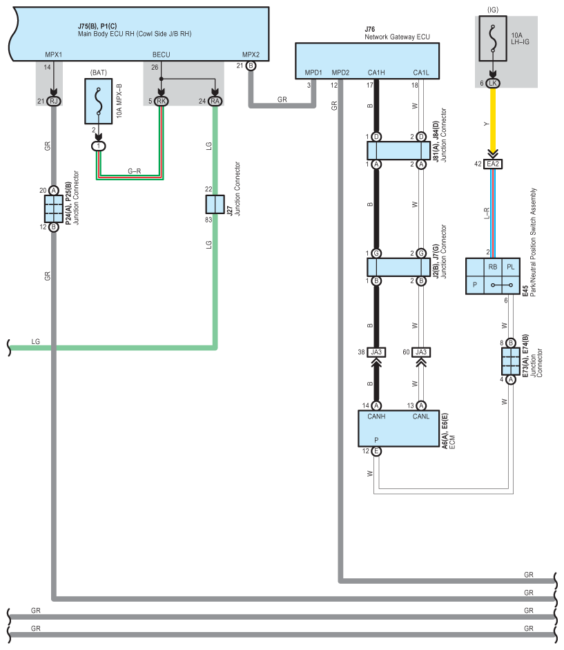
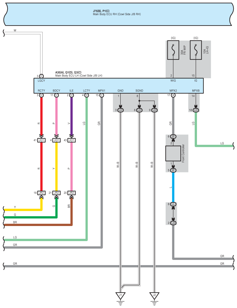
Fig 1: Interior Light - Circuit Diagram (1 Of 11)
G07617563Courtesy of © TOYOTA, LICENSE AGREEMENT TMS1002
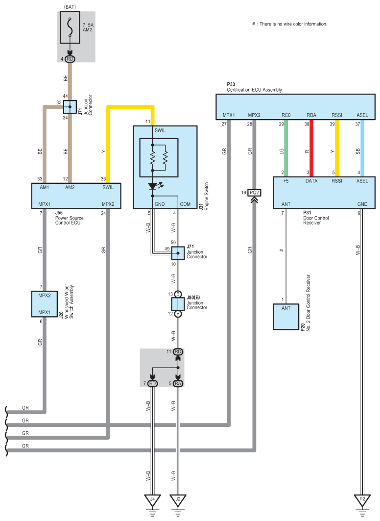
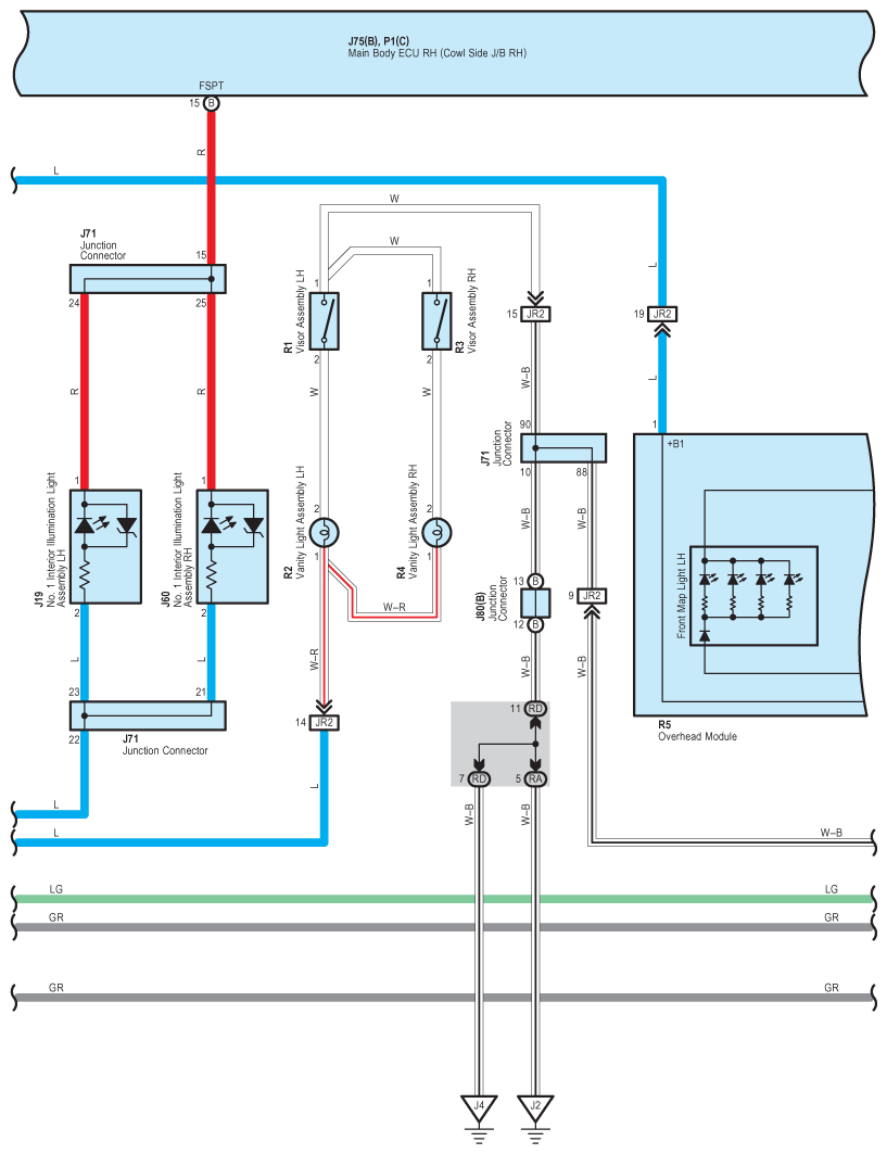
Fig 2: Interior Light - Circuit Diagram (2 Of 11)
G07617564Courtesy of © TOYOTA, LICENSE AGREEMENT TMS1002
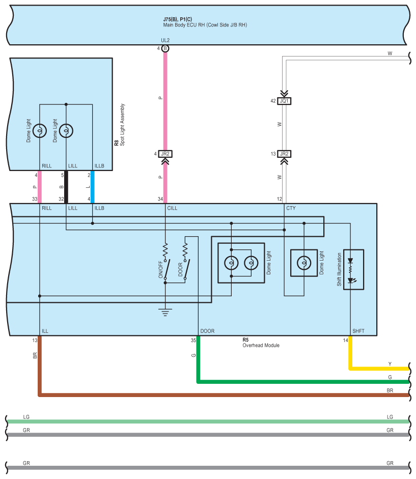
Fig 3: Interior Light - Circuit Diagram (3 Of 11)
G07617565Courtesy of © TOYOTA, LICENSE AGREEMENT TMS1002
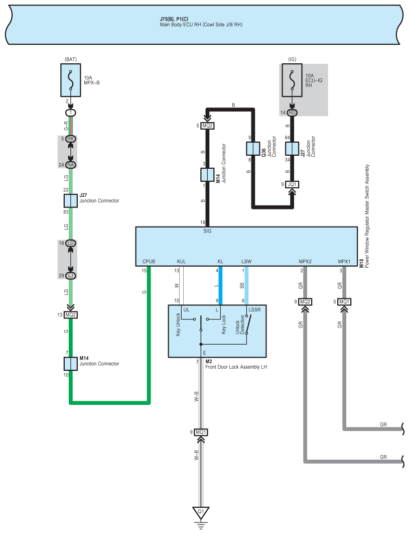
Fig 4: Interior Light - Circuit Diagram (4 Of 11)
G07617566Courtesy of © TOYOTA, LICENSE AGREEMENT TMS1002
Fig 5: Interior Light - Circuit Diagram (5 Of 11)
G07617567Courtesy of © TOYOTA, LICENSE AGREEMENT TMS1002
Fig 6: Interior Light - Circuit Diagram (6 Of 11)
G07617568Courtesy of © TOYOTA, LICENSE AGREEMENT TMS1002
Fig 7: Interior Light - Circuit Diagram (7 Of 11)
G07617569Courtesy of © TOYOTA, LICENSE AGREEMENT TMS1002
Fig 8: Interior Light - Circuit Diagram (8 Of 11)
G07617570Courtesy of © TOYOTA, LICENSE AGREEMENT TMS1002
Fig 9: Interior Light - Circuit Diagram (9 Of 11)
G07617571Courtesy of © TOYOTA, LICENSE AGREEMENT TMS1002
Fig 10: Interior Light - Circuit Diagram (10 Of 11)
G07617572Courtesy of © TOYOTA, LICENSE AGREEMENT TMS1002
Fig 11: Interior Light - Circuit Diagram (11 Of 11)
G07617573Courtesy of © TOYOTA, LICENSE AGREEMENT TMS1002