LEMON Manuals: Even more car manuals for everyone
Home >> Lexus >> 2009 >> IS F >> Repair and Diagnosis >> Electrical >> Body Electrical >> OEM System Circuits >> Clock >> Notes

OEM System Circuits: Clock: Notes

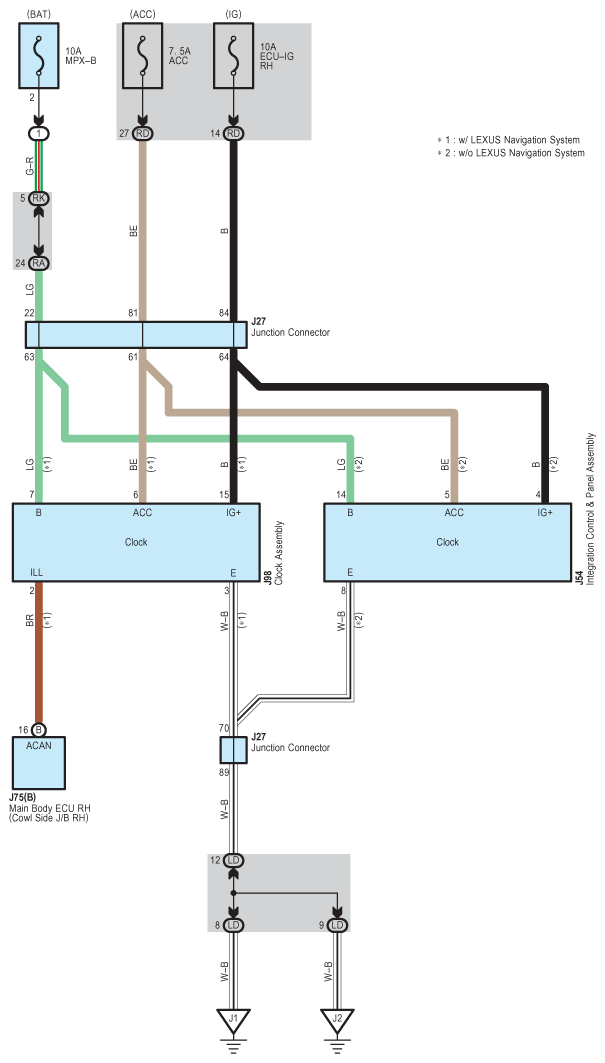
Fig 1: Clock - Circuit Diagram
G07617755Courtesy of © TOYOTA, LICENSE AGREEMENT TMS1002