LEMON Manuals: Even more car manuals for everyone
Home >> Lexus >> 2009 >> IS F >> Repair and Diagnosis (Single Page) >> Engine Performance >> System >> Engine Control (SFI) System (Diagnostic Codes & Circuit Tests) >> SFI System >> VC Output Circuit >> Wiring Diagram

VC Output Circuit: Wiring Diagram

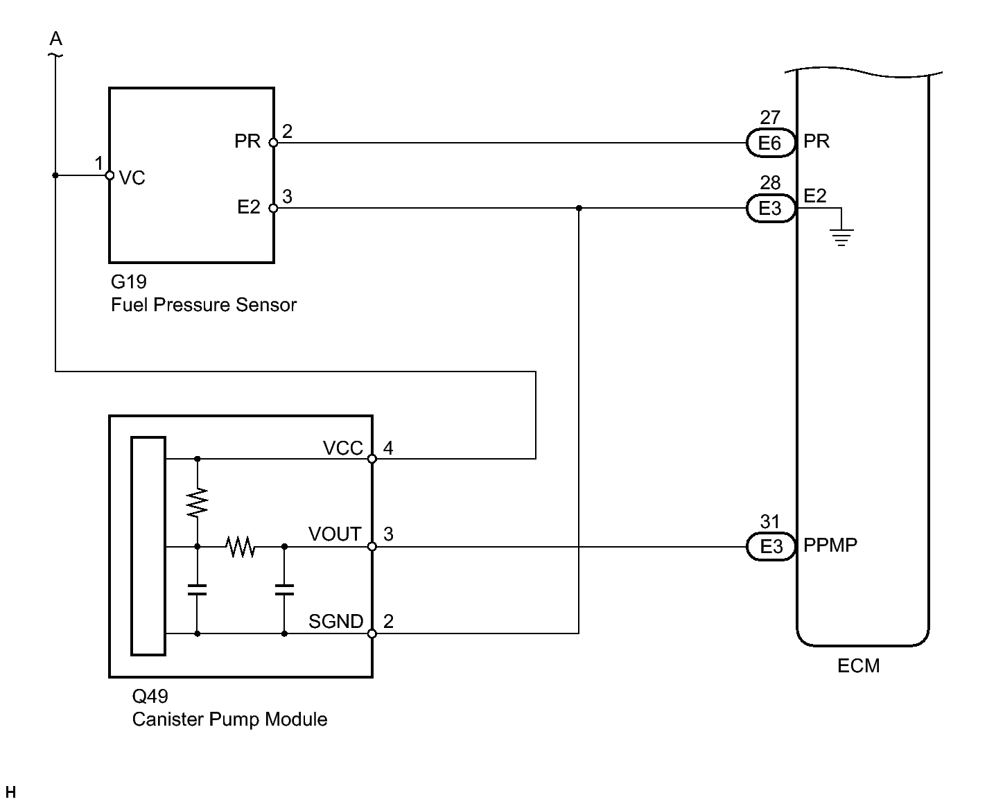
Fig 1: VC Output Circuit - Wiring Diagram (1 Of 3)
GTY125798Courtesy of © TOYOTA, LICENSE AGREEMENT TMS1002
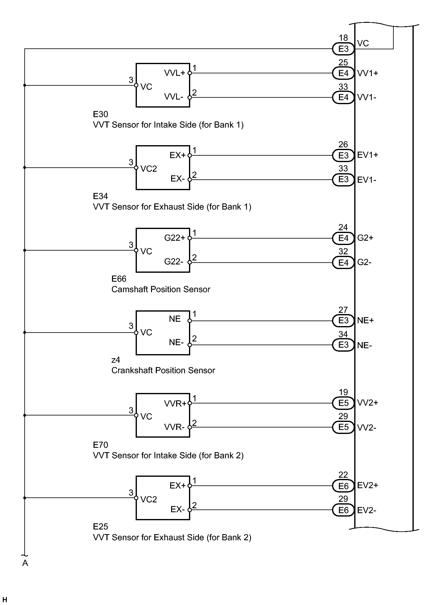
Fig 2: VC Output Circuit - Wiring Diagram (2 Of 3)
GTY130367Courtesy of © TOYOTA, LICENSE AGREEMENT TMS1002
Fig 3: VC Output Circuit - Wiring Diagram (3 Of 3)
GTY147444Courtesy of © TOYOTA, LICENSE AGREEMENT TMS1002