LEMON Manuals: Even more car manuals for everyone
Home >> Lexus >> 2009 >> IS F >> Repair and Diagnosis (Single Page) >> Electrical >> Body Electrical >> OEM System Circuits >> Automatic Light Control and Light Auto Turn Off System >> Notes

Automatic Light Control and Light Auto Turn Off System: Notes

Fig 1: Automatic Light Control And Light Auto Turn Off System - Circuit Diagram (1 Of 4)
G07617605Courtesy of © TOYOTA, LICENSE AGREEMENT TMS1002
Fig 2: Automatic Light Control And Light Auto Turn Off System - Circuit Diagram (2 Of 4)
G07617606Courtesy of © TOYOTA, LICENSE AGREEMENT TMS1002
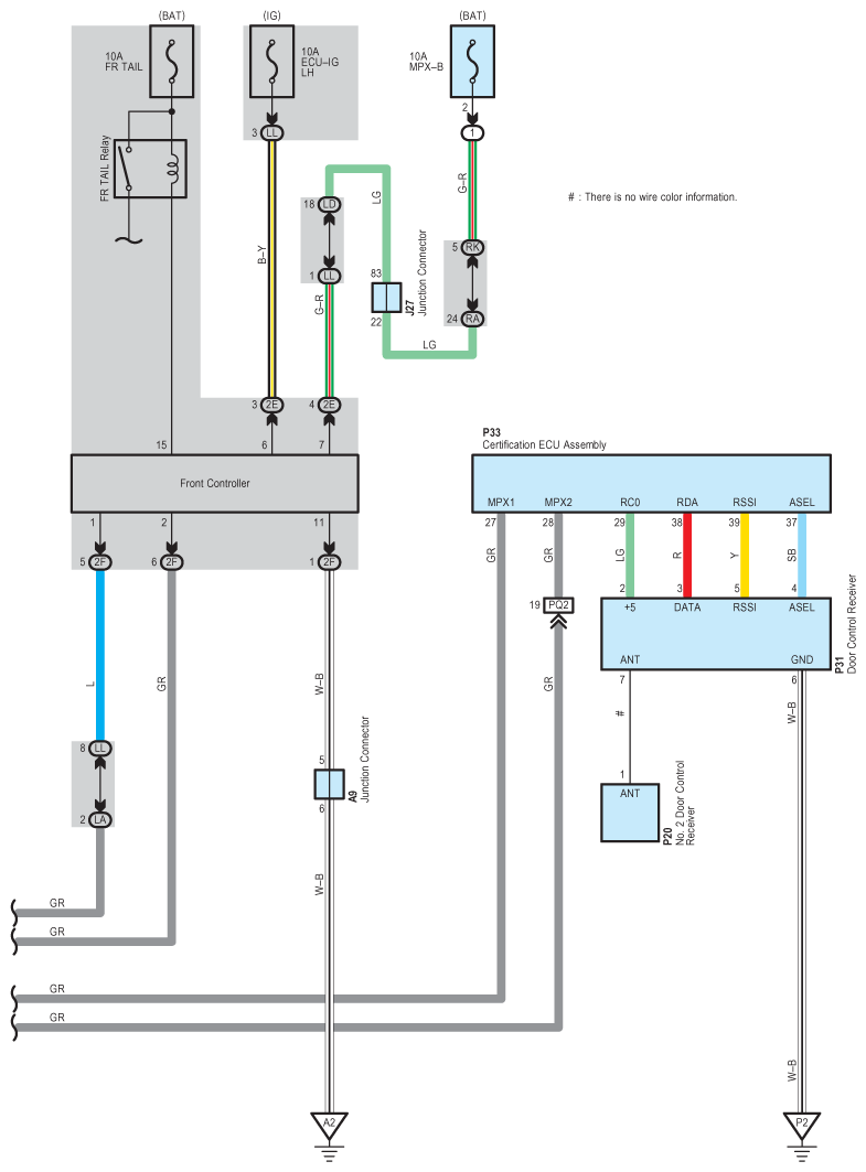
Fig 3: Automatic Light Control And Light Auto Turn Off System - Circuit Diagram (3 Of 4)
G07617607Courtesy of © TOYOTA, LICENSE AGREEMENT TMS1002
Fig 4: Automatic Light Control And Light Auto Turn Off System - Circuit Diagram (4 Of 4)
G07617608Courtesy of © TOYOTA, LICENSE AGREEMENT TMS1002