LEMON Manuals: Even more car manuals for everyone
Home >> Lexus >> 2009 >> IS F >> Repair and Diagnosis (Single Page) >> Body & Frame >> Door Locks >> Smart Access System (Keyless Entry) (Diagnostics - Introduction) >> SMART ACCESS SYSTEM WITH PUSH-BUTTON START (for Start Function) >> System Diagram >> System Diagram

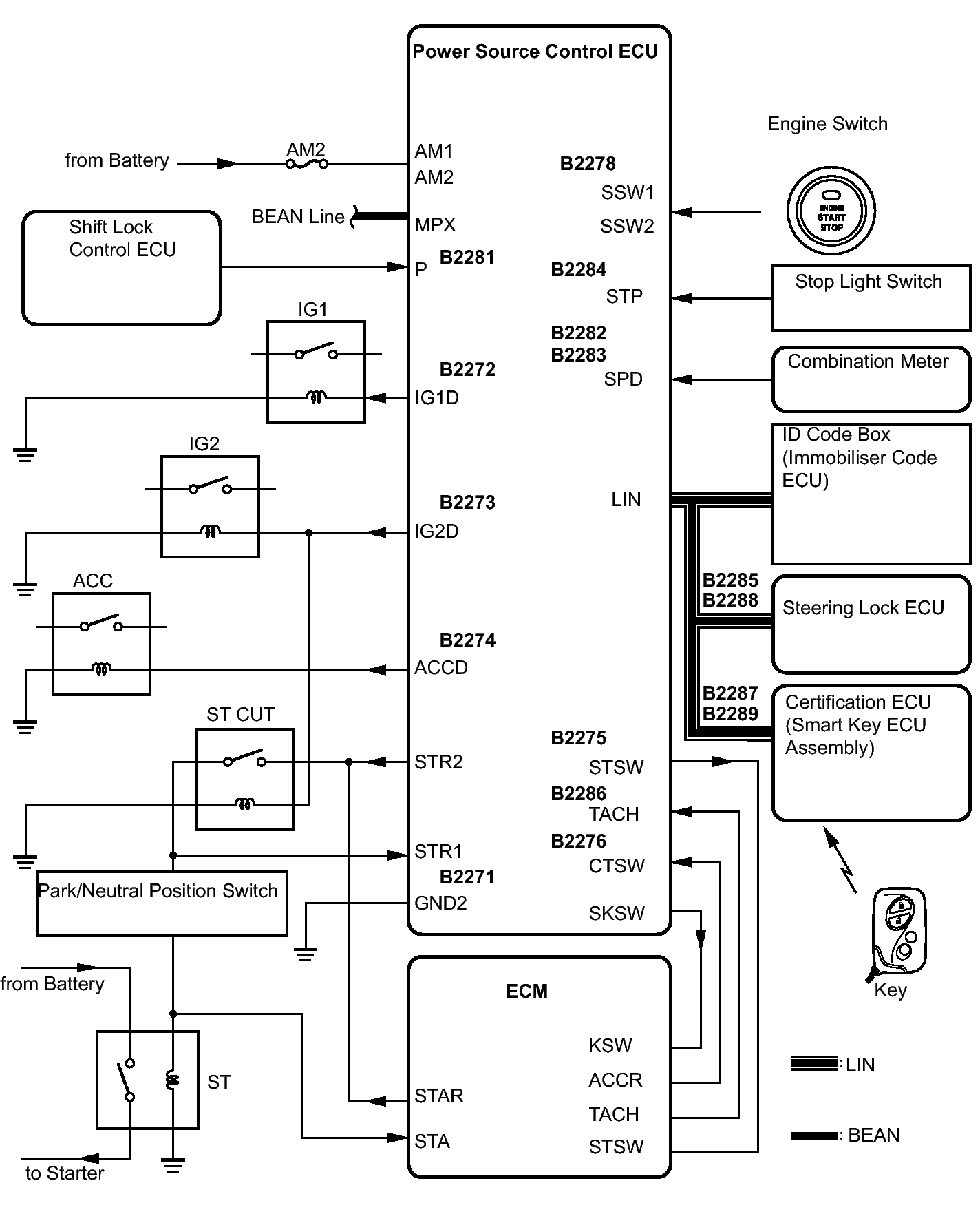
System Diagram

Fig 1: Power Source Control ECU - System Diagram
GTY114729Courtesy of © TOYOTA, LICENSE AGREEMENT TMS1002
COMMUNICATION

Transmitting ECU
(Transmitter)
Receiving ECU
(Receiver)
Signal Communication Method
ECM Power source control ECU Engine rotation signal CAN/BEAN
Meter ECU Power source control ECU Vehicle speed signal BEAN/Local communication
Steering lock ECU Power source control ECU Steering lock/unlock signal LIN/Local communication
Shift lock control ECU Power source control ECU Shift position signal BEAN/Local communication
Certification ECU (smart key ECU assembly) Power source control ECU LIN master signal LIN
Power source control ECU Certification ECU (smart key ECU assembly) ID required signal LIN
Key existence condition signal BEAN