LEMON Manuals: Even more car manuals for everyone
Home >> Lexus >> 2009 >> IS F >> Repair and Diagnosis (Single Page) >> Accessories & Equipment >> Anti-Theft Systems >> Smart Access System (Keyless Entry) (Diagnostic Codes & Circuit Tests) >> SMART ACCESS SYSTEM WITH PUSH-BUTTON START (for Start Function) >> Power Source Mode does not Change >> Wiring Diagram

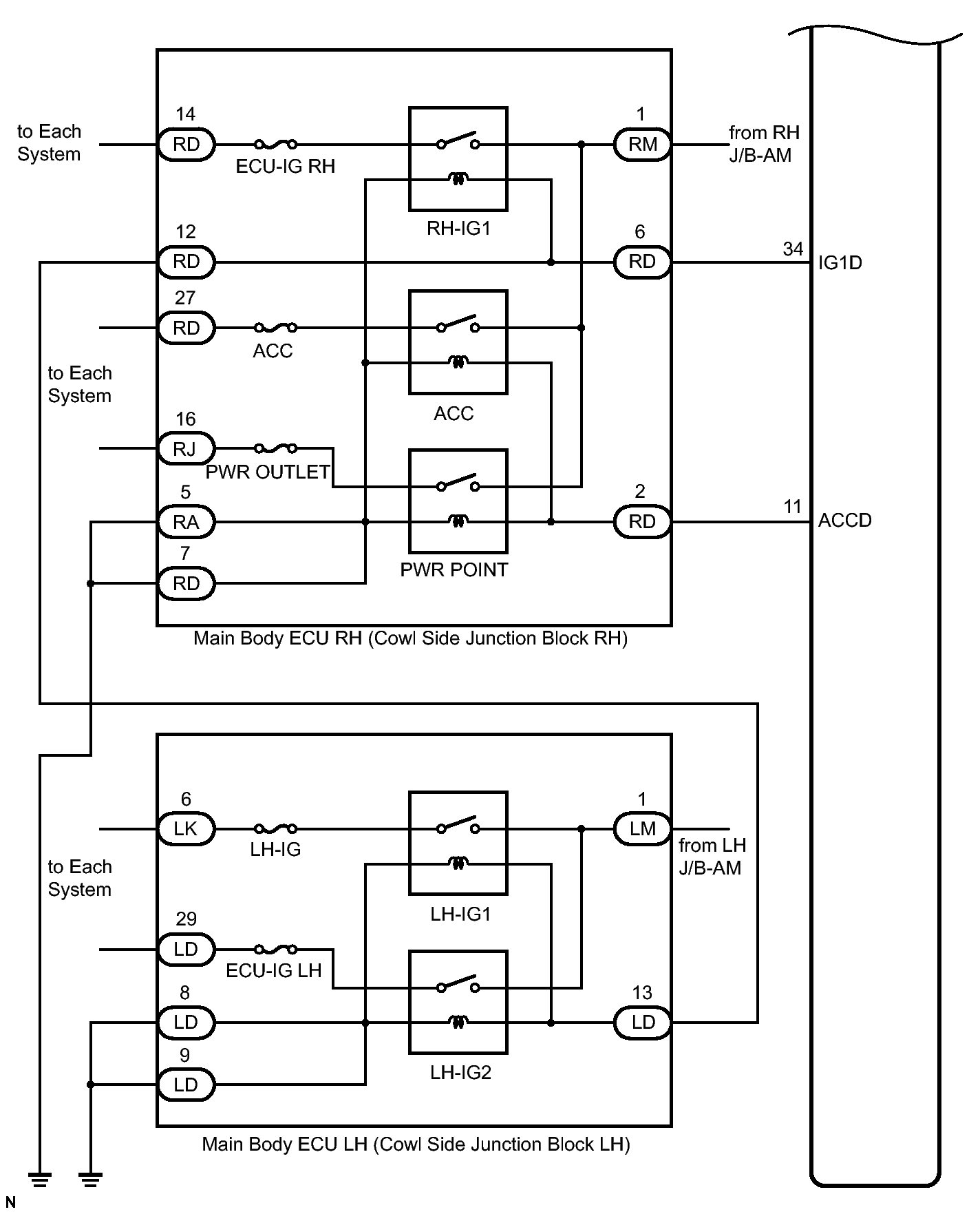
Power Source Mode does not Change: Wiring Diagram

Fig 1: Main Body ECU And Power Source Control ECU - Wiring Diagram (1 Of 2)
GTY114763Courtesy of © TOYOTA, LICENSE AGREEMENT TMS1002
Fig 2: Main Body ECU And Power Source Control ECU - Wiring Diagram (2 Of 2)
GTY122816Courtesy of © TOYOTA, LICENSE AGREEMENT TMS1002