LEMON Manuals: Even more car manuals for everyone
Home >> Lexus >> 2009 >> IS 350 >> Repair and Diagnosis (Single Page) >> Electrical >> Body Electrical >> OEM System Circuits >> Pre-Collision System >> Notes

Pre-Collision System: Notes

Fig 1: Pre-Collision System - Circuit Diagram (1 Of 4)
G07588995Courtesy of © TOYOTA, LICENSE AGREEMENT TMS1002
Fig 2: Pre-Collision System - Circuit Diagram (2 Of 4)
G07588996Courtesy of © TOYOTA, LICENSE AGREEMENT TMS1002
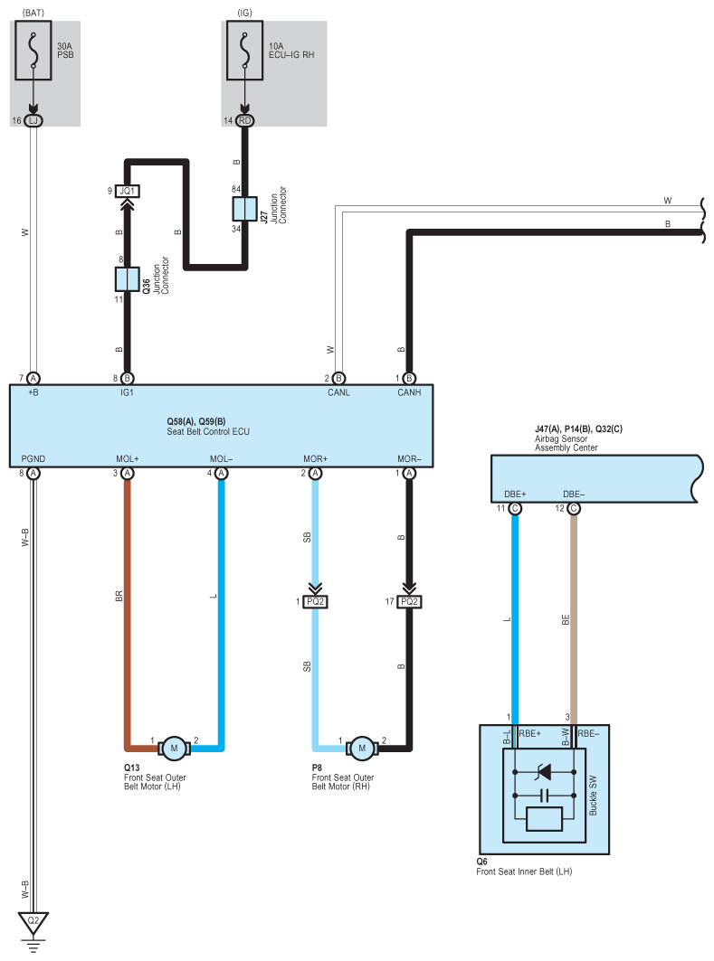
Fig 3: Pre-Collision System - Circuit Diagram (3 Of 4)
G07588997Courtesy of © TOYOTA, LICENSE AGREEMENT TMS1002
Fig 4: Pre-Collision System - Circuit Diagram (4 Of 4)
G07588998Courtesy of © TOYOTA, LICENSE AGREEMENT TMS1002