LEMON Manuals: Even more car manuals for everyone
Home >> Lexus >> 2009 >> IS 250 AWD >> Repair and Diagnosis >> External Pages >> Different car >> Section 252 (OEM System Circuits) >> Headlight >> Notes

Section 252 (OEM System Circuits): Headlight: Notes

WARNING: This page is about a different car, the 2008 Lexus IS 350 and 2008 Lexus IS 250. However, it is still accessible from the selected car via links, so may be relevant.
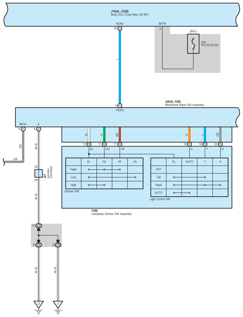
Fig 1: Headlight - Circuit Diagram (1 Of 7)
G07591666Courtesy of © TOYOTA, LICENSE AGREEMENT TMS1002
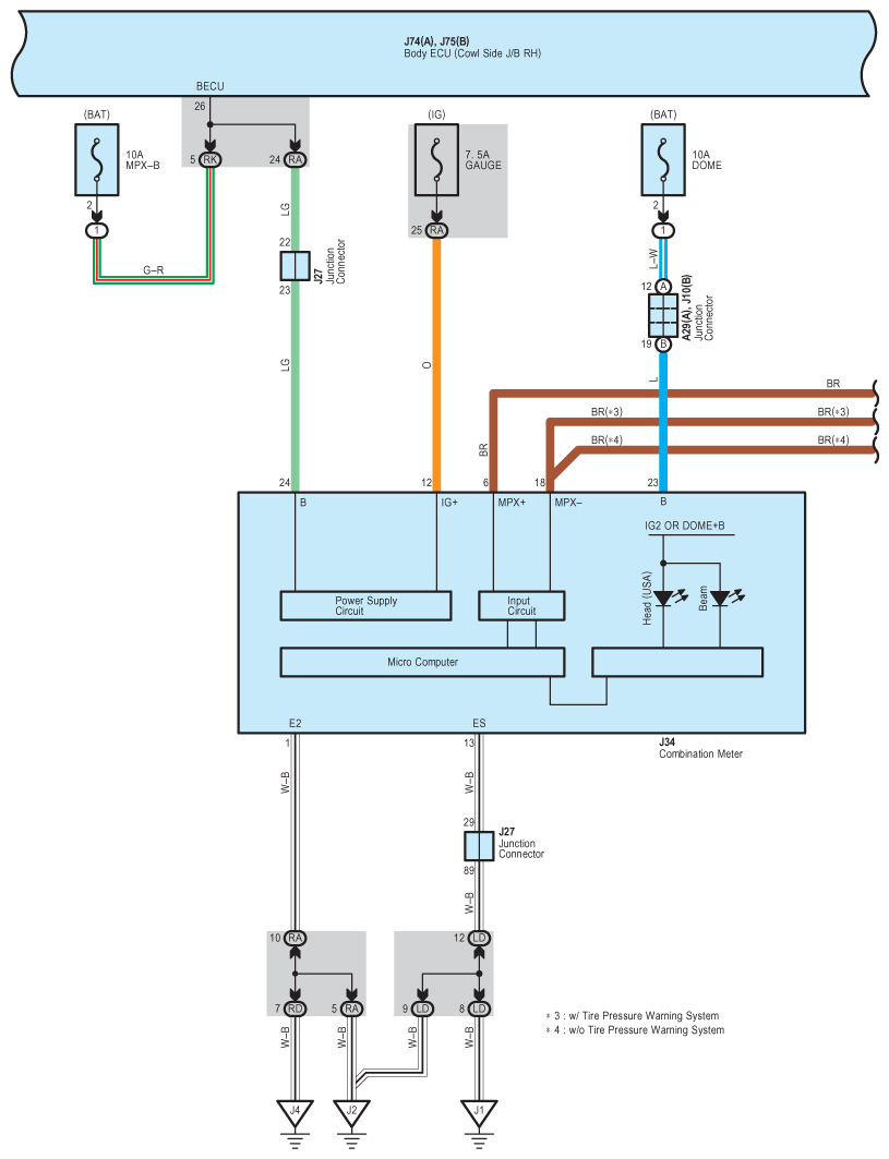
Fig 2: Headlight - Circuit Diagram (2 Of 7)
G07591667Courtesy of © TOYOTA, LICENSE AGREEMENT TMS1002
Fig 3: Headlight - Circuit Diagram (3 Of 7)
G07591668Courtesy of © TOYOTA, LICENSE AGREEMENT TMS1002
Fig 4: Headlight - Circuit Diagram (4 Of 7)
G07591669Courtesy of © TOYOTA, LICENSE AGREEMENT TMS1002
Fig 5: Headlight - Circuit Diagram (5 Of 7)
G07591670Courtesy of © TOYOTA, LICENSE AGREEMENT TMS1002
Fig 6: Headlight - Circuit Diagram (6 Of 7)
G07591671Courtesy of © TOYOTA, LICENSE AGREEMENT TMS1002
Fig 7: Headlight - Circuit Diagram (7 Of 7)
G07591672Courtesy of © TOYOTA, LICENSE AGREEMENT TMS1002