LEMON Manuals: Even more car manuals for everyone
Home >> Lexus >> 2009 >> IS 250 AWD >> Repair and Diagnosis >> External Pages >> Different car >> Section 252 (OEM System Circuits) >> Headlight Cleaner >> Notes

Headlight Cleaner: Notes

WARNING: This page is about a different car, the 2008 Lexus IS 350 and 2008 Lexus IS 250. However, it is still accessible from the selected car via links, so may be relevant.
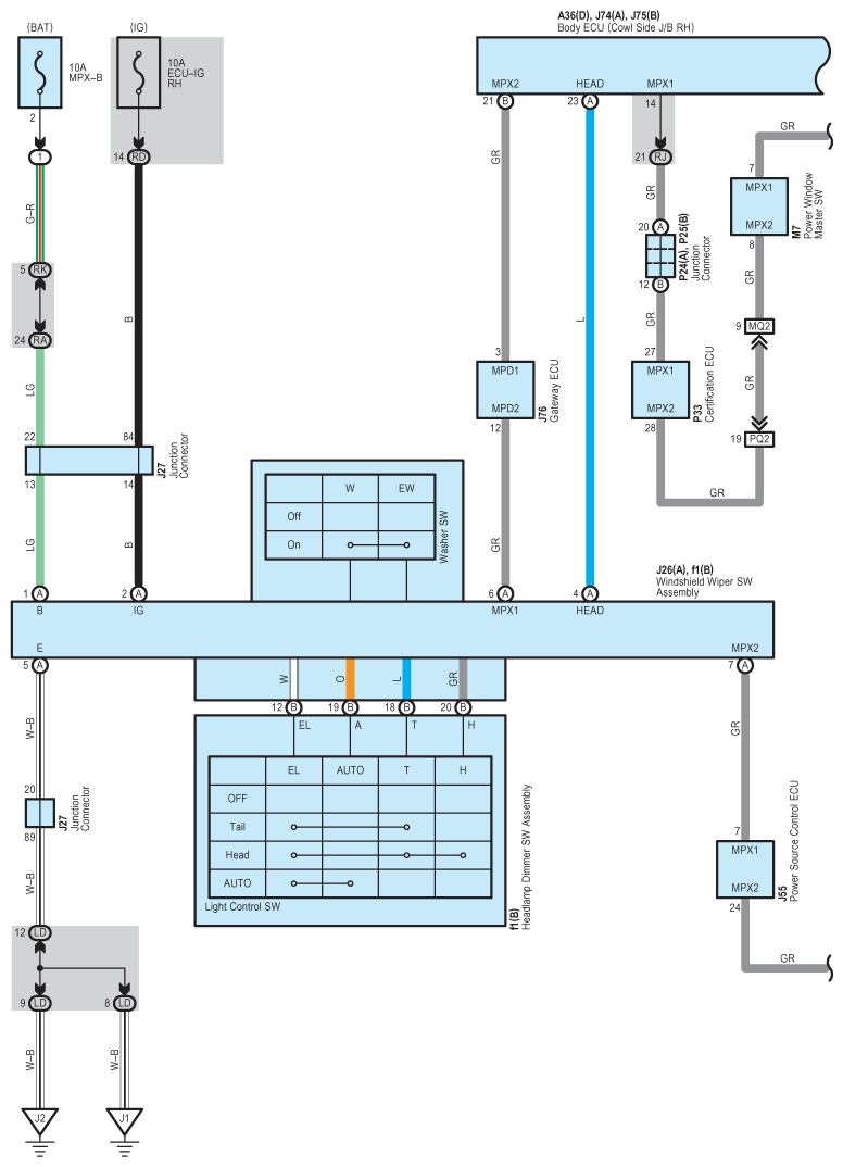
Fig 1: Headlight Cleaner - Circuit Diagram (1 Of 2)
G07591728Courtesy of © TOYOTA, LICENSE AGREEMENT TMS1002
Fig 2: Headlight Cleaner - Circuit Diagram (2 Of 2)
G07591729Courtesy of © TOYOTA, LICENSE AGREEMENT TMS1002