LEMON Manuals: Even more car manuals for everyone
Home >> Lexus >> 2009 >> IS 250 AWD >> Repair and Diagnosis >> External Pages >> Different car >> Section 252 (OEM System Circuits) >> Dynamic Radar Cruise Control for 4GR-FSE >> Notes

Dynamic Radar Cruise Control for 4GR-FSE: Notes

WARNING: This page is about a different car, the 2008 Lexus IS 350 and 2008 Lexus IS 250. However, it is still accessible from the selected car via links, so may be relevant.
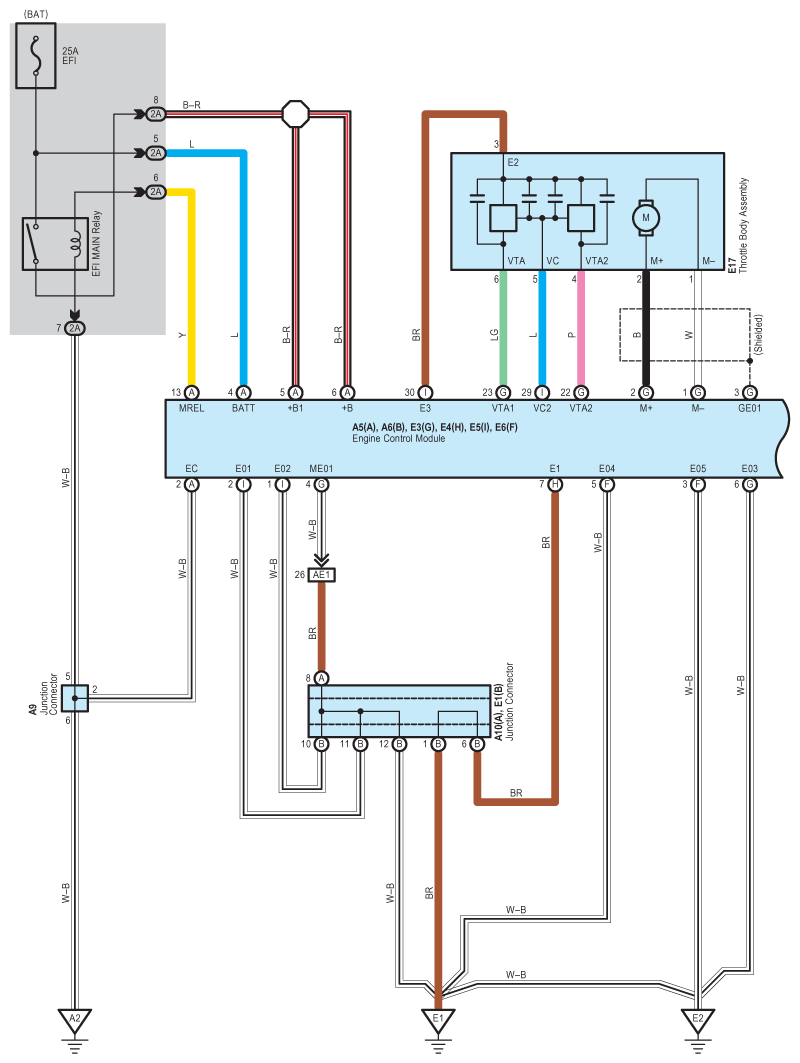
Fig 1: Dynamic Radar Cruise Control For 4GR-FSE - Circuit Diagram (1 Of 14)
G07591800Courtesy of © TOYOTA, LICENSE AGREEMENT TMS1002
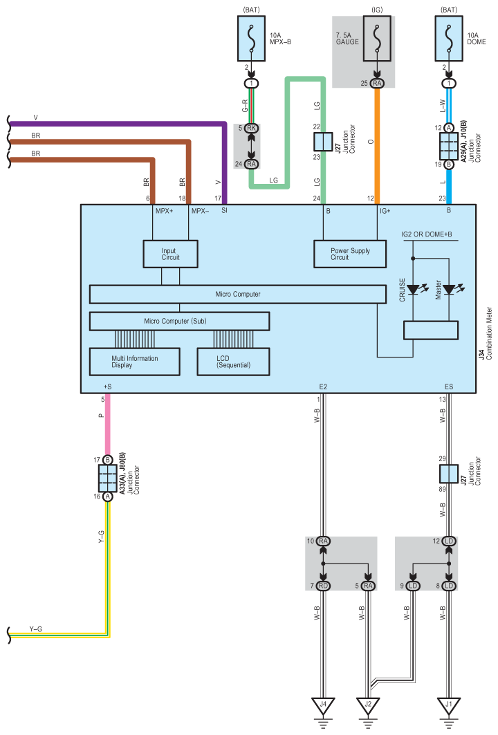
Fig 2: Dynamic Radar Cruise Control For 4GR-FSE - Circuit Diagram (2 Of 14)
G07591801Courtesy of © TOYOTA, LICENSE AGREEMENT TMS1002
Fig 3: Dynamic Radar Cruise Control For 4GR-FSE - Circuit Diagram (3 Of 14)
G07591802Courtesy of © TOYOTA, LICENSE AGREEMENT TMS1002
Fig 4: Dynamic Radar Cruise Control For 4GR-FSE - Circuit Diagram (4 Of 14)
G07591803Courtesy of © TOYOTA, LICENSE AGREEMENT TMS1002
Fig 5: Dynamic Radar Cruise Control For 4GR-FSE - Circuit Diagram (5 Of 14)
G07591804Courtesy of © TOYOTA, LICENSE AGREEMENT TMS1002
Fig 6: Dynamic Radar Cruise Control For 4GR-FSE - Circuit Diagram (6 Of 14)
G07591805Courtesy of © TOYOTA, LICENSE AGREEMENT TMS1002
Fig 7: Dynamic Radar Cruise Control For 4GR-FSE - Circuit Diagram (7 Of 14)
G07591806Courtesy of © TOYOTA, LICENSE AGREEMENT TMS1002
Fig 8: Dynamic Radar Cruise Control For 4GR-FSE - Circuit Diagram (8 Of 14)
G07591807Courtesy of © TOYOTA, LICENSE AGREEMENT TMS1002
Fig 9: Dynamic Radar Cruise Control For 4GR-FSE - Circuit Diagram (9 Of 14)
G07591808Courtesy of © TOYOTA, LICENSE AGREEMENT TMS1002
Fig 10: Dynamic Radar Cruise Control For 4GR-FSE - Circuit Diagram (10 Of 14)
G07591809Courtesy of © TOYOTA, LICENSE AGREEMENT TMS1002
Fig 11: Dynamic Radar Cruise Control For 4GR-FSE - Circuit Diagram (11 Of 14)
G07591810Courtesy of © TOYOTA, LICENSE AGREEMENT TMS1002
Fig 12: Dynamic Radar Cruise Control For 4GR-FSE - Circuit Diagram (12 Of 14)
G07591811Courtesy of © TOYOTA, LICENSE AGREEMENT TMS1002
Fig 13: Dynamic Radar Cruise Control For 4GR-FSE - Circuit Diagram (13 Of 14)
G07591812Courtesy of © TOYOTA, LICENSE AGREEMENT TMS1002
Fig 14: Dynamic Radar Cruise Control For 4GR-FSE - Circuit Diagram (14 Of 14)
G07591813Courtesy of © TOYOTA, LICENSE AGREEMENT TMS1002