LEMON Manuals: Even more car manuals for everyone
Home >> Lexus >> 2009 >> IS 250 AWD >> Repair and Diagnosis >> External Pages >> Different car >> Section 252 (OEM System Circuits) >> Cruise Control for 4GR-FSE >> Notes

Cruise Control for 4GR-FSE: Notes

WARNING: This page is about a different car, the 2008 Lexus IS 350 and 2008 Lexus IS 250. However, it is still accessible from the selected car via links, so may be relevant.
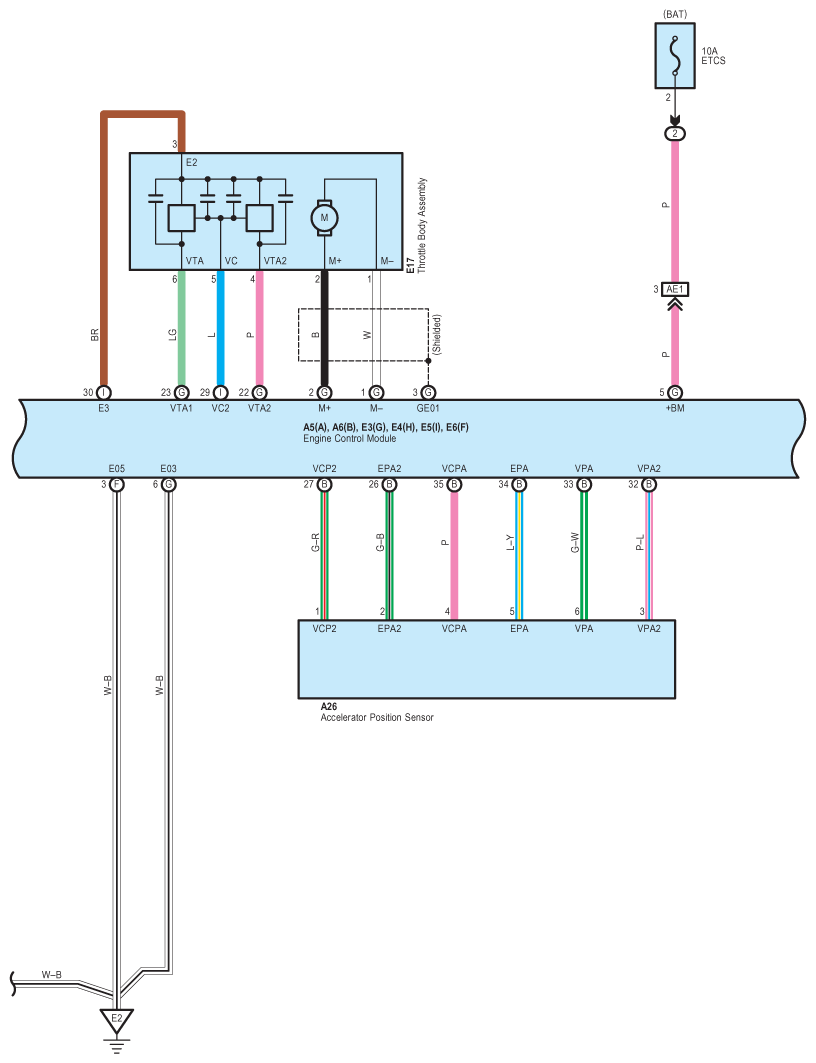
Fig 1: Cruise Control For 4GR-FSE - Circuit Diagram (1 Of 7)
G07591822Courtesy of © TOYOTA, LICENSE AGREEMENT TMS1002
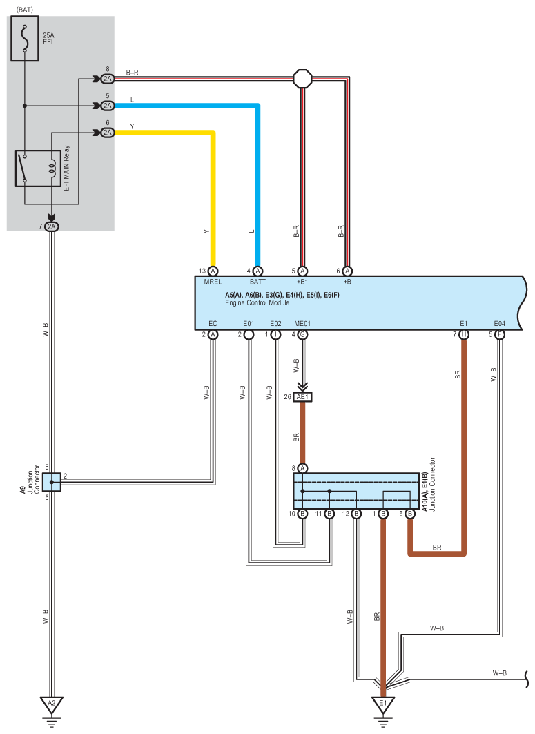
Fig 2: Cruise Control For 4GR-FSE - Circuit Diagram (2 Of 7)
G07591823Courtesy of © TOYOTA, LICENSE AGREEMENT TMS1002
Fig 3: Cruise Control For 4GR-FSE - Circuit Diagram (3 Of 7)
G07591824Courtesy of © TOYOTA, LICENSE AGREEMENT TMS1002
Fig 4: Cruise Control For 4GR-FSE - Circuit Diagram (4 Of 7)
G07591825Courtesy of © TOYOTA, LICENSE AGREEMENT TMS1002
Fig 5: Cruise Control For 4GR-FSE - Circuit Diagram (5 Of 7)
G07591826Courtesy of © TOYOTA, LICENSE AGREEMENT TMS1002
Fig 6: Cruise Control For 4GR-FSE - Circuit Diagram (6 Of 7)
G07591827Courtesy of © TOYOTA, LICENSE AGREEMENT TMS1002
Fig 7: Cruise Control For 4GR-FSE - Circuit Diagram (7 Of 7)
G07591828Courtesy of © TOYOTA, LICENSE AGREEMENT TMS1002