LEMON Manuals: Even more car manuals for everyone
Home >> Lexus >> 2009 >> IS 250 AWD >> Repair and Diagnosis >> External Pages >> Different car >> Section 252 (OEM System Circuits) >> Cruise Control for 2GR-FSE >> Notes

Cruise Control for 2GR-FSE: Notes

WARNING: This page is about a different car, the 2008 Lexus IS 350 and 2008 Lexus IS 250. However, it is still accessible from the selected car via links, so may be relevant.
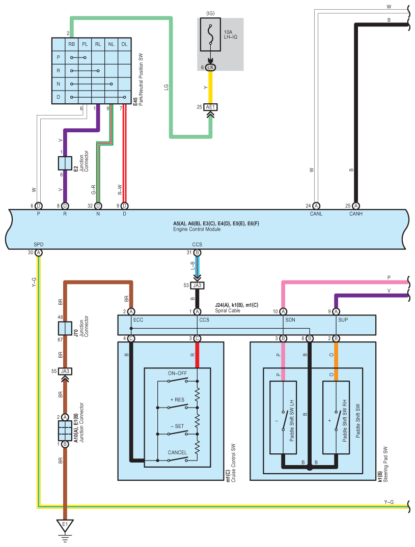
Fig 1: Cruise Control For 2GR-FSE - Circuit Diagram (1 Of 8)
G07591814Courtesy of © TOYOTA, LICENSE AGREEMENT TMS1002
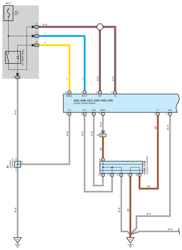
Fig 2: Cruise Control For 2GR-FSE - Circuit Diagram (2 Of 8)
G07591815Courtesy of © TOYOTA, LICENSE AGREEMENT TMS1002
Fig 3: Cruise Control For 2GR-FSE - Circuit Diagram (3 Of 8)
G07591816Courtesy of © TOYOTA, LICENSE AGREEMENT TMS1002
Fig 4: Cruise Control For 2GR-FSE - Circuit Diagram (4 Of 8)
G07591817Courtesy of © TOYOTA, LICENSE AGREEMENT TMS1002
Fig 5: Cruise Control For 2GR-FSE - Circuit Diagram (5 Of 8)
G07591818Courtesy of © TOYOTA, LICENSE AGREEMENT TMS1002
Fig 6: Cruise Control For 2GR-FSE - Circuit Diagram (6 Of 8)
G07591819Courtesy of © TOYOTA, LICENSE AGREEMENT TMS1002
Fig 7: Cruise Control For 2GR-FSE - Circuit Diagram (7 Of 8)
G07591820Courtesy of © TOYOTA, LICENSE AGREEMENT TMS1002
Fig 8: Cruise Control For 2GR-FSE - Circuit Diagram (8 Of 8)
G07591821Courtesy of © TOYOTA, LICENSE AGREEMENT TMS1002