LEMON Manuals: Even more car manuals for everyone
Home >> Lexus >> 2009 >> IS 250 AWD >> Repair and Diagnosis (Single Page) >> Electrical >> Body Electrical >> OEM System Circuits >> Remote Control Mirror (w/ Seat Position Memory) >> Notes

Remote Control Mirror (w/ Seat Position Memory): Notes

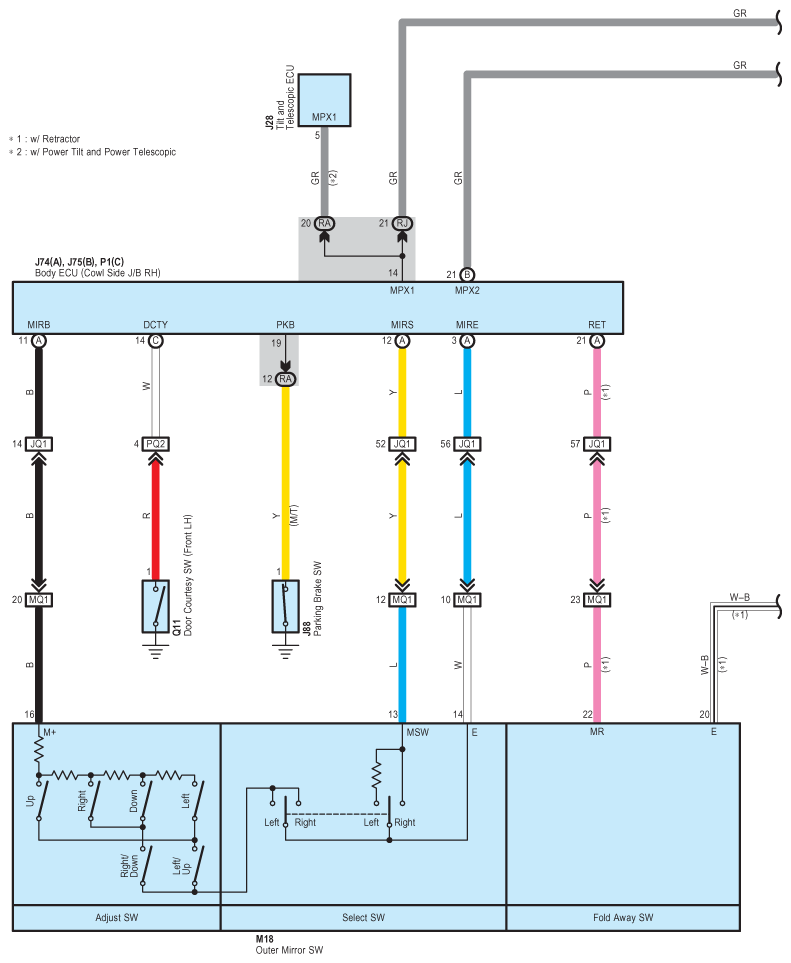
Fig 1: Remote Control Mirror (W/ Seat Position Memory) - Circuit Diagram (1 Of 7)
G07589049Courtesy of © TOYOTA, LICENSE AGREEMENT TMS1002
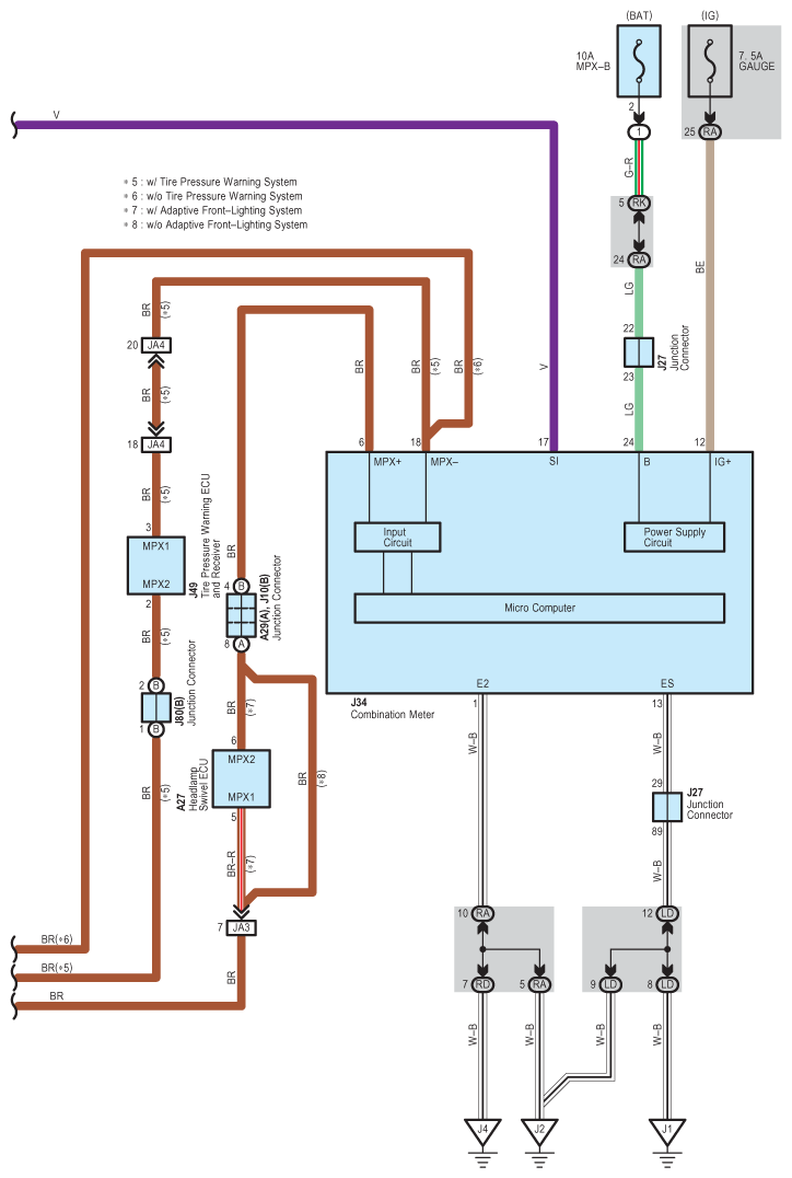
Fig 2: Remote Control Mirror (W/ Seat Position Memory) - Circuit Diagram (2 Of 7)
G07589050Courtesy of © TOYOTA, LICENSE AGREEMENT TMS1002
Fig 3: Remote Control Mirror (W/ Seat Position Memory) - Circuit Diagram (3 Of 7)
G07589051Courtesy of © TOYOTA, LICENSE AGREEMENT TMS1002
Fig 4: Remote Control Mirror (W/ Seat Position Memory) - Circuit Diagram (4 Of 7)
G07589052Courtesy of © TOYOTA, LICENSE AGREEMENT TMS1002
Fig 5: Remote Control Mirror (W/ Seat Position Memory) - Circuit Diagram (5 Of 7)
G07589053Courtesy of © TOYOTA, LICENSE AGREEMENT TMS1002
Fig 6: Remote Control Mirror (W/ Seat Position Memory) - Circuit Diagram (6 Of 7)
G07589054Courtesy of © TOYOTA, LICENSE AGREEMENT TMS1002
Fig 7: Remote Control Mirror (W/ Seat Position Memory) - Circuit Diagram (7 Of 7)
G07589055Courtesy of © TOYOTA, LICENSE AGREEMENT TMS1002