LEMON Manuals: Even more car manuals for everyone
Home >> Lexus >> 2009 >> GS 350 AWD >> Repair and Diagnosis >> Engine Performance >> System >> Engine Control System (Diagnostics - Introduction) >> SFI System >> System Diagram >> System Diagram

System Diagram

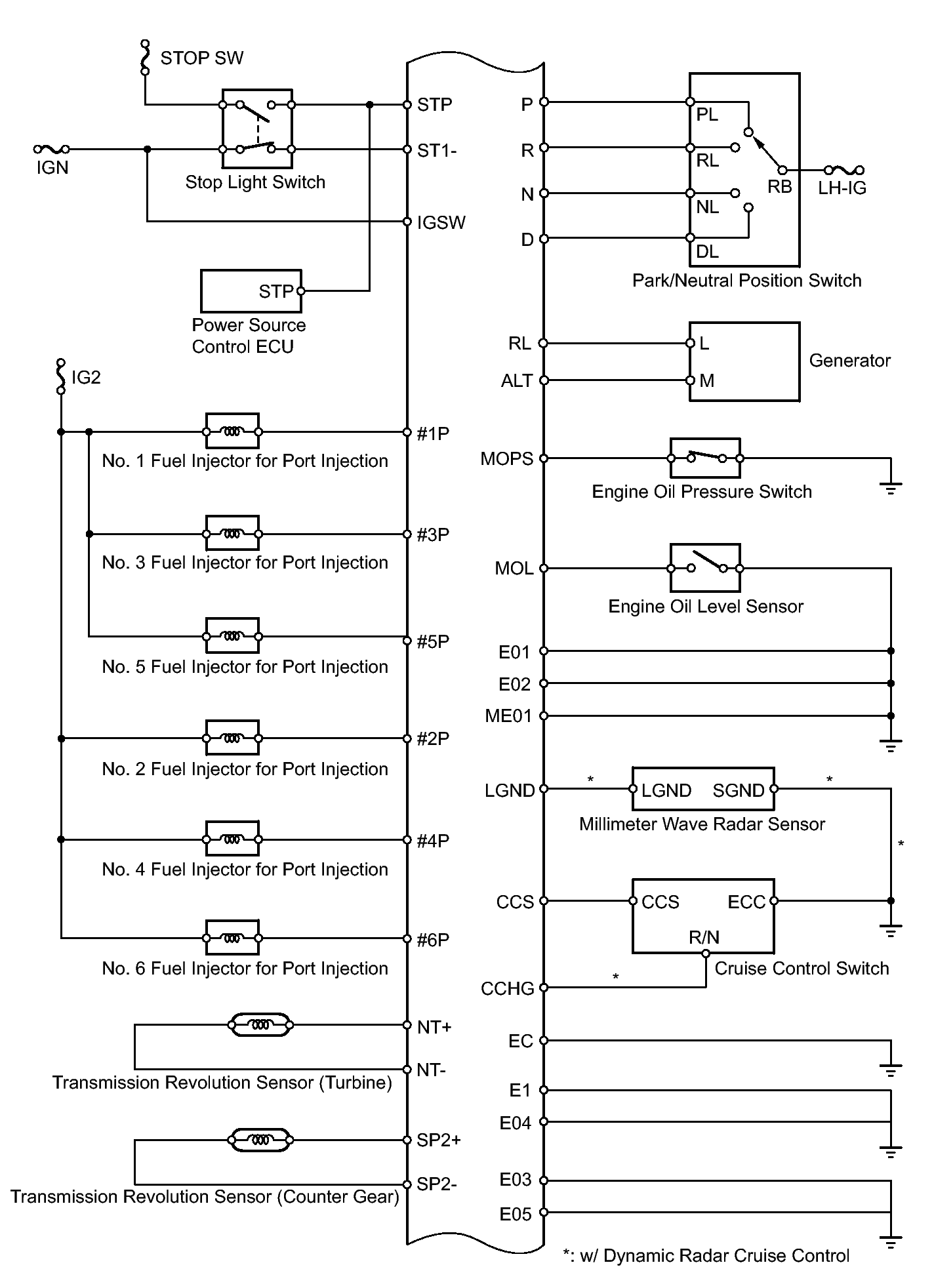
Fig 1: 2GR-FSE Engine Control System Diagram (1 Of 6)
GTY105667Courtesy of © TOYOTA, LICENSE AGREEMENT TMS1002
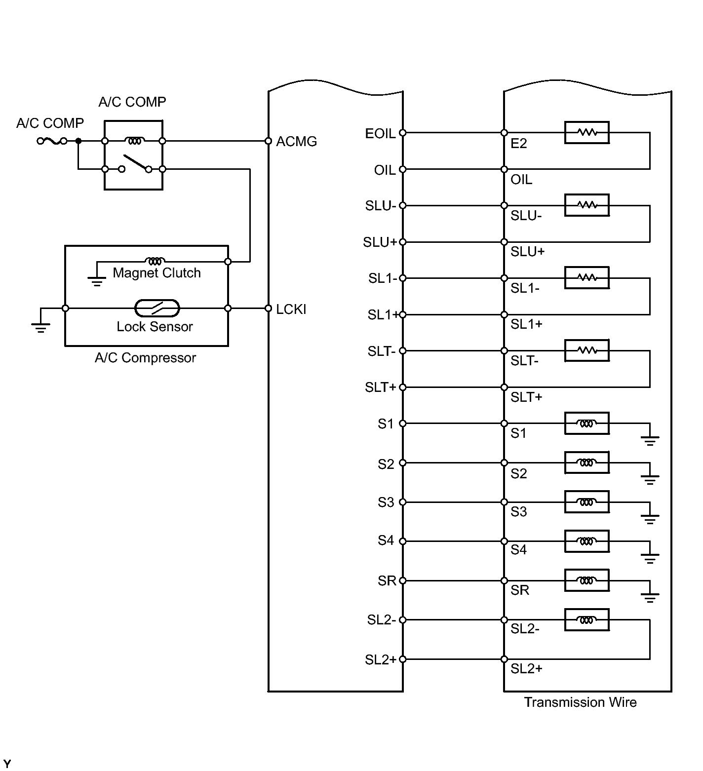
Fig 2: 2GR-FSE Engine Control System Diagram (2 Of 6)
GTY105409Courtesy of © TOYOTA, LICENSE AGREEMENT TMS1002
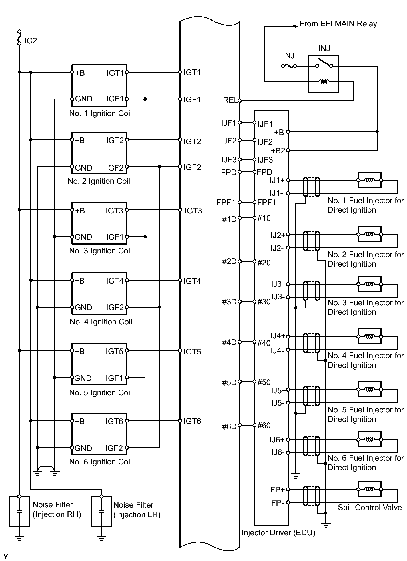
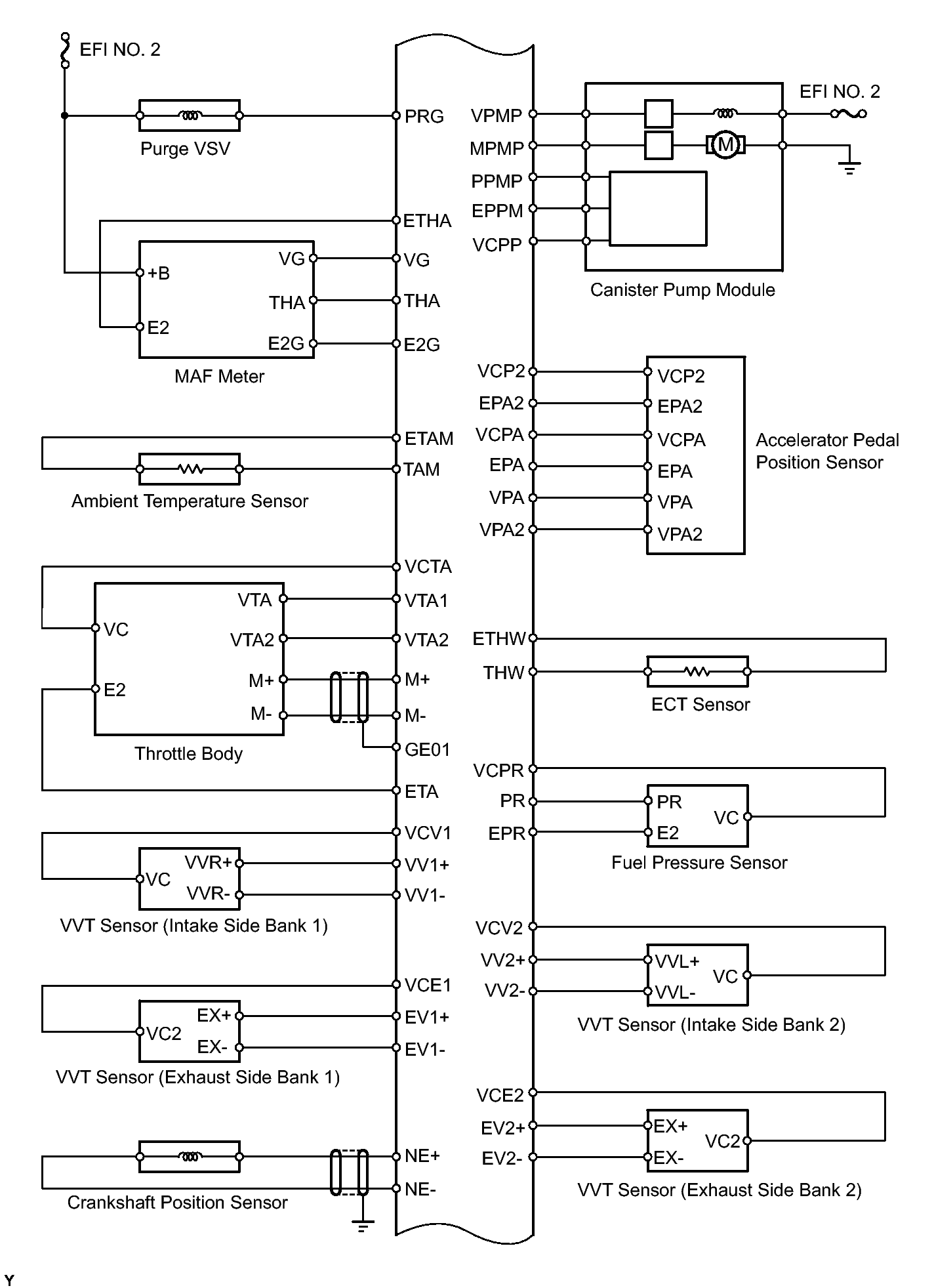
Fig 3: 2GR-FSE Engine Control System Diagram (3 Of 6)
GTY104078Courtesy of © TOYOTA, LICENSE AGREEMENT TMS1002
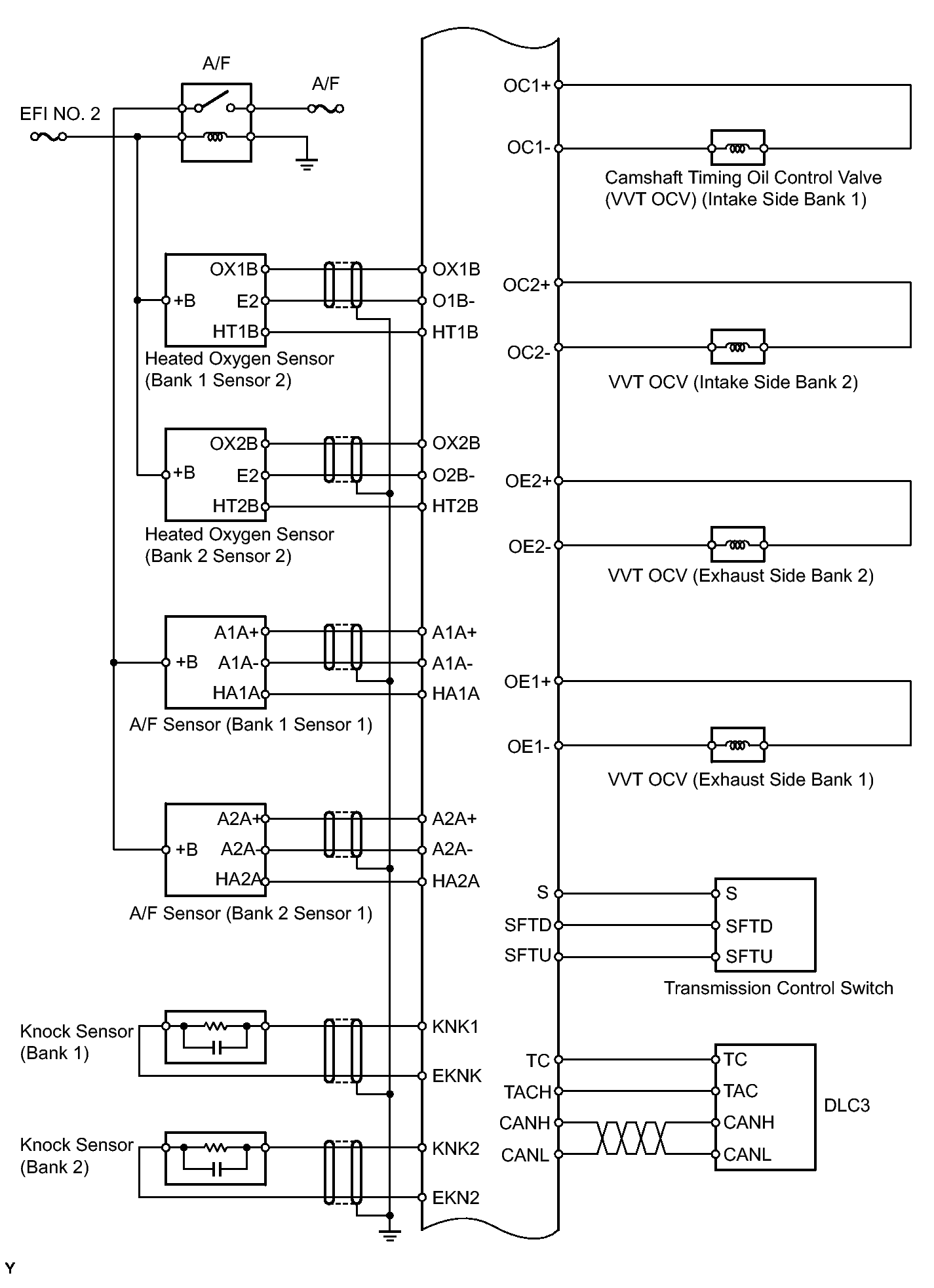
Fig 4: 2GR-FSE Engine Control System Diagram (4 Of 6)
GTY105410Courtesy of © TOYOTA, LICENSE AGREEMENT TMS1002
Fig 5: 2GR-FSE Engine Control System Diagram (5 Of 6)
GTY105698Courtesy of © TOYOTA, LICENSE AGREEMENT TMS1002
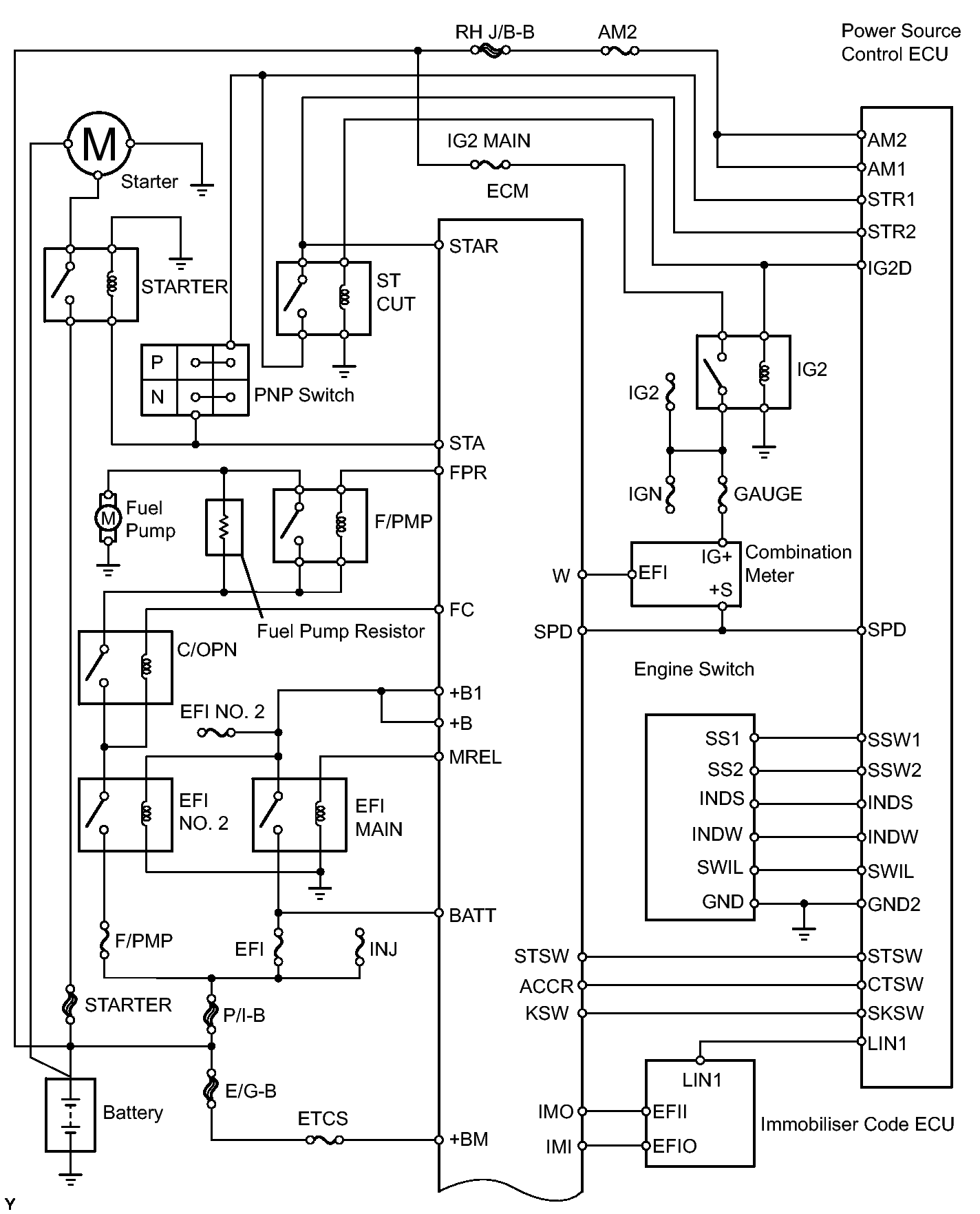
Fig 6: 2GR-FSE Engine Control System Diagram (6 Of 6)
GTY104017Courtesy of © TOYOTA, LICENSE AGREEMENT TMS1002