LEMON Manuals: Even more car manuals for everyone
Home >> Lexus >> 2009 >> GS 350 AWD >> Repair and Diagnosis >> Engine Performance >> Engine Control Systems >> Engine Control System (Service Information) >> Integration Relay >> Inspection >> Inspection

Integration Relay: Inspection: Inspection

  1. INSPECT INTEGRATION NO. 1 RELAY 
    NOTE:
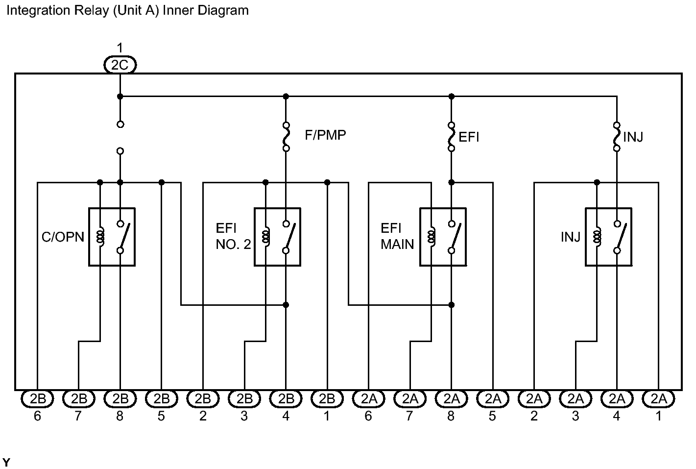
    • Some relays are built into the integration relay (unit A). The integration relay cannot be disassembled. If there is a malfunction in the circuit of the integration relay, replace the integration relay.
    • The internal circuit of the integration relay is as shown in the illustration. Inspect the integration relay using the following procedures.
      Fig 1: Integration Relay Inner Circuit Diagram
      GTY103049Courtesy of © TOYOTA, LICENSE AGREEMENT TMS1002
    1. Measure the resistance of the C/OPN relay.
      Fig 2: Identifying Integration Relay Connector Terminals
      GTY102716Courtesy of © TOYOTA, LICENSE AGREEMENT TMS1002
      1. Connect the battery's positive (+) lead to terminal 2A-8 and negative (-) lead to terminal 2B-3. Check the resistance between the terminals when battery voltage is applied between the terminals.

        Standard resistance

        Tester Connection Specified Condition
        2C-1 - 2B-7 Below 1 Ω
        2C-1 - 2B-8 10 kΩ or higher
      2. Connect the battery's positive (+) lead to terminals 2A-8 and 2C-1, and negative (-) lead to terminal 2B-3 and 2B-7. Measure the resistance between terminals 2C-1 and 2B-8 when battery voltage is applied between the terminals.

        Standard resistance

        Tester Connection Specified Condition
        2C-1 - 2B-8 Below 1 Ω
    2. Measure the resistance of the EFI MAIN relay.
      Fig 3: Identifying EFI Fuse
      GTY104647Courtesy of © TOYOTA, LICENSE AGREEMENT TMS1002
      1. Remove the EFI fuse. Measure the resistance between the terminals.

        Standard resistance

        Tester Connection Specified Condition
        2A-6 - 2A-7 Below 1 Ω
        EFI fuse terminal 2 - terminal 2A-8 10 kΩ or higher
      2. Connect the battery's positive (+) lead to terminal 2A-6 and negative (-) lead to terminal 2A-7. Measure the resistance between EFI fuse terminal 2 and terminal 2A-8 when battery voltage is applied between the terminals.

        Standard resistance

        Tester Connection Specified Condition
        EFI fuse terminal 2 - terminal 2A-8 Below 1 Ω
    3. Measure the resistance of the EFI NO. 2 relay.
      Fig 4: Identifying Integration Relay Connector Terminals
      GTY102716Courtesy of © TOYOTA, LICENSE AGREEMENT TMS1002
      1. Measure the resistance between the terminals.

        Standard resistance

        Tester Connection Specified Condition
        2A-8 - 2B-3 Below 1 Ω
        2B-7 - 2C-1 10 kΩ or higher
      2. Connect the battery's positive (+) lead to terminal 2A-8 and negative (-) lead to terminal 2B-3. Measure the resistance between terminals 2B-7 and 2C-1 when battery voltage is applied between the terminals.

        Standard resistance

        Tester Connection Specified Condition
        2B-7 - 2C-1 Below 1 Ω
    4. Measure the resistance of the INJ relay.
      Fig 5: Front View Of Integration Relay
      GTY101321Courtesy of © TOYOTA, LICENSE AGREEMENT TMS1002
      1. Remove the INJ fuse. Measure the resistance between the terminals.

        Standard resistance

        Tester Connection Specified Condition
        2A-1 - 2A-3 Below 1 Ω
        INJ fuse terminal 2 - terminal 2A-4 10 kΩ or higher
      2. Connect the battery's positive (+) lead to terminal 2A-1 and negative (-) lead to terminal 2A-3. Measure the resistance between the INJ fuse terminals 2 and terminal 2A-4 when battery voltage is applied between the terminals.

        Standard resistance

        Tester Connection Specified condition
        INJ fuse terminal 2 - terminal 2A-4 Below 1 Ω