LEMON Manuals: Even more car manuals for everyone
Home >> Lexus >> 2009 >> ES 350 >> Repair and Diagnosis (Single Page) >> Electrical >> Body Electrical >> OEM System Circuits >> Engine Control >> Notes

Engine Control: Notes

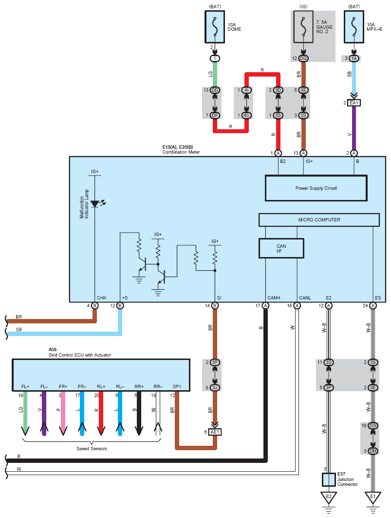
Fig 1: Engine Control - Circuit Diagram (1 Of 13)
G07625079Courtesy of © TOYOTA, LICENSE AGREEMENT TMS1002
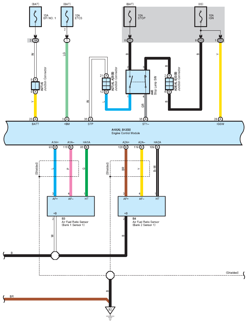
Fig 2: Engine Control - Circuit Diagram (2 Of 13)
G07625080Courtesy of © TOYOTA, LICENSE AGREEMENT TMS1002
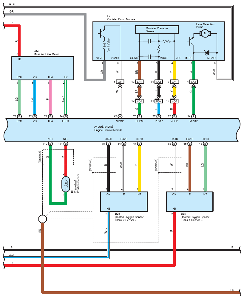
Fig 3: Engine Control - Circuit Diagram (3 Of 13)
G07625081Courtesy of © TOYOTA, LICENSE AGREEMENT TMS1002
Fig 4: Engine Control - Circuit Diagram (4 Of 13)
G07625082Courtesy of © TOYOTA, LICENSE AGREEMENT TMS1002
Fig 5: Engine Control - Circuit Diagram (5 Of 13)
G07625083Courtesy of © TOYOTA, LICENSE AGREEMENT TMS1002
Fig 6: Engine Control - Circuit Diagram (6 Of 13)
G07625084Courtesy of © TOYOTA, LICENSE AGREEMENT TMS1002
Fig 7: Engine Control - Circuit Diagram (7 Of 13)
G07625085Courtesy of © TOYOTA, LICENSE AGREEMENT TMS1002
Fig 8: Engine Control - Circuit Diagram (8 Of 13)
G07625086Courtesy of © TOYOTA, LICENSE AGREEMENT TMS1002
Fig 9: Engine Control - Circuit Diagram (9 Of 13)
G07625087Courtesy of © TOYOTA, LICENSE AGREEMENT TMS1002
Fig 10: Engine Control - Circuit Diagram (10 Of 13)
G07625088Courtesy of © TOYOTA, LICENSE AGREEMENT TMS1002
Fig 11: Engine Control - Circuit Diagram (11 Of 13)
G07625089Courtesy of © TOYOTA, LICENSE AGREEMENT TMS1002
Fig 12: Engine Control - Circuit Diagram (12 Of 13)
G07625090Courtesy of © TOYOTA, LICENSE AGREEMENT TMS1002
Fig 13: Engine Control - Circuit Diagram (13 Of 13)
G07625091Courtesy of © TOYOTA, LICENSE AGREEMENT TMS1002