LEMON Manuals: Even more car manuals for everyone
Home >> Lexus >> 2008 >> SC 430 >> Repair and Diagnosis (Single Page) >> Engine Performance >> Engine Control System >> SFI System >> DTC P0134: Oxygen Sensor Circuit No Activity Detected (Bank 1 Sensor 1); DTC P0154: Oxygen Sensor Circuit No Activity Detected (Bank 2 Sensor 1) >> Wiring Diagram

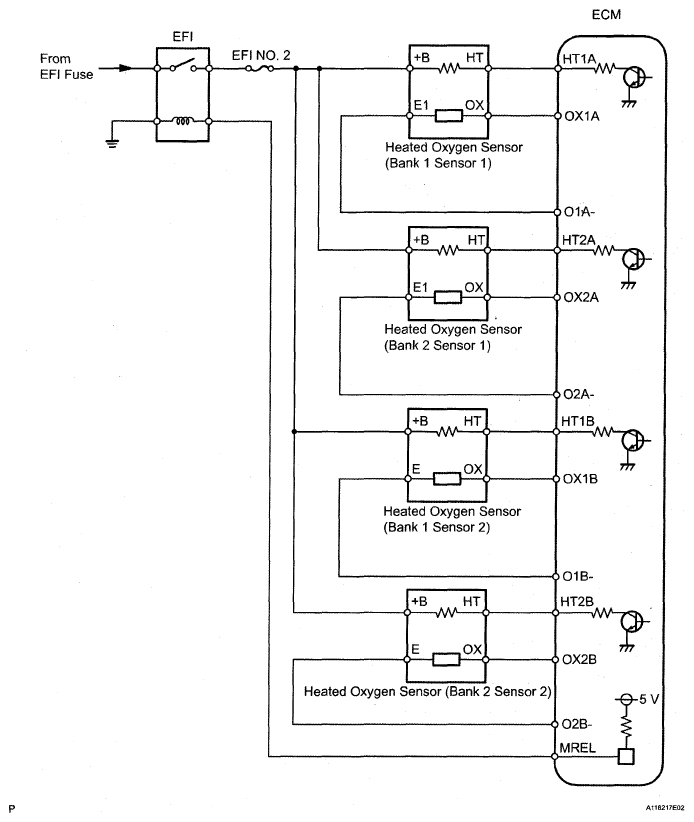
DTC P0134: Oxygen Sensor Circuit No Activity Detected (Bank 1 Sensor 1); DTC P0154: Oxygen Sensor Circuit No Activity Detected (Bank 2 Sensor 1): Wiring Diagram

Fig 1: Oxygen Sensor Circuit No Activity Detected (Bank 1 Sensor 1) - Wiring Diagram
G05291301Courtesy of © TOYOTA, LICENSE AGREEMENT TMS1002