LEMON Manuals: Even more car manuals for everyone
Home >> Lexus >> 2008 >> RX 350 FWD >> Repair and Diagnosis >> Engine Performance >> Testing & Diagnosis >> Engine Control System - SFI System Description, Diagnostic Introduction, Diagnostic Trouble Code Chart >> SFI System >> System Diagram

System Diagram

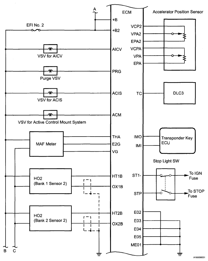
Fig 1: SFI System Diagram (1 Of 4)
G05839958Courtesy of © TOYOTA, LICENSE AGREEMENT TMS1002
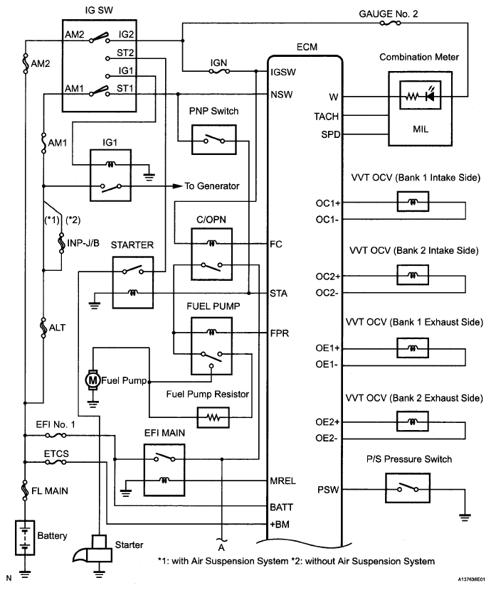
Fig 2: SFI System Diagram (2 Of 4)
G05839959Courtesy of © TOYOTA, LICENSE AGREEMENT TMS1002
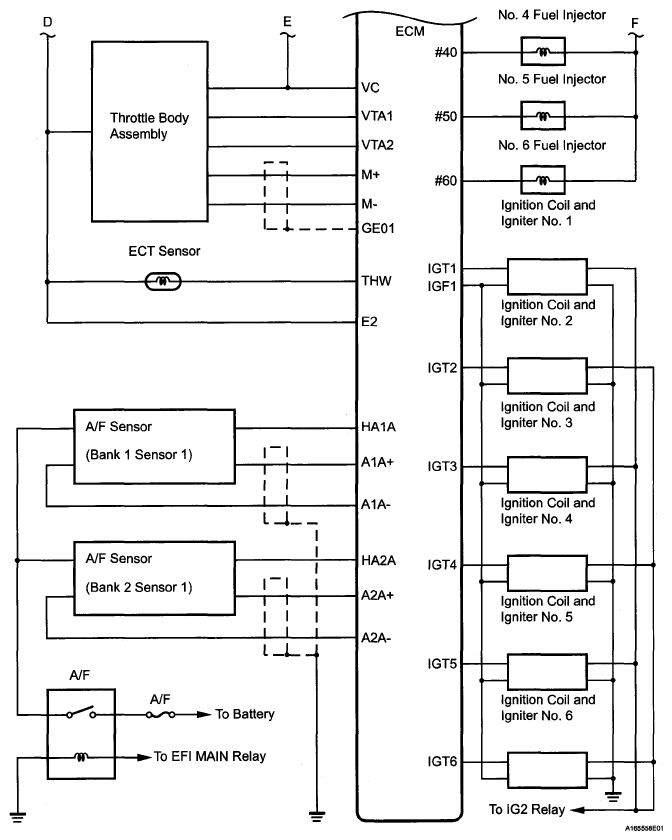
Fig 3: SFI System Diagram (3 Of 4)
G05839960Courtesy of © TOYOTA, LICENSE AGREEMENT TMS1002
Fig 4: SFI System Diagram (4 Of 4)
G05839961Courtesy of © TOYOTA, LICENSE AGREEMENT TMS1002