LEMON Manuals: Even more car manuals for everyone
Home >> Lexus >> 2008 >> LX 570 >> Repair and Diagnosis >> Engine Performance >> System >> Engine Control System - System Descriptions And Testing, On-Vehicle Inspection, Removal And Installation >> VC Output Circuit >> Wiring Diagram

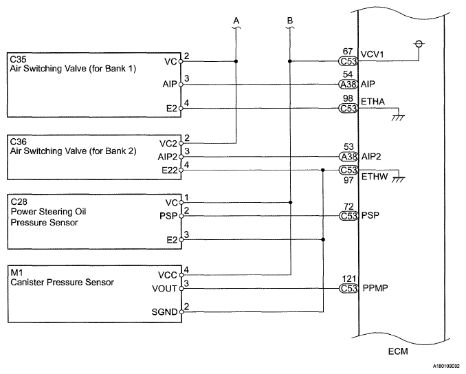
VC Output Circuit: Wiring Diagram

Fig 1: VC Output - Wiring Diagram (1 Of 3)
G05628160Courtesy of © TOYOTA, LICENSE AGREEMENT TMS1002
Fig 2: VC Output - Wiring Diagram (2 Of 3)
G05628161Courtesy of © TOYOTA, LICENSE AGREEMENT TMS1002
Fig 3: VC Output - Wiring Diagram (3 Of 3)
G05628162Courtesy of © TOYOTA, LICENSE AGREEMENT TMS1002