LEMON Manuals: Even more car manuals for everyone
Home >> Lexus >> 2008 >> LS 600hL >> Repair and Diagnosis >> Engine Performance >> Engine Control Systems >> Engine Control System - Circuit Tests, Component Removal, Inspection & Installation >> VC Output Circuit >> Wiring Diagram

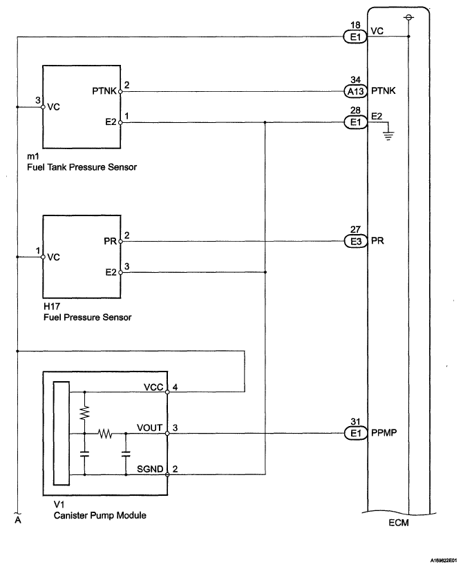
VC Output Circuit: Wiring Diagram

Fig 1: Fuel Tank Pressure Sensor And Canister Pump Module - Wiring Diagram (1 Of 3)
G05771173Courtesy of © TOYOTA, LICENSE AGREEMENT TMS1002
Fig 2: Fuel Tank Pressure Sensor And Canister Pump Module - Wiring Diagram (2 Of 3)
G05771174Courtesy of © TOYOTA, LICENSE AGREEMENT TMS1002
Fig 3: Fuel Tank Pressure Sensor And Canister Pump Module - Wiring Diagram (3 Of 3)
G05771175Courtesy of © TOYOTA, LICENSE AGREEMENT TMS1002