LEMON Manuals: Even more car manuals for everyone
Home >> Lexus >> 2008 >> LS 460L >> Repair and Diagnosis (Single Page) >> Electrical >> Body Electrical >> OEM System Circuits >> Charging >> Notes

OEM System Circuits: Charging: Notes

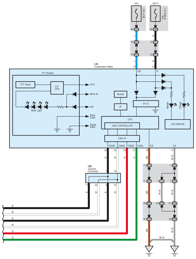
Fig 1: Charging - Circuit Diagram (1 Of 3)
G07598116Courtesy of © TOYOTA, LICENSE AGREEMENT TMS1002
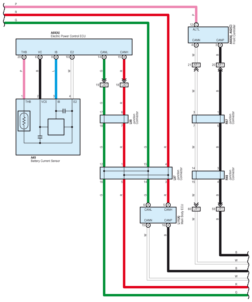
Fig 2: Charging - Circuit Diagram (2 Of 3)
G07598117Courtesy of © TOYOTA, LICENSE AGREEMENT TMS1002
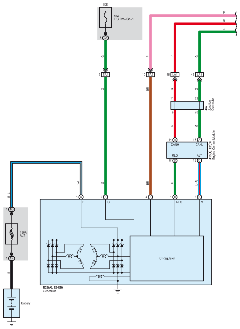
Fig 3: Charging - Circuit Diagram (3 Of 3)
G07598118Courtesy of © TOYOTA, LICENSE AGREEMENT TMS1002