LEMON Manuals: Even more car manuals for everyone
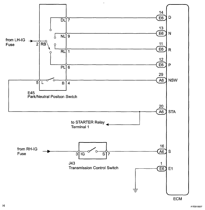
Home >> Lexus >> 2008 >> IS F >> Repair and Diagnosis >> Engine Performance >> System >> Engine Control System - SFI System Diagnostics (3 Of 4) >> DTC P0705 Transmission Range Sensor Circuit Malfunction (PRNDL Input) >> Wiring Diagram

DTC P0705 Transmission Range Sensor Circuit Malfunction (PRNDL Input): Wiring Diagram

Fig 1: Transmission Range Sensor Circuit Malfunction - Wiring Diagram
G05751641Courtesy of © TOYOTA, LICENSE AGREEMENT TMS1002