LEMON Manuals: Even more car manuals for everyone
Home >> Lexus >> 2008 >> IS F >> Repair and Diagnosis (Single Page) >> Engine Performance >> Engine Control Systems >> Engine Control System - System & Component Testing, R & I >> VC Output Circuit >> Wiring Diagram

VC Output Circuit: Wiring Diagram

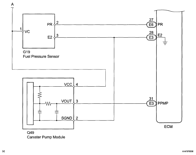
Fig 1: VC Output - Wiring Diagram (1 Of 3)
G05751804Courtesy of © TOYOTA, LICENSE AGREEMENT TMS1002
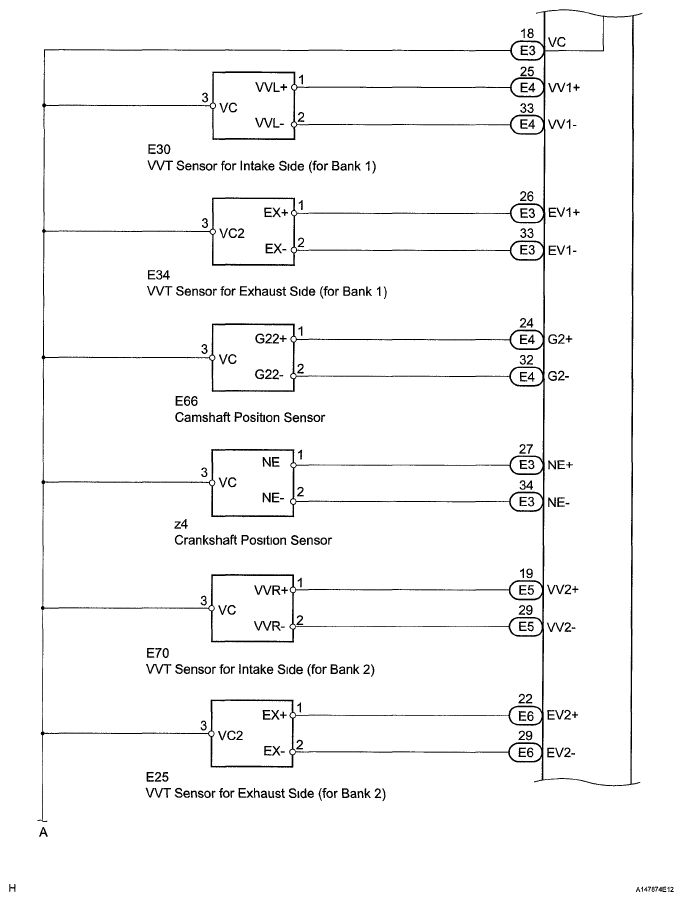
Fig 2: VC Output - Wiring Diagram (2 Of 3)
G05751805Courtesy of © TOYOTA, LICENSE AGREEMENT TMS1002
Fig 3: VC Output - Wiring Diagram (3 Of 3)
G05751806Courtesy of © TOYOTA, LICENSE AGREEMENT TMS1002