LEMON Manuals: Even more car manuals for everyone
Home >> Lexus >> 2008 >> IS F >> Repair and Diagnosis (Single Page) >> Engine Performance >> Engine Control Systems >> Engine Control System - System & Component Testing, R & I >> Ignition System >> System Diagram

System Diagram

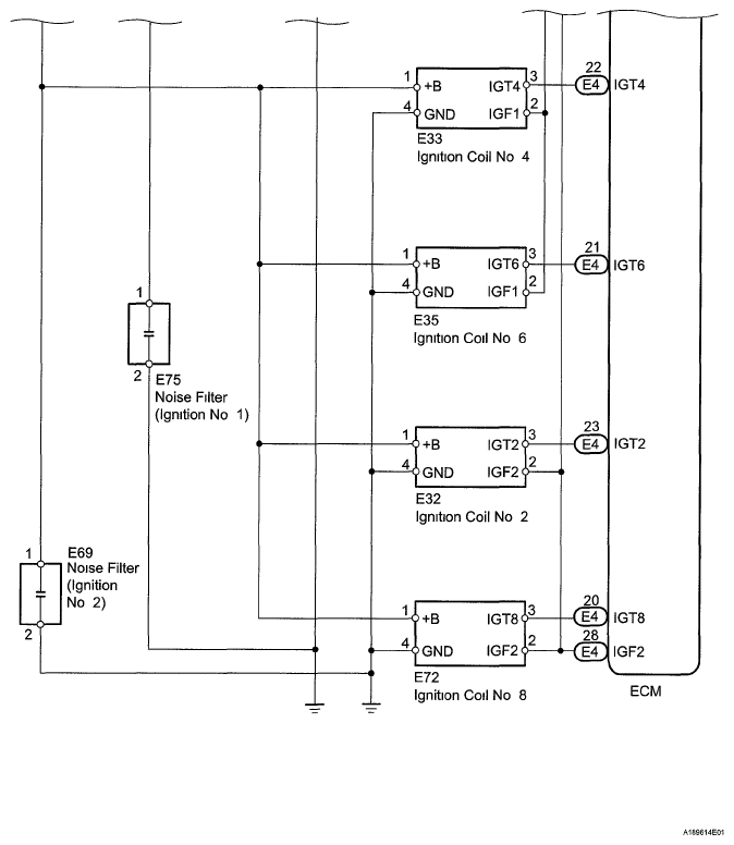
Fig 1: Ignition System Diagram (1 Of 2)
G05751845Courtesy of © TOYOTA, LICENSE AGREEMENT TMS1002
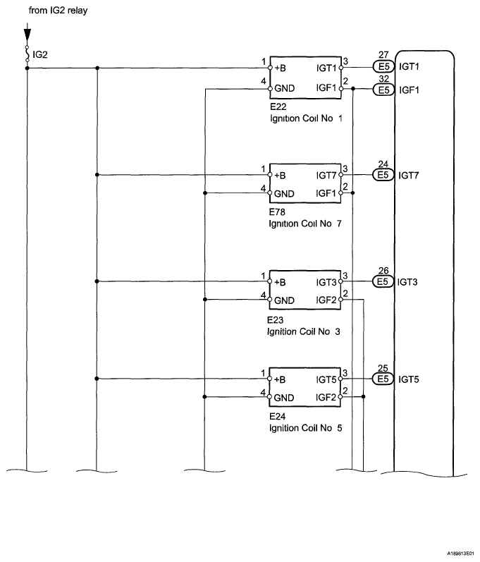
Fig 2: Ignition System Diagram (2 Of 2)
G05751846Courtesy of © TOYOTA, LICENSE AGREEMENT TMS1002