LEMON Manuals: Even more car manuals for everyone
Home >> Lexus >> 2008 >> IS F >> Repair and Diagnosis (Single Page) >> Electrical >> Fuses & Circuit Breakers >> OEM Junction Block, Ecu & Fuse/Relay Locations >> Relay Block Identification >> Engine Room Relay Block No.2 Assembly and Engine Room Junction Block No.2 Assembly Inner Circuit

Engine Room Relay Block No.2 Assembly and Engine Room Junction Block No.2 Assembly Inner Circuit

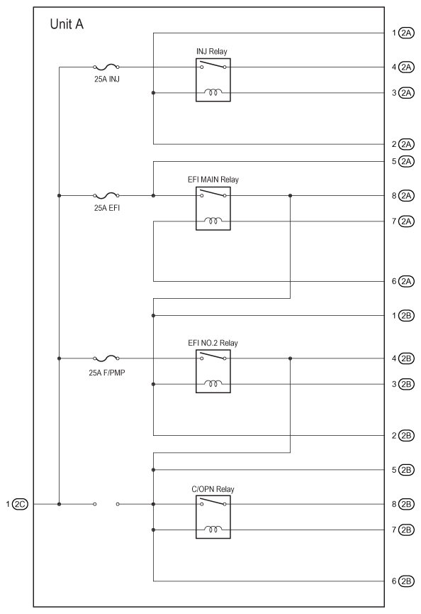
Fig 1: Engine Room R/B No.2 Assembly And Engine Room J/B No.2 Assembly Inner Circuit Diagram (1 Of 3) With Relays
G07592126Courtesy of © TOYOTA, LICENSE AGREEMENT TMS1002
ENGINE ROOM R/B NO.2 AND J/B NO.2 INNER CIRCUIT RELAY IDENTIFICATION

RELAY DESCRIPTION
INJ Relay
EFI Main Relay
EFI No. 2 Relay
C/OPN Relay
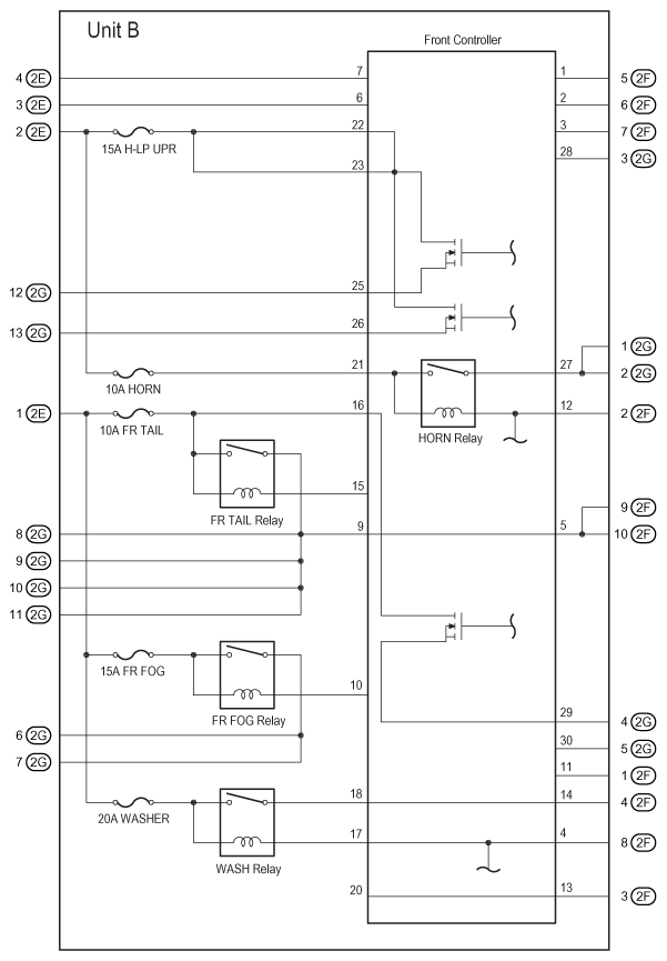
Fig 2: Engine Room R/B No.2 Assembly And Engine Room J/B No.2 Assembly Inner Circuit Diagram (2 Of 3) With Relays
G07592127Courtesy of © TOYOTA, LICENSE AGREEMENT TMS1002
ENGINE ROOM R/B NO.2 AND J/B NO.2 INNER CIRCUIT RELAY IDENTIFICATION

RELAY DESCRIPTION
Horn Relay
FR Tail Relay
FR Fog Relay
Wash Relay
Fig 3: Engine Room R/B No.2 Assembly And Engine Room J/B No.2 Assembly Inner Circuit Diagram (3 Of 3)
G07592128Courtesy of © TOYOTA, LICENSE AGREEMENT TMS1002